Foram encontradas 1.050 questões.
De acordo com às dimensões mínimas exigidas para o quarto de uma residência unifamiliar, assinale a opção que apresenta o profissional ou profissionais que cumpriram o Código de Obras da Cidade do Rio de Janeiro em seu projeto.
I - arquiteto "A" projetou uma residência com apenas um quarto de 12 m2.
II - Engenheiro "B" projetou uma residência com quatro quartos de 6 m2.
III- Arquiteto "C" projetou uma residência com dois quartos de 12 m2, pois essa é a dimensão mínima.
Provas
Em instalações sanitárias, qual deve ser o diâmetro nominal mínimo do subcoletor predial?
Provas
Observe a figura:

Para o projeto do escritório do esquema, visando um ambiente sem sombras na superfície de trabalho e com iluminação suplementar, qual deve ser o dispositivo de iluminação?
Provas
Qual as dimensões, em milímetros, do formato de papel A1?
Provas
A sondagem de um terreno identificou a camada de resistência, apropriada para construção, a pouco mais de um metro de profundidade. Ao desenhar o esquema da futura fundação de uma casa, qual será a opção mais econômica?
Provas
Considerando um terreno com área (AT) de 600 m2, taxa de ocupação (TO) de 50%, índice de aproveitamento do terreno (IAT) de 1,5 e gabarito máximo de 3 pavimentos, qual é a área total edificada (ATE), máxima permitida, nesse terreno?
Provas
Para representar, em planta baixa, numa folha de papel formato A4, uma casa que mede 10 x 7m, que escala deve ser utilizada para possibilitar um maior aproveitamento da folha?
Provas
Observe a figura:

De acordo com a NBR 6492/1994, qual material de construção está representado na figura acima?
Provas
Observe a figura:

Em relação à planta elétrica representada acima, é correto afirmar que
Provas
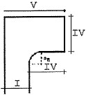
Das terminações de vias interiores para veículos sem conexão direta com outros logradouros apresentadas abaixo, qual NÃO obedece ao padrão estabelecido no Código de Obras da Cidade do Rio de Janeiro?
Legenda:
I = 6m
II = 6m
III = l8m
IV = 9m
V = 15m
Provas
Caderno Container