Foram encontradas 100 questões.
Assinale a alternativa que apresenta em ordem crescente os tipos mais comuns de memória pela velocidade e proximidade ao processador.
Provas
Ao visitar uma instalação, um técnico anotou os seguintes dados da placa de um gerador síncrono: 20 MVA, 13,2 kV e X = 10%. Para adequar os dados a um novo projeto, esse técnico precisou calcular o valor da reatância da máquina para a nova base: 50 MVA e 13,8 kV. O valor em pu da reatância referida a essa nova base é de
Provas
A respeito da família de circuitos lógicos TTL, é correto afirmar que
Provas
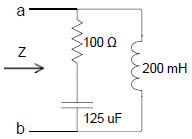
Para o circuito da figura a seguir, calcule a função racional, no domínio S, da impedância equivalente Z e assinale a alternativa que apresenta o valor dos polos dessa função.

Provas
Considere um solenoide percorrido por uma corrente constante !$ I !$, preenchido no interior da região cilíndrica definida pelas espiras por um material magnético linear de susceptibilidade !$ X_m !$. Sobre o efeito da magnetização do material no campo magnético resultante, assinale a alternativa correta.
Provas
São tipos de chaves seccionadoras de alta tensão:
Provas
Em um circuito teste, um técnico precisou substituir um conjunto de três cargas resistivas de valores !$ 3 \ \Omega , 4 \ \Omega !$ e !$ 8 \ \Omega !$, conectadas em delta, para o seu equivalente estrela. Assinale a alternativa que apresenta o valor das cargas na nova configuração.
Provas
Um cubo com arestas de tamanho !$ \alpha !$, constituído por um material dielétrico linear de constante dielétrica !$ \alpha !$, tem um de seus vértices na origem de um sistema de coordenadas cartesiano (x,y,z) e está orientado de tal forma que todos os seus vértices estão no primeiro quadrante do sistema de coordenadas, ou seja, suas coordenadas são da forma (x,y,z) onde !$ x \ge 0, y \ge 0 !$ e !$ z \ge 0 !$. Determine a densidade de carga superficial na face do cubo que coincide com o plano z = 0 quando o cubo é exposto a um campo elétrico descrito por !$ \vec E = E_0 (2\hat x + \hat z) !$.
Provas
Considere o circuito da seguinte figura como um quadripolo e assinale a alternativa que descreve a matriz Z desse circuito.

Provas
Uma onda eletromagnética transversal se propaga em uma linha de transmissão coaxial na direção !$ z !$, paralela ao eixo que define o centro da seção dessa linha de transmissão por toda sua extensão. A função que descreve a evolução espacial e temporal do seu campo elétrico é dada por: !$ \vec E (r, \theta, z, t) = \left ({ \large A \over r}\right) cos (kz - \omega t) \hat r !$, onde !$ r !$ é a posição radial em relação ao centro da linha de transmissão. Sobre o campo magnético !$ \vec B !$ dessa mesma onda, é correto afirmar que
Provas
Caderno Container