Foram encontradas 50 questões.
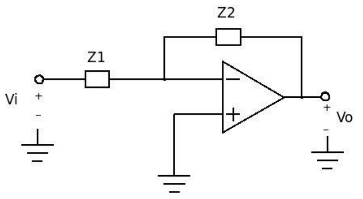
Considere o circuito apresentado a seguir:

Para que seja obtido um circuito integrador inversor, Z1 e Z2 devem ser, respectivamente:
Provas
Considere o esquemático de circuito abaixo:

Esse esquemático representa:
Provas
Flip-flop é um circuito digital pulsado (uso de clock) utilizado como uma memória de um bit. Com relação ao assunto, identifique como verdadeiras (V) ou falsas (F) as seguintes afirmativas:
( ) A tabela verdade de um flip-flop J-K com clock é a seguinte:

( ) O flip-flop disparado por transição faz uso de um detector de transição para garantir que a saída vai responder à entrada somente quando uma transição de disparo do sinal de clock ocorrer. Caso esse detector não seja utilizado, o circuito resultante vai operar como um latch do tipo C.
( ) A tabela verdade de um flip-flop assíncrono JCLK é a apresentada abaixo:

( ) Os atrasos de propagação ocorrem sempre que um sinal causa a mudança de estado da saída de um flip-flop.
Assinale a alternativa que apresenta a sequência correta, de cima para baixo
Provas
Um engenheiro precisa implementar um circuito lógico para a expressão
O objetivo da equipe
de projeto é criar um circuito otimizado e de baixo custo. Para o alcance desse objetivo, uma das etapas do projeto envolve
a simplificação da expressão algébrica apresentada. Levando em consideração esses dados, assinale a alternativa com a
expressão algébrica simplificada de x.
Provas
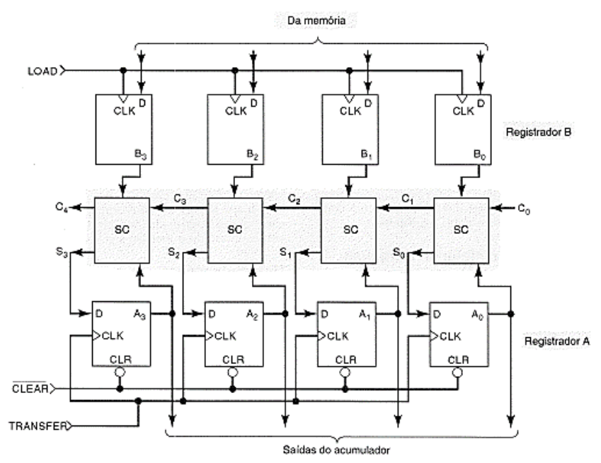
Considere o esquemático apresentado abaixo:

Esse esquemático representa:
Provas
- Conversores Analógicos Digitais (AD) e Digitais Analógicos (DAC)
- Eletrônica Digital na Engenharia Eletrônica
As memórias conferem uma grande vantagem aos sistemas digitais sobre os analógicos: a capacidade de armazenar. A respeito do assunto, considere as seguintes afirmativas:
1. Célula de memória é um dispositivo ou circuito elétrico utilizado para armazenar um único byte (8 bits).
2. A memória principal de um computador é constituída de CIs de RAM e ROM que são interfaceados com a CPU através de três grupos de linhas de sinais ou barramentos.
3. A ROM programada por máscara tem suas posições programadas pelo fabricante de acordo com as especificações do cliente.
4. As DRAM são fabricadas usando tecnologia MOS e se destacam por sua alta capacidade, seu baixo consumo de potência e sua moderada velocidade de operação.
Assinale a alternativa correta.
Provas
O Controlador Lógico Programável (CLP) é uma espécie de computador projetado para o ambiente industrial (chão de fábrica), tendo seu desenvolvimento ocorrido pela demanda existente na indústria automobilística nos Estados Unidos, na década de 1970, especificamente na GM. A respeito do assunto, considere as seguintes afirmativas:
1. Os sensores analógicos fornecem um sinal analógico de saída e geralmente são conectados a entradas analógicas do CLP. Os sensores indutivos são um tipo de sensor analógico que atuam baseados no princípio da variação da indutância de uma bobina.
2. Para a detecção de curtas distâncias, são utilizados os sensores de proximidade ópticos, enquanto que para longas distâncias utilizam-se os sensores indutivos ou capacitivos. Os sensores de proximidades ópticos podem detectar uma ampla diversidade de materiais, como metálicos ou porosos.
3. A Norma IEC 61131-3 trata das linguagens de programação para CLP.
4. A linguagem de Lista de Instruções (LI) assemelha-se ao assembly, pela definição de mnemônicos que representam operações lógicas booleanas e comandos de transferência de dados.
Assinale a alternativa correta.
Provas
Provas
A potência fornecida a uma carga, em um circuito como o ilustrado na figura ao lado, é definida por p = vi. Considere, para fins de avaliação, que a carga ilustrada está conectada na rede e identifique como verdadeiras (V) ou falsas (F) as seguintes afirmativas:

( ) A corrente (i) é uma grandeza senoidal e pode ser descrita como Im*sen(ωt+ θ).
( ) A tensão (v) é uma grandeza senoidal e pode ser descrita como Vm*sen(ωt).
( ) Nos circuitos indutivos, θ é positivo (v adiantada em relação a i).
( ) Nos circuitos capacitivos, θ é negativo (i adiantada em relação a v).
Assinale a alternativa que apresenta a sequência correta, de cima para baixo.
Provas
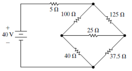
Com base no esquemático ao lado, assinale a alternativa que apresenta os valores de potência (P) e corrente (i) fornecidos por uma fonte de 40 V no circuito.

Provas
Caderno Container