Foram encontradas 60 questões.
- EletrotécnicaCircuitos Elétricos em Eletricidade
- EletrotécnicaCircuitos de Corrente Contínua e de Corrente Alternada
Para o circuito ao lado, determine a corrente (i) que circula no gerador Δ conectado. Para tanto, suponha que não haja conexões externas aos terminais a, b, c. Suponha ainda que os três enrolamentos são de um gerador trifásico cujas tensões são as seguintes:
v a = 188cos(250t + 60º) V
v b = -188cos 250t V
v c = 188cos(250t - 60º) V
Assinale a alternativa que representa a corrente i determinada.
Provas
Na figura ao lado, observe as formas de onda de tensão e corrente na saída de um conversor alimentado com tensão senoidal e identifique como verdadeiras (V) ou falsas (F) as seguintes afirmativas:
( ) Trata-se de um inversor monofásico com
SCR.
( ) Trata-se de um controlador de tensão CA
monofásico com SCR.
( ) A carga tem características indutivas.
( ) O ângulo de disparo dos SCR é π.
Assinale a alternativa que apresenta a sequência correta, de cima para baixo.
Provas
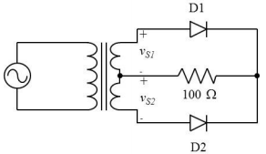
O circuito a seguir é um retificador que utiliza transformador com tomada central. Desprezando a queda de tensão nos diodos e sendo as tensões v s1 e v s2 iguais a 220 V, assinale a alternativa que apresenta, respectivamente, a tensão média sobre a carga, a potência na carga e a tensão reversa máxima sobre o diodo D1.
Provas
Assinale alternativa que apresenta a expressão lógica equivalente a !$ S !$ = !$ \overline{B} !$.!$ \overline{B} !$.!$ \overline{C} !$ + !$ A !$.!$ \overline{B} !$.!$ \overline{C} !$ + !$ A !$.!$ \overline{B} !$.!$ C !$ + !$ A !$.!$ B !$.!$ \overline{C} !$+!$ A !$.!$ B !$.!$ C !$.
Provas
Assinale a alternativa que apresenta o total possível de saídas com nível lógico 1 (verdadeiro), considerando o conjunto
de entradas sem repetição, para o circuito digital denotado pela expressão
Provas

Assinale a alternativa que apresenta corretamente a expressão booleana característica do circuito apresentado acima.
Provas
- EletrotécnicaCircuitos Elétricos em Eletricidade
- EletrotécnicaCircuitos de Corrente Contínua e de Corrente Alternada
Provas
- EletrotécnicaCircuitos Elétricos em Eletricidade
- EletrotécnicaCircuitos de Corrente Contínua e de Corrente Alternada
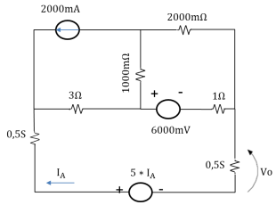
Nesse circuito, para t ≥ 0, va(t) será igual a:
Provas
- EletrotécnicaCircuitos Elétricos em Eletricidade
- EletrotécnicaCircuitos de Corrente Contínua e de Corrente Alternada
Provas
- EletrotécnicaCircuitos Elétricos em Eletricidade
- EletrotécnicaCircuitos de Corrente Contínua e de Corrente Alternada
Provas
Caderno Container