Foram encontradas 40 questões.
- EletrotécnicaCircuitos Elétricos em Eletricidade
- EletrotécnicaCircuitos de Corrente Contínua e de Corrente Alternada
São exemplos de materiais condutor e isolante, respectivamente:
Provas
Questão presente nas seguintes provas
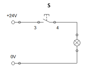
Assinale a alternativa correta com base no circuito abaixo :


Provas
Questão presente nas seguintes provas

Provas
Questão presente nas seguintes provas

Provas
Questão presente nas seguintes provas

I. A leitura indica que a bateria apresenta 27 milivolts acima da sua tensão padrão de 12V. II. A escala selecionada no instrumento é adequada para esta medição. III. A escala selecionada no instrumento não seria adequada para a medição da tensão de uma tomada residencial de 127 volts.
Provas
Questão presente nas seguintes provas

Provas
Questão presente nas seguintes provas
Um multímetro com o seletor posicionado sobre a indicação “V~” e que
indique o valor “1.284” provavelmente estará medindo:
Provas
Questão presente nas seguintes provas
- EletrotécnicaCircuitos Elétricos em Eletricidade
- EletrotécnicaCircuitos de Corrente Contínua e de Corrente Alternada
Sabe-se que num circuito em paralelo, a soma das correntes de cada uma das
cargas é igual a corrente total. Assim, se por um circuito elétrico com três
resistores conectados em paralelo circula a corrente total de 7,5 ampéres,
sendo que por um resistor circulam 5,15 ampéres e por outro 850
miliampéres, pode-se afirmar que pelo terceiro resistor circula:
Provas
Questão presente nas seguintes provas
Assinale a alternativa que completa corretamente a frase:
“O amperímetro possui uma impedância e deve ser ligado em com a carga, enquanto que o voltímetro possui uma impedância e deve ser ligado em com a
carga”
Provas
Questão presente nas seguintes provas
O instrumento elétrico mais adequado para testar o estado da isolação de um
equipamento chama-se:
Provas
Questão presente nas seguintes provas
Cadernos
Caderno Container