Foram encontradas 894 questões.

Para montagens utilizando dispositivos SMD, é necessário furar a placa do circuito impresso nos locais onde esses dispositivos serão fixados.
Provas

Uma estação de retrabalho e solda a ar quente permite realizar a solda e a dessolda de componentes SMD e BGA.
Provas

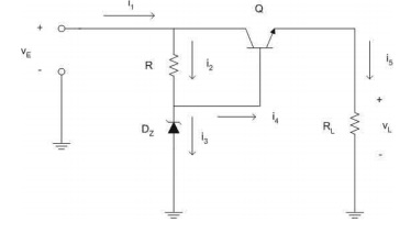
A corrente i5 é igual a i1 – i3.
Provas

Uma fonte de alimentação DC convencional (não chaveada), alimentada pela rede AC (ou CA), geralmente possui como elementos funcionais: transformador, retificador, filtro e regulador de tensão. Considerando a figura acima, que apresenta o circuito de um regulador de tensão simples, no qual se utiliza transistor bipolar de junção, julgue os itens de 53 a 57
Caso a tensão vE varie, se o diodo zener permanecer na região de ruptura, então a tensão vL ficará praticamente constante.
Provas

Uma fonte de alimentação DC convencional (não chaveada), alimentada pela rede AC (ou CA), geralmente possui como elementos funcionais: transformador, retificador, filtro e regulador de tensão. Considerando a figura acima, que apresenta o circuito de um regulador de tensão simples, no qual se utiliza transistor bipolar de junção, julgue os itens de 53 a 57
A tensão vL será ligeiramente inferior à tensão de ruptura do diodo zener DZ.
Provas

O circuito mostrado não apresenta proteção contra curto-circuito de saída.
Provas

No transistor Q, a corrente no terminal de dreno é controlada pela corrente no terminal de porta
Provas

Nessa configuração, pequenas variações da resistência de carga RL podem causar variações relativamente grandes da tensão vL.
Provas

Sendo RL a carga que está sendo alimentada, então a corrente de carga é igual à corrente de emissor do transistor Q.
Provas

Para qualquer magnitude de tensão reversa, o diodo zener DZ permite que corrente convencional significativa flua entre seus terminais, do catodo para o anodo.
Provas
Caderno Container