Magna Concursos

Foram encontradas 980 questões.

1675659 Ano: 2004
Disciplina: Arquitetura
Banca: CESPE / CEBRASPE
Orgão: INPA
Provas:

Considere que uma empresa de topografia tenha feito um levantamento muito detalhado de uma área para que um arquiteto pudesse aproveitar ao máximo os desníveis do terreno. De posse dos dados planialtimétricos, os desenhistas foram capazes de traçar perfis em muitas e diferentes direções. Cada seqüência de pontos pertencentes a um plano vertical foi lançada no AutoCAD para traçar o perfil. A respeito dessa situação, julgue os itens subseqüentes.

Para se obter curvas suaves com o lançamento das seqüências de pontos, é correto o uso do comando Spline. No entanto, depois de aplicado, o comando Spline não permite alterações na precisão da curva.

 

Provas

Questão presente nas seguintes provas
1675658 Ano: 2004
Disciplina: Arquitetura
Banca: CESPE / CEBRASPE
Orgão: INPA
Provas:

O AutoCAD possui muitos comandos auxiliares do desenho. No que se refere a esses comandos e suas aplicações, julgue os itens a seguir.

As entidades de desenho podem ser movidas por meio dos seus pontos de controle. O deslocamento desses pontos pode ser gerado pelo movimento do cursor do mouse ou pela entrada de coordenadas polares na linha de comando.

 

Provas

Questão presente nas seguintes provas
1675657 Ano: 2004
Disciplina: Arquitetura
Banca: CESPE / CEBRASPE
Orgão: INPA
Provas:

O AutoCAD possui muitos comandos auxiliares do desenho. No que se refere a esses comandos e suas aplicações, julgue os itens a seguir.

O reposicionamento de uma janela, como ilustrado na figura abaixo, pode ser obtido a partir do comando Stretch, que permite mover parte de um desenho enquanto se preserva as conexões dessa parte com os demais traçados.

Enunciado 1675657-1

 

Provas

Questão presente nas seguintes provas
1675656 Ano: 2004
Disciplina: Arquitetura
Banca: CESPE / CEBRASPE
Orgão: INPA
Provas:

O AutoCAD possui muitos comandos auxiliares do desenho. No que se refere a esses comandos e suas aplicações, julgue os itens a seguir.

Alguns comandos do AutoCAD exigem que o objeto no qual eles serão aplicados sejam uma polilinha. Para que um polígono, por exemplo, seja uma polilinha, é necessário que seja gerado como tal, não sendo possível uma conversão a partir de linhas comuns.

 

Provas

Questão presente nas seguintes provas
1675655 Ano: 2004
Disciplina: Arquitetura
Banca: CESPE / CEBRASPE
Orgão: INPA
Provas:

O AutoCAD possui muitos comandos auxiliares do desenho. No que se refere a esses comandos e suas aplicações, julgue os itens a seguir.

O comando List, usado em um polígono, relaciona informações tais como área e perímetro do polígono, dimensão linear e coordenadas absolutas das extremidades de cada aresta e o ângulo entre cada par de arestas.

 

Provas

Questão presente nas seguintes provas
1675654 Ano: 2004
Disciplina: Arquitetura
Banca: CESPE / CEBRASPE
Orgão: INPA
Provas:

O AutoCAD possui muitos comandos auxiliares do desenho. No que se refere a esses comandos e suas aplicações, julgue os itens a seguir.

O comando Zoom -> Window permite abrir uma janela de seleção com o auxílio do cursor para ampliar apenas a área abrangida pela janela.

 

Provas

Questão presente nas seguintes provas
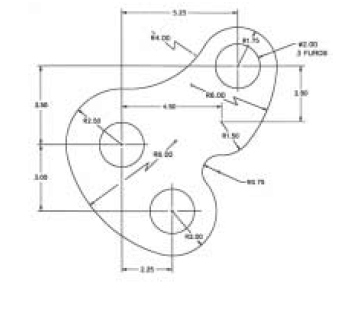
1675653 Ano: 2004
Disciplina: Arquitetura
Banca: CESPE / CEBRASPE
Orgão: INPA
Provas:

O AutoCAD possui muitos comandos auxiliares do desenho. No que se refere a esses comandos e suas aplicações, julgue os itens a seguir.

O traçado de figuras que combinem arcos e retas em concordância, como ilustrado na figura abaixo, é um desafio no desenho com instrumentos convencionais como régua, esquadro e compasso. No AutoCAD, esse traçado é simplificado pelo uso de comandos como Circle ´-> TTR, complementado com o comando Trim ou pelo uso da opção Osnap -> Tangent em conjunto com o comando Line.

Enunciado 1675653-1

 

Provas

Questão presente nas seguintes provas
1675652 Ano: 2004
Disciplina: Arquitetura
Banca: CESPE / CEBRASPE
Orgão: INPA
Provas:

O AutoCAD possui muitos comandos auxiliares do desenho. No que se refere a esses comandos e suas aplicações, julgue os itens a seguir.

Pode-se desenhar mais facilmente perspectivas isométricas mudando-se a grade ortogonal padrão para uma retícula isométrica com o comando Snap, opções Style-Isometric.

 

Provas

Questão presente nas seguintes provas
1675651 Ano: 2004
Disciplina: Arquitetura
Banca: CESPE / CEBRASPE
Orgão: INPA
Provas:

Enunciado 1675651-1

Considerando a figura acima e o fato de que as versões mais recentes do AutoCAD permitem elaborar modelos 3D associados a bancos de dados e de informações utilizados como base para estudo, representação, avaliação e obtenção das vistas ortográficas, julgue os itens que se seguem.

O comando 3DORBIT permite que um modelo 3D possa ser visualizado interativamente e em tempo real a partir de qualquer ponto de vista no espaço 3D.

 

Provas

Questão presente nas seguintes provas
1675650 Ano: 2004
Disciplina: Arquitetura
Banca: CESPE / CEBRASPE
Orgão: INPA
Provas:

Enunciado 1675650-1

Considerando a figura acima e o fato de que as versões mais recentes do AutoCAD permitem elaborar modelos 3D associados a bancos de dados e de informações utilizados como base para estudo, representação, avaliação e obtenção das vistas ortográficas, julgue os itens que se seguem.

O conector da figura considerada poderia ter sido construído com técnicas da geometria construtiva de sólidos (CSG), na qual cada uma das partes é descrita por uma vista ortográfica de um perfil que ganha espessura por extrusão.

 

Provas

Questão presente nas seguintes provas