Foram encontradas 70 questões.

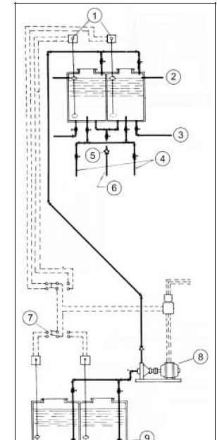
A respeito da figura anterior, que mostra esquematicamente o desenho de alguns componentes de instalações elétrica e hidráulica típicas para o bombeamento de água em um prédio, julgue as associações propostas, nos itens que se seguem, entre número e nome do componente.
7 chave de faca trifásica
Provas

A respeito da figura anterior, que mostra esquematicamente o desenho de alguns componentes de instalações elétrica e hidráulica típicas para o bombeamento de água em um prédio, julgue as associações propostas, nos itens que se seguem, entre número e nome do componente.
6 tubulação para combate a incêndio
Provas

A respeito da figura anterior, que mostra esquematicamente o desenho de alguns componentes de instalações elétrica e hidráulica típicas para o bombeamento de água em um prédio, julgue as associações propostas, nos itens que se seguem, entre número e nome do componente.
5 válvula de retenção
Provas

A respeito da figura anterior, que mostra esquematicamente o desenho de alguns componentes de instalações elétrica e hidráulica típicas para o bombeamento de água em um prédio, julgue as associações propostas, nos itens que se seguem, entre número e nome do componente.
4 tubulação de limpeza
Provas

A respeito da figura anterior, que mostra esquematicamente o desenho de alguns componentes de instalações elétrica e hidráulica típicas para o bombeamento de água em um prédio, julgue as associações propostas, nos itens que se seguem, entre número e nome do componente.
3 tubulação de distribuição de água
Provas

A respeito da figura anterior, que mostra esquematicamente o desenho de alguns componentes de instalações elétrica e hidráulica típicas para o bombeamento de água em um prédio, julgue as associações propostas, nos itens que se seguem, entre número e nome do componente.
2 ladrão
Provas

A respeito da figura anterior, que mostra esquematicamente o desenho de alguns componentes de instalações elétrica e hidráulica típicas para o bombeamento de água em um prédio, julgue as associações propostas, nos itens que se seguem, entre número e nome do componente.
1 chave de bóia
Provas
A seleção apropriada e o controle de propriedades de materiais são de fundamental importância para o desempenho de obras civis. Acerca desse assunto, julgue os itens subseqüentes.
CP I é a designação usual para o cimento Portland comum.
Provas
A seleção apropriada e o controle de propriedades de materiais são de fundamental importância para o desempenho de obras civis. Acerca desse assunto, julgue os itens subseqüentes.
Exsudação é um fenômeno de segregação da água que prejudica a uniformidade, a resistência e a durabilidade de concretos.
Provas
A seleção apropriada e o controle de propriedades de materiais são de fundamental importância para o desempenho de obras civis. Acerca desse assunto, julgue os itens subseqüentes.
Não se deve utilizar seixos rolados para a confecção de concretos.
Provas
Caderno Container