Foram encontradas 60 questões.

Provas
Questão presente nas seguintes provas
Considerando os múltiplos e submúltiplos das unidades de medida, assinale a opção que contém uma conversão correta.
Provas
Questão presente nas seguintes provas

A figura acima representa o diagrama de um tipo de amplificador de diferença utilizado para medir a diferença entre dois potenciais de entrada, v1 e v2 Tendo como referência esse circuito, assinale a opção correta.
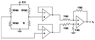
Provas
Questão presente nas seguintes provas

A figura acima corresponde ao diagrama de um circuito usado para medir temperatura por meio de um termistor do tipo NTC, representado pelo resistor de resistência R. Considere que, à temperatura de 25 º C, R é igual a 10 kΩ e que, a 30 º C, R é igual a 9 kΩ Considerando ainda que todos os componentes do circuito são ideais, assinale a opção correta acerca desse sistema de medição.
Provas
Questão presente nas seguintes provas

A figura acima mostra o diagrama de um amplificador que será usado para amplificar o sinal produzido por um sensor que pode ser modelado como uma fonte de tensão, cuja tensão varia entre 0 mV e 100 mV, em série com uma resistência de 1 kΩ Um terminal do sensor está conectado ao terminal B, e o outro, que tem potencial positivo, ao terminal A. Considerando que todos os componentes do amplificador sejam ideais, assinale a opção correta.
Provas
Questão presente nas seguintes provas

Com base no circuito elétrico mostrado na figura acima, assinale a opção correta.
Provas
Questão presente nas seguintes provas
Para medir a corrente elétrica em um fio condutor, um técnico utilizou um amperímetro analógico e determinou, em seu visor, a indicação 2,205 A. Consultando um relatório relativo a testes feitos com esse aparelho, o técnico observou que a resolução do aparelho era de apenas 0,1 A. Com base nessas informações, assinale a opção correta.
Provas
Questão presente nas seguintes provas
Realizando um grande número de medições de teste, a tendência de um instrumento de medição pode ser determinada com base na
Provas
Questão presente nas seguintes provas
Assinale a opção que contém um valor de pressão grafado corretamente em unidades do Sistema Internacional de Unidades.
Provas
Questão presente nas seguintes provas
Dois voltímetros, A e B, foram calibrados e então utilizados para realizar um grande número de medidas de uma voltagem de 30 mV (valor verdadeiro). Os valores obtidos com o voltímetro A apresentaram média e desvio padrão igual a 27 mV e a 1 mV, respectivamente; e os valores obtidos com o voltímetro B, média igual a 31 mV e desvio padrão igual a 3 mV. Com base nessas informações, é correto afirmar que
Provas
Questão presente nas seguintes provas
Cadernos
Caderno Container