Foram encontradas 40 questões.
Circuitos lógicos formados por transistores bipolares, operando com tensão de alimentação de 5V, com margem de ruído aproximada de 0,4V e retardo de propagação típico de 10 ns por porta,são característicos da família lógica:
Provas
Um circuito integrado da família lógica TTL, utilizado para fins comerciais e baseado no transistor Schottky com potência normal, tem o seguinte prefixo:
Provas
O circuito abaixo representa um contador em anel. A chave, inicialmente, tem valor lógico zero. Depois que essa chave passa para nível lógico 1, os estados de contagem que serão demonstrados continuamente nos leds L1, L2, L3 e L4, respectivamente, serão:

Provas
O circuito da figura abaixo é um esquema simplificado de um regulador Zener. Considere que VZ0 = 5.1 V e despreze sua resistência dinâmica rZ. A corrente máxima permitida em RL é de 25 mA e IZmin é de 5 mA. É correto afirmar que:

Provas
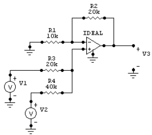
No circuito da figura abaixo, considere um amplificador operacional ideal, operando na região linear, e os valores dos resistores dados em Ohms. O circuito implementa a equação:

Provas
No circuito da figura abaixo, considere um amplificador operacional ideal, operando na região linear, e os valores dos resistores dados em Ohms. O circuito implementa a equação:

Provas
No circuito da figura abaixo, considere um amplificador operacional ideal e os valores dos resistores dados em Ohms. O circuito implementa um:

Provas
No circuito da figura abaixo, considere um amplificador operacional ideal, operando na região linear. Considere ainda que, a partir de t = 0s, foi aplicada a entrada v1 = A1 cos (w1 t). No regime permanente, a saída será dada por v2 = A2 cos (w1 t + !$ \phi !$). Nesse caso, para que se obtenha um acréscimo de fase !$ \phi !$ = -45o, a freqüência w1 deve valer:

Provas
No circuito da figura abaixo, considere um amplificador operacional ideal, operando na região linear. O circuito implementa um:

Provas
No circuito da figura abaixo, considere um amplificador operacional ideal, operando na região linear. A entrada é dada por v1 = A cos (wt). Para que o valor da saída v2 seja sempre negativo, deve-se garantir que:

Provas
Caderno Container