Foram encontradas 60 questões.
Para o circuito da figura a seguir, determine a impedância equivalente no formato retangular. Considere o valor arredondado sem casas decimais.

Provas
Sabendo que as lâmpadas apresentam as potências de 40W e 80W se forem ligadas diretamente na rede elétrica na tensão de 100V, determine a resistência medida pelo ohmímetro no circuito elétrico se elas foram ligadas conforme o esquema elétrico da figura abaixo.

Provas
Sabendo que as lâmpadas apresentam as potências de 40W e 80W se forem ligadas diretamente na rede elétrica na tensão de 100V, determine a tensão medida pelo voltímetro no circuito elétrico se as lâmpadas forem ligadas conforme o esquema elétrico da figura abaixo. Considere todas as tensões RMS e que todos os valores devem ser arredondado com 2 casas decimais.

Provas
Sabendo que as lâmpadas apresentam as potências de 40W, 80W e 120W se forem ligadas diretamente na rede elétrica na tensão de 100V, determine a corrente medida pelo amperímetro no circuito elétrico se elas foram ligadas conforme o esquema elétrico da figura abaixo. Considere todas as tensões RMS e que o valor da corrente deve ser arredondado com 3 casas decimais.

Provas
Sabendo que as lâmpadas apresentam as potências de 40W, 60W e 100W se forem ligadas diretamente na rede elétrica na tensão de 100V, determine a resistência equivalente do circuito elétrico se elas foram ligadas conforme o esquema elétrico da figura abaixo. Considere todas as tensões RMS e o valor das resistências arredondado sem casas decimais.

Provas
Determine o número mínimo de lâmpadas necessárias para um ambiente classe B que requer 1500 lux pelo método dos lumens. Para o projeto, será adotada uma lâmpada LED de 20W que possui 1200 lm. Considere a altura útil do pé direito de 3m, que o teto é claro, a parede é média, o piso é escuro, o ambiente é limpo e que será feita manutenção em até 5.000 horas.

|
AMBIENTE |
PERÍODO DE MANUTENÇÃO |
||
|
2,500 hs |
5.000 hs |
7500 hs |
|
|
Limpo |
0,95 |
0,91 |
0,88 |
|
Normal |
0,91 |
0,85 |
0,80 |
|
Sujo |
0,80 |
0,66 |
0,57 |
![]()
|
TETO (%) |
70 |
50 |
30 |
0 |
|||||
|
PAREDE (%) |
50 |
30 |
10 |
50 |
30 |
10 |
30 |
10 |
0 |
|
PISO (%) |
10 |
10 |
10 |
0 |
|||||
|
K |
Fator de utilização (%) |
||||||||
|
0,6 |
34 |
29 |
26 |
33 |
29 |
26 |
29 |
26 |
25 |
|
0,8 |
40 |
36 |
33 |
39 |
35 |
32 |
35 |
32 |
31 |
|
1,00 |
45 |
41 |
38 |
44 |
41 |
38 |
40 |
38 |
36 |
|
1,25 |
50 |
46 |
43 |
49 |
45 |
43 |
45 |
42 |
41 |
|
1,50 |
53 |
50 |
47 |
52 |
49 |
46 |
48 |
46 |
45 |
|
2,00 |
58 |
55 |
52 |
56 |
54 |
52 |
53 |
51 |
50 |
|
2,50 |
60 |
58 |
56 |
59 |
57 |
55 |
56 |
55 |
53 |
|
3,00 |
62 |
60 |
58 |
61 |
59 |
58 |
58 |
57 |
55 |
|
4,00 |
64 |
63 |
61 |
63 |
62 |
60 |
61 |
59 |
58 |
|
5,00 |
66 |
64 |
63 |
64 |
63 |
62 |
62 |
61 |
59 |
Provas
Com base na tabela abaixo sobre queda de tensão para uma carga ligada em 110V, determine a seção para o condutor de cobre do circuito 1 do diagrama unifilar para uma queda de tensão na carga de 3%.
|
Condutor (mm2) |
% de queda de tensão |
|||
|
1% |
2% |
3% |
4% |
|
|
!$ \sum !$ P (Watts) x L (m) |
||||
|
1,5 |
5263 |
10526 |
15789 |
21052 |
|
2,5 |
8773 |
17546 |
26319 |
35092 |
|
4,0 |
14036 |
28072 |
42108 |
56144 |
|
6,0 |
21054 |
42108 |
63162 |
84216 |
|
10,0 |
35090 |
70100 |
105270 |
140360 |
|
16,0 |
56144 |
112288 |
168432 |
224576 |
|
25,0 |
87725 |
175450 |
263175 |
350900 |

Provas
Com base na norma brasileira de instalações elétricas (NBR-5410), determine a previsão de cargas de iluminação para o dormitório de uma residência.

Provas
Pode-se afirmar que, no sistema de aterramento TT:
Provas
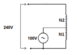
Determine o número de espiras em N1 e N2 para o autotransformador ideal abaixo, sabendo que a seção magnética do núcleo é de 60 cm2 e que N1 + N2 é o número total de espiras do transformador.

Provas
Caderno Container