Foram encontradas 60 questões.
Analise as assertivas a seguir referente ao item “Seleção do DPS” da NBR-5410 para proteção de linhas de telefonia em par trançado, assinalando V, se verdadeiras, ou F, se falsas.
( ) Tensão de disparo c.c. – O valor da tensão de disparo c.c. deve ser de no máximo 600 V e no mínimo 300 V quando a linha telefônica for balanceada aterrada, ou 400 V quando a linha telefônica for flutuante.
( ) Tensão de disparo impulsiva – O valor da tensão de disparo impulsiva do DPS deve ser de no máximo 1 kV.
( ) Corrente de descarga impulsiva – A corrente de descarga impulsiva do DPS deve ser de no mínimo 2 kA quando a blindagem da linha telefônica for aterrada, e de no mínimo 5 kA quando a blindagem não for aterrada. Recomenda-se valores maiores em regiões críticas sob o ponto de vista da intensidade dos raios.
( ) Corrente de descarga c.a – O valor da corrente de descarga c.a. do DPS deve ser de no mínimo 10 A. Recomenda-se valores maiores em regiões críticas sob o ponto de vista da intensidade dos raios.
A ordem correta de preenchimento dos parênteses, de cima para baixo, é:
Provas
Com base na norma brasileira de instalações elétricas (NBR-5410), determine o número de TUG para o dormitório de uma residência.

Provas
Para o circuito a seguir, determine a máxima corrente fornecida pela fonte sabendo que Vz = 5,6V@50mA.

Provas
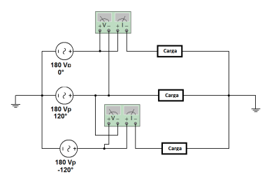
Em um sistema trifásico equilibrado, foram conectadas três cargas resistivas iguais em cada uma das fases. O sistema permaneceu ligado ao longo do dia por 24 horas, durante 30 dias. Um medidor de energia registrou um consumo de 21.6 KWh. Determine a leitura da potência dos wattímetros.

Provas
Determine o número de condutores de descida, conforme a norma NBR 5419 para o projeto de SPDA, do para-raios Franklin para atender uma residência que requer nível de proteção IV da questão anterior.

Nível de Proteção | Espaçamento Médio (metros) |
I | 10 |
II | 15 |
III | 20 |
IV | 25 |
Provas
Conforme a norma NBR 5419 para o projeto de SPDA, determine a área da construção do prédio protegida por 4 para-raios, sabendo que a altura da haste de cada um dos para-raios Franklin que atende uma residência que requer nível de proteção IV é de 4m. Considere todos os valores arredondados com 2 casas decimais. tan25° = 0,47; tan35° = 0,7; tan55° = 1,43
|
Nível de Proteção |
Ângulo de proteção (a) em graus, em função da altura da ponta do captor em relação ao solo em metros. (b) |
|||
|
h !$ ≤ !$ 20 |
20 <h !$ ≤ !$30 |
30 <h !$ ≤ !$ 45 |
45 <h !$ ≤ !$ 60 |
|
|
IV |
55 |
45 |
35 |
25 |
|
III |
45 |
35 |
25 |
a |
|
II |
35 |
25 |
a |
a |
|
I |
25 |
a |
a |
a |

Provas
Baseando-se na placa de identificação do motor a seguir, determine a corrente de pico se o motor for ligado em 660V.

Provas
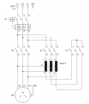
A partir do esquema de ligação do motor de indução trifásico da figura a seguir, pode-se afirmar que o esquema de ligação é uma partida do tipo:

Provas
Identifique corretamente a simbologia utilizada em instalações elétricas. Considere que nas alternativas a descrição obedece a ordem A, B, C e D da tabela.

Provas
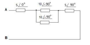
Para o circuito a seguir, determine a impedância equivalente na forma retangular entre os terminais A e B.

Provas
Caderno Container