Foram encontradas 1.430 questões.
Com relação às características de um sistema elétrico trifásico, julgue o próximo item.
Em um sistema trifásico no qual há tensões e correntes equilibradas, com fases a, b e c, as correntes nas fases b e c têm valores idênticos à corrente na fase a, exceto por um deslocamento de fase que, em módulo, é igual a 120º. A mesma constatação aplica-se à tensão. Em um sistema de sequência positiva, assumindo a fase a como referência, convenciona-se ter as grandezas das fases b e c 120º atrasada e adiantada, respectivamente, em relação à grandeza da fase a.
Provas
Com relação às características de um sistema elétrico trifásico, julgue o próximo item.
Diferentemente da potência instantânea pulsante de um sistema elétrico monofásico, a potência instantânea de qualquer sistema trifásico é constante.
Provas
Com relação às características de um sistema elétrico trifásico, julgue o próximo item.
Dois wattímetros W1 e W2 são inseridos em uma rede trifásica equilibrada, conforme a figura a seguir. Admitindo-se que a impedância Zf possua amplitude de 20 S e fase 60º e que a tensão de fase na carga seja de 220 V, a soma das potências médias lidas pelos wattímetros é inferior a 2.500 W.

Provas
Acerca das características de instrumentos utilizados em medições elétricas, julgue o item a seguir.
O acoplamento de um sinal elétrico à entrada de um osciloscópio pode ser do tipo DC (DC coupling) ou AC (AC coupling). Optando-se pelo acoplamento DC, apenas a componente DC do sinal é visualizada no osciloscópio. O acoplamento AC, no entanto, permite a visualização completa do sinal, exibindo suas componentes AC e DC.
Provas
Acerca das características de instrumentos utilizados em medições elétricas, julgue o item a seguir.
Da mesma forma que a conexão equivocada de um amperímetro em paralelo com um trecho de circuito sob medição pode danificar o circuito e o próprio amperímetro, a conexão em série de um voltímetro necessariamente irá causar danos ao circuito e ao próprio instrumento de medição.
Provas
Acerca das características de instrumentos utilizados em medições elétricas, julgue o item a seguir.
Contrariamente a um amperímetro convencional — com duas pontas de prova —, o uso de um amperímetro alicate para medição de corrente elétrica não requer a abertura do circuito sob medição para conexão série do instrumento medidor. Todavia, o uso de amperímetros alicates é restrito a medições em circuitos que funcionam em corrente alternada.
Provas
Acerca das características de instrumentos utilizados em medições elétricas, julgue o item a seguir.
Sabendo-se que a resolução do mostrador digital de um amperímetro depende do número total de contagens que podem ser vizualizadas, sendo definida como a razão entre a menor e a maior contagem, então a resolução de um amperímetro de mostrador digital do tipo três dígitos e meio é de 0,05%.
Provas
Acerca das características de instrumentos utilizados em medições elétricas, julgue o item a seguir.
Considere que a tensão cujo valor exato é Vp = 1,3 V tenha sido aplicada à entrada de um voltímetro que foi ajustado na escala de 2 V. Assumindo-se que esse instrumento seja especificado com a exatidão — acurácia — de ± (25 ppm da leitura + 5 ppm da escala), em que ppm significa partes por milhão, o erro associado à medição da tensão Vp é igual a ±42,5 × 10-6 V.
Provas
Acerca das características de instrumentos utilizados em medições elétricas, julgue o item a seguir.
Alguns osciloscópios possuem impedância de entrada ajustável em 50 !$ \Omega !$ ou 1 M!$ \Omega !$. Quando se realiza monitoramento de sinal na saída de um dispositivo eletrônico com forte limitação de corrente, a impedância de entrada desse tipo de osciloscópio deve ser preferencialmente fixada em 50 !$ \Omega !$.
Provas

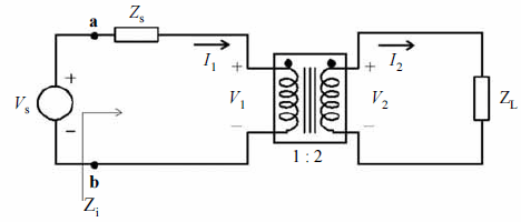
Um transformador ideal, com razão de espiras do primário para o secundário de 1:2, é alimentado, em seu primário, por um gerador senoidal VS de amplitude 10 VRMS e fase 30º, em série com uma impedância ZS de amplitude !$ 10\sqrt{2}\Omega !$ e fase 45º. O secundário do transformador é conectado a uma impedância de carga de amplitude !$ 40\sqrt{2}\Omega !$ e fase 315º. Com base nessas informações e no esquema desse circuito, fornecido acima, julgue o item subsequente.
A potência média dissipada pela carga conectada ao secundário do transformador é inferior a 3 W.
Provas
Caderno Container