Foram encontradas 120 questões.

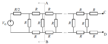
Considerando que uma rede ideal arbitrariamente extensa de células elementares seja alimentada por uma fonte de tensão Vo em série com uma resistência de valor R/2, conforme esquema acima, julgue os itens seguintes.
O circuito equivalente de Thévenin, visto à esquerda do segmento A–B, sem a rede do lado direito desse segmento ligada, é obtido por meio da associação em série de uma fonte de tensão de valor V!$ _\sigma !$/3 e uma resistência de valor igual a !$ \dfrac{3R}{10} !$
Provas

Considerando que uma rede ideal arbitrariamente extensa de células elementares seja alimentada por uma fonte de tensão Vo em série com uma resistência de valor R/2, conforme esquema acima, julgue os itens seguintes.
Caso a rede elétrica à direita do segmento A-B fosse substituída por uma carga de resistência R, a razão entre a potência suprida pela fonte de tensão e a potência dissipada por essa carga seria igual a 1,7.
Provas

Considerando que uma rede ideal arbitrariamente extensa de células elementares seja alimentada por uma fonte de tensão Vo em série com uma resistência de valor R/2, conforme esquema acima, julgue os itens seguintes.
Uma fonte de corrente de intensidade !$ \dfrac{10V_o}{9R} !$ em paralelo com uma resistência de !$ \dfrac{3R}{10} !$ é eletricamente equivalente à rede elétrica representada pelo circuito à esquerda do segmento A–B, quando esta estiver desconectada da rede elétrica do lado direito do segmento A-B.
Provas

Acerca do circuito ideal ilustrado na figura acima, constituído de uma fonte de corrente contínua, uma bateria e resistores, julgue o próximo item.
Caso seja conectado aos terminais a e b do circuito, um amperímetro ideal detectará corrente de 1,25 mA.
Provas

Acerca do circuito ideal ilustrado na figura acima, constituído de uma fonte de corrente contínua, uma bateria e resistores, julgue o próximo item.
O máximo fornecimento de potência a uma resistência de carga, quando conectada aos terminais a e b, ocorre quando o valor dessa resistência for igual a 1,6 k!$ \Omega !$.
Provas

Acerca do circuito ideal ilustrado na figura acima, constituído de uma fonte de corrente contínua, uma bateria e resistores, julgue o próximo item.
As potências supridas pela fonte de corrente e pela bateria são, respectivamente, menores que 7 mW e 15 mW.
Provas

Acerca do circuito ideal ilustrado na figura acima, constituído de uma fonte de corrente contínua, uma bateria e resistores, julgue o próximo item.
Conectando-se uma bateria de 18 V aos terminais a e b do circuito, com o polo positivo ligado ao terminal a, a resistência de entrada vista pela bateria será maior que 3 k!$ \Omega !$.
Provas

Considerando que uma bateria de 12 V alimente as resistências de carga R, 2R e 3R ligadas na forma de um pentagrama, conforme mostrado na figura acima, julgue o iteam que se segue, sabendo que os elementos do circuito são ideais.
Assumindo R = 100 !$ \Omega !$, a potência total dissipada pelas resistências do pentagrama é maior que 800 mW.
Provas

Considerando que uma bateria de 12 V alimente as resistências de carga R, 2R e 3R ligadas na forma de um pentagrama, conforme mostrado na figura acima, julgue o item que se segue, sabendo que os elementos do circuito são ideais.
A resistência equivalente vista nos terminais da bateria é igual a 1,25 R.
Provas

Considerando que uma bateria de 12 V alimente as resistências de carga R, 2R e 3R ligadas na forma de um pentagrama, conforme mostrado na figura acima, julgue o item que se segue, sabendo que os elementos do circuito são ideais.
Conectando-se as pontas de prova preta e vermelha de um multímetro, respectivamente, aos pontos C e B do pentagrama, a diferença de potencial que deve ser lida é inferior a 3,2 V.
Provas
Caderno Container