Foram encontradas 50 questões.
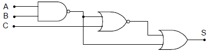
O circuito digital a seguir contém 3 entradas “A”,
“B” e “C” e uma saída “S”. Assinale a alternativa
que contém a tabela-verdade correta relativa ao
funcionamento de tal circuito.


Provas
Questão presente nas seguintes provas
Sobre multiplexadores e de multiplexadores digitais,
assinale a alternativa correta.
Provas
Questão presente nas seguintes provas
No que diz respeito a amplificadores operacionais
ideais, assinale a alternativa correta.
Provas
Questão presente nas seguintes provas
- Amplificadores em Eletrônica
- Eletrônica Analógica na Engenharia Eletrônica
- Engenharia de Áudio e Telecomunicações
A respeito das classes de amplificadores de áudio,
assinale a alternativa correta.
Provas
Questão presente nas seguintes provas
No que diz respeito aos tiristores assinale a
alternativa correta.
Provas
Questão presente nas seguintes provas
Sobre circuitos digitais sequenciais, assinale a
alternativa incorreta.
Provas
Questão presente nas seguintes provas
O circuito da figura a seguir executa a funcionalidade da função lógica:

Provas
Questão presente nas seguintes provas
Sobre microcontroladores e sistemas
microcontrolados, assinale a alternativa correta.
Provas
Questão presente nas seguintes provas
- Conversores Analógicos Digitais (AD) e Digitais Analógicos (DAC)
- Eletrônica Digital na Engenharia Eletrônica
Sobre conversores AC/DC e reguladores de tensão,
assinale a alternativa correta.
Provas
Questão presente nas seguintes provas
A figura a seguir contém um circuito digital
desconhecido, com 3 entradas “A”, “B” e “C”, e
uma saída “S”. Baseado na tabela-verdade
apresentada, indique a alternativa que contém a
expressão lógica mais simplificada correspondente
a tal circuito.


Provas
Questão presente nas seguintes provas
Cadernos
Caderno Container