Foram encontradas 40 questões.
O esquema de aterramento, definido pela NBR 5410/2004, onde um ponto da alimentação, em geral o neutro, é diretamente aterrado e as massas dos equipamentos elétricos são ligadas a esse ponto por um condutor de proteção é designado pela simbologia:
Provas
Questão presente nas seguintes provas
A integral de joule (I2t) de um condutor de cobre/XLPE, 70 mm2, é de 100.200x103 A2S. Supondo um aquecimento adiabático, uma corrente de curto simétrica de 5000 A será suportada no limite, sem dano à isolação, por um tempo aproximado de:
Provas
Questão presente nas seguintes provas
Um motor trifásico de doze cabos cujas tensões terminais sejam 220/380/440/(760)V, ao ser alimentado por uma linha trifásica de 440 V, deve ser conectado em regime permanente em
Provas
Questão presente nas seguintes provas
Considere que:
- IB é a corrente de projeto de um circuito elétrico;
- Iz é a capacidade de condução de corrente dos condutores nas condições previstas para a sua instalação;
- IN é a corrente nominal do dispositivo de proteção (ou a corrente de ajuste para dispositivos ajustáveis) e
- I2 é a corrente convencional de atuação (para disjuntores) ou a corrente convencional de fusão (para fusíveis).
Para que a proteção dos condutores contra sobrecargas fique assegurada, as características de atuação do seu dispositivo de proteção devem ser tais que:
Provas
Questão presente nas seguintes provas
Quanto ao regime de funcionamento dos motores elétricos, afirma-se que:
I. No Regime S1, quando o motor é desligado, só retorna à operação quando todas as suas partes componentes estão em equilíbrio com o meio exterior.
II. O Regime S5 é caracterizado por uma seqüência de ciclos semelhantes, em que cada ciclo consiste de um intervalo de partida bastante longo, capaz de elevar significativamente a temperatura do motor, um período de ciclo a carga constante, seguido de um período de frenagem elétrica e finalmente um período de repouso o suficiente para que o motor atinja o seu equilíbrio.
III. O Regime de tempo limitado (S2) é aquele em que o motor é acionado à carga constante por um dado intervalo de tempo, inferior ao necessário para alcançar o equilíbrio térmico, seguindo-se um período de tempo em repouso o suficiente para permitir ao motor atingir a temperatura do meio refrigerante.
Estão corretas as afirmativas
Provas
Questão presente nas seguintes provas
A categoria de utilização de contatores referente a manobra de motores com rotor em curtocircuito em regime normal é
Provas
Questão presente nas seguintes provas
A velocidade de um motor de indução trifásico, de categoria N, alimentado através de uma rede de 380 / 220 V – 60 Hz, à plena carga, é de 1675 rpm. É certo afirmar que seu escorregamento percentual é de
Provas
Questão presente nas seguintes provas
As lâmpadas incandescentes L1, L2 e L3 do circuito abaixo têm respectivamente 100 W, 60 W e 40 W de potência para uma tensão nominal de 220 VEF.

De acordo com o circuito, analise as seguintes afirmativas:
I. Com as chaves CH1 e CH2 fechadas, a lâmpada L2 terá mais brilho que a lâmpada L3.
II. Com as chaves CH1 e CH2 abertas, a lâmpada L1 terá mais brilho que a lâmpada L3.
III. Com a chave CH1 aberta e com a chave CH2 fechada, a lâmpada L3 terá menor brilho que as demais.
Estão corretas as afirmativas
Provas
Questão presente nas seguintes provas
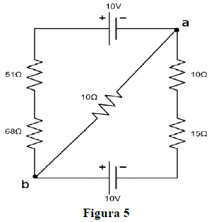
Observe o circuito abaixo.

A alternativa que apresenta o valor correto da tensão Vab, entre pontos a e b do circuito é de
Provas
Questão presente nas seguintes provas
A chave compensadora, quando comparada à chave estrela-triângulo, apresenta as seguintes vantagens:
I. Não tem limitação de número de manobras por hora.
II. Não tem restrição quanto ao número de cabos do motor e quanto ao tipo de conexão em regime permanente.
III. Na passagem de tensão reduzida para tensão plena o segundo pico de corrente é bem reduzido porque o motor não é desligado da rede, uma vez que o autotransformador se comporta como uma reatância em série.
Das assertivas acima são verdadeiras:
Provas
Questão presente nas seguintes provas
Cadernos
Caderno Container