Foram encontradas 200 questões.
Os inversores de frequência são usados amplamente na indústria e substituíram variadores de
velocidade mecânicos, eletromagnéticos e hidráulicos. A respeito dos inversores de frequência, são
feitas as seguintes afirmações:
I. Inversores de frequência podem alterar o módulo e a frequência da tensão da rede trifásica de alimentação de um motor trifásico.
II. A tensão de entrada e de saída de um inversor de frequência são sempre ondas senoidais.
III. Inversores de frequência podem trabalhar com entradas monofásicas. No entanto, seu número de fases de saída será sempre igual ao número de fases de entrada.
IV. A aceleração e a frenagem de motores podem ser controladas com inversores de frequência.
Sobre as afirmações apresentadas podemos dizer que são corretas apenas:
I. Inversores de frequência podem alterar o módulo e a frequência da tensão da rede trifásica de alimentação de um motor trifásico.
II. A tensão de entrada e de saída de um inversor de frequência são sempre ondas senoidais.
III. Inversores de frequência podem trabalhar com entradas monofásicas. No entanto, seu número de fases de saída será sempre igual ao número de fases de entrada.
IV. A aceleração e a frenagem de motores podem ser controladas com inversores de frequência.
Sobre as afirmações apresentadas podemos dizer que são corretas apenas:
Provas
Questão presente nas seguintes provas
Assinale a alternativa correta sobre sensores
capacitivos, indutivos e magnéticos.
Provas
Questão presente nas seguintes provas
Um microcontrolador tem conversores analógicos digitais internos. Esses conversores são
responsáveis por transformar uma entrada analógica de tensão externa em um valor digital interno.
Para que essa conversão ocorra de maneira correta,
devem ser obedecidos os valores máximos e mínimos de tensão permitidos pelo microcontrolador e
a quantidade de bits com que esse conversor trabalha. Um microcontrolador que trabalha em uma
faixa de tensão de 0 a 5,0 Volts e com 10 bits faz a
leitura de um sensor de temperatura que consegue
ler temperaturas entre 0 e 100ºC e tem, como saída, tensões de 0 a 5,0 Volts. Pode-se afirmar que:
Provas
Questão presente nas seguintes provas
Os sistemas de medições em máquinas CNC
podem ser absolutos ou incrementais. Assinale a
alternativa que contenha a afirmação verdadeira
sobre sistemas de medição.
Provas
Questão presente nas seguintes provas
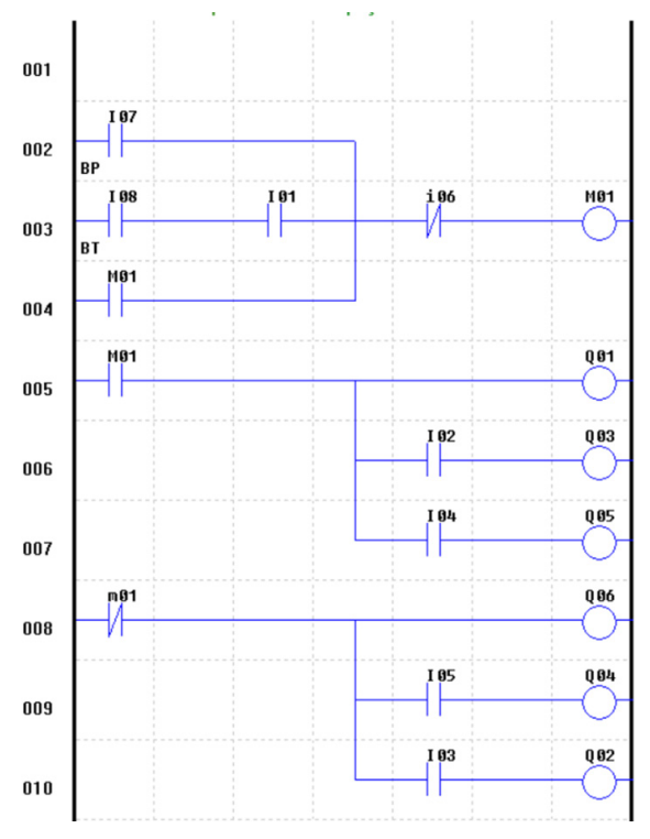
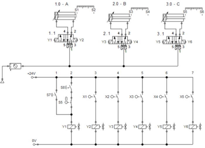
Analise o circuito eletropneumático a seguir e o código LADDER que o controla. Assinale a alternativa que representa a sequência algébrica da movimentação do sistema (BP-Botão pulsante e BT-Botão
com trava):


Fonte: IFSP, 2023.


Fonte: IFSP, 2023.
Provas
Questão presente nas seguintes provas
Um estudante deseja realizar uma medição
de tensão elétrica em um circuito. Ele tem, em
mãos, um multímetro com ajuste de escala automático. Sabe-se também que este multímetro tem
4 entradas diferentes contendo em cada uma delas
os textos (A, mA, V e COM). Sobre essa medição,
pode-se afirmar que:
Provas
Questão presente nas seguintes provas
“As dimensões dos componentes devem ser
precisas, pois auxiliam no processo de montagem
e desempenho do conjunto fabricado. Por meio
delas, são dimensionados o tipo de ajustes entre
peças e métodos e sequência de montagem a serem
realizados. Por isso, dependendo do que se quer
medir, há um instrumento de medição adequado
ao processo, que garante as dimensões e qualidade
das peças fabricadas.”
Em relação aos instrumentos de medida, pode-se afirmar que:
Em relação aos instrumentos de medida, pode-se afirmar que:
Provas
Questão presente nas seguintes provas
Analise o circuito LADDER a seguir e assinale a alternativa correta

Fonte: IFSP, 2023.

Fonte: IFSP, 2023.
Provas
Questão presente nas seguintes provas
A protoboard, também conhecida por matriz
de contatos ou placa de prototipagem é uma placa plástica furada com conexões metálicas internas que propiciam a montagem de circuitos com
componentes elétricos em testes de bancada. Nas
imagens mostradas a seguir, os pontos circulares
indicam os furos na parte plástica e as barras entre eles indicam as ligações metálicas internas. Assinale a alternativa que indica a ligação metálica interna correta:
Provas
Questão presente nas seguintes provas
Analise o circuito eletropneumático e o diagrama trajeto/passo a seguir. Assinale a alternativa que
contenha a montagem correta dos sensores para que o circuito funcione segundo o diagrama trajeto/passo:


Fonte: IFSP, 2023.


Fonte: IFSP, 2023.
Provas
Questão presente nas seguintes provas
Cadernos
Caderno Container