Foram encontradas 80 questões.
Considere as afirmações abaixo sobre as categorias de motores de indução, conforme classificação comercial:
I – Os motores das categorias A e B são semelhantes, mas, os da B possuem menor corrente de partida, e são preferíveis para potências maiores do que 5 HP.
II – Os motores da categoria A possuem a melhor regulação de velocidade entre as cinco categorias.
III – Os motores da categoria C, com maior torque que os da A e B, são recomendados para utilização com cargas instantâneas elevadas, e de grande inércia.
IV – Os motores da classe D, são adequados para cargas que exigem torque elevado, com aplicação de cargas súbitas.
V - Os motores da classe F possuem alta corrente de partida, sendo normalmente produzidos para potências altas, acima de 25 HP.
Está(ão) correta(s) a(s) afirmativa(s):
Provas
O motor de corrente contínua foi largamente utilizado para controle de velocidade e torque de diversos processos industriais, porém, nas últimas décadas vem perdendo espaço para o motor de indução trifásico acionado com inversor de frequência devido sua maior robustez e menores custos de manutenção. Assinale a seguir a alternativa que apresenta partes constituintes de um motor de corrente contínua.
Provas
Qual o valor da queda de tensão no resistor de !$ 35 \Omega !$, considerando uma tensão de 100 V entre A e C?

Provas
Em um motor shunt CC de 240V que possui resistência de armadura de !$ 0,5\Omega !$ e resistência de campo de 50Ω, considerando desprezível a tensão nas escovas e que absorve uma corrente de linha 20A, e possui velocidade a plena carga de 1000rpm, calcule como controlar, através da variação da resistência de armadura, sua velocidade para 800rpm e assinale a alternativa correta.
Provas
No que diz respeito ao dimensionamento de condutores segundo a norma NBR-5410, analise as afirmativas a seguir.
I - O método de dimensionamento segundo a queda de tensão visa a proteção de dispositivos e circuitos que sejam sensíveis a grandes variações de tensão.
II - Para o dimensionamento segundo a capacidade de corrente dos condutores, os parâmetros que são levados em consideração são a potência a ser instalada e o comprimento dos condutores.
III - Para uma mesma seção de condutor e mesmo isolamento, cabos de alumínio possuem maior capacidade de condução de corrente do que cabos de cobre.
Está(ão) correta(s) a(s) afirmativa(s):
Provas
Qual o valor da resistência R2 para a condição de equilíbrio do circuito a seguir?

Provas
Analise as afirmativas considerando a metade positiva de uma onda senoidal, com componente CC nula:
I - O seu valor médio é superior ao seu valor eficaz.
II - O seu valor eficaz é uma espécie de média.
III - O valor médio da onda completa é o dobro do valor médio desta metade.
IV - O valor eficaz da onda completa é o dobro do valor eficaz desta metade.
V - Os seus valores médio e eficaz aumentam com a diminuição do período da onda.
Está(ão) correta(s) apenas a(s) alternativa(s):
Provas
- Transformadores e Máquinas ElétricasMáquinas EstáticasTransformadores Trifásicos e Autotransformadores
Dados os enrolamentos indicados na figura, uma forma de se obter um autotransformador elevador com tensão de entrada Vent = 115V e tensão de saída Vsaída = 250V, seria por meio da interligação dos terminais.

Assinale a alternativa correta que apresenta as interligações necessárias.
Provas
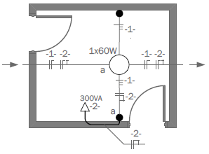
Na figura a seguir, é mostrado um diagrama de instalação elétrica predial.

Segundo o diagrama, analise as afirmações propostas:
I. Existem dois circuitos independentes. O circuito 1 é utilizado para iluminação e o circuito 2 é utilizado para tomadas.
II. Existe apenas um ponto de luz, de 60W, acionado por meio de dois pontos distintos (interruptores paralelos).
III. Existe uma tomada de 300VA, instalada a meia altura e com aterramento.
Assinale a alternativa correta.
Provas
Analise o circuito a seguir, calcule o valor da resistência shunt e assinale a alternativa correta.

Provas
Caderno Container