Foram encontradas 586 questões.
Um transformador ideal possui 300 espiras no primário e 50 espiras no secundário. Sabendo que a tensão RMS medida no secundário é igual a 30 V, qual o valor da tensão no primário?
Provas
São critérios para o dimensionamento de condutores, exceto:
Provas
Colocando um ohmímetro entre os pontos A e B do circuito abaixo, qual será o valor indicado em sua tela?

Provas
Os valores 3000 Ω, 5x10-12 F e 0,007 A, podem ser convertidos para:
Provas
Disciplina: Segurança e Saúde no Trabalho (SST)
Banca: IF-Sertão
Orgão: IF Sertão
Sobre a previsão mínima de cargas nas instalações de baixa tensão, de acordo com a NBR 5410 é correto afirmar que:
Provas
Os diodos são dispositivos que podem ser classificados como qual tipo de material elétrico?
Provas
Um sistema trifásico está ligado conforme especificações abaixo.
|
Fonte Tensão de fase = 220 V Ligação em estrela |
Carga Resistência de 5 Ω por fase Ligação em delta |
Considerando !$ \sqrt{3} !$ = 1.7, o valor de corrente que passa por cada resistor é igual a aproximadamente:
Provas
Sobre sistemas de iluminação, a alternativa incorreta é:
Provas
Disciplina: Segurança e Saúde no Trabalho (SST)
Banca: IF-Sertão
Orgão: IF Sertão
Analise as afirmativas relacionadas à NBR 5410/2004 e julgue com V as verdadeiras e com F, as falsas
( ) – A queda de tensão não deve ser superior a 5% do valor de tensão nominal da instalação partir dos terminais secundários do transformador MT/BT, no caso de transformador de propriedade da unidade consumidora;
( ) – É permitido que a queda de tensão nos circuitos terminais seja superior a 4%.
( ) – Nas instalações elétricas de baixa tensão só são admitidos eletrodutos não-propagantes de chama.
( ) – A taxa de ocupação do eletroduto nunca poderá ser superior a 40%.
( ) – Armaduras de concreto podem ser utilizados como condutores de proteção.
A alternativa que indica a sequência correta, de cima para baixo, é a:
Provas
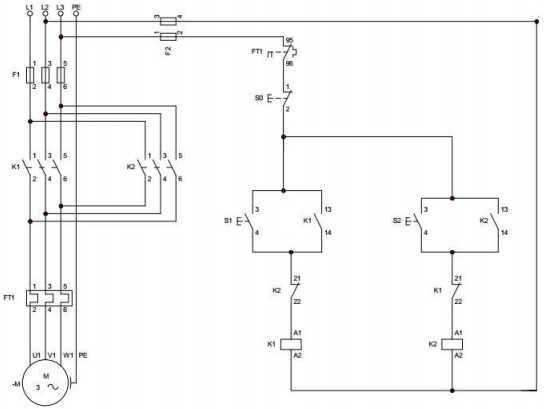
A figura abaixo mostra o comando elétrico de uma chave partida.

Sobre o circuito acima, podemos afirmar:
I. O circuito se trata de uma chave de partida direta com reversão.
II. O elemento FT1 é o dispositivo de proteção contra a corrente de curto-circuito.
III. Os terminais 21 e 22 dos contatores K1 e K2 tem a função de realizar o selo.
A(s) afirmativa(s) correta(s) é (são):
Provas
Caderno Container