Foram encontradas 40 questões.
Um alternador alimenta uma carga desconhecida, observa-se que a tensão induzida nos enrolamentos de armadura Ef é maior que a tensão terminal de armadura Vt, conforme apresentado na figura a seguir.

Assinale a alternativa que indica CORRETAMENTE a natureza da carga alimentada pelo alternador.
Provas
Considerando as categorias N, D e H, para motores de indução, assinale a alternativa CORRETA.

Provas
Um motor de indução, 4 polos, 380/220V, 60Hz, opera com escorregamento de 5%. Considerando o motor descrito, assinale a alternativa CORRETA.
Provas
O teorema de Thévenin afirma que um circuito linear, com exceção da carga, pode ser substituído por um circuito equivalente que contenha somente uma fonte de tensão independente (VTH), conectada em série com uma impedância (ZTH), de modo tal que a relação corrente x tensão na carga não seja alterada. Para o circuito a seguir, admitindo como ponto de conexão com a carga os pontos indicados por “a” e “b”, os valores de VTH e ZTH são respectivamente apresentados em uma alternativa que segue. Assinale-a.

Provas
Três esferas metálicas, A, B e C, idênticas, estão suspensas por um suporte isolante e possuem inicialmente cargas zero, -Q e +Q, respectivamente. Inicialmente, a esfera A é posta em contato com a esfera B, enquanto a esfera C permanece isolada. Na sequência, cada uma das esferas é devolvida ao seu suporte isolante. Em seguida, a esfera A é posta em contato com a esfera C, enquanto a esfera B permanece isolada. Após alguns instantes, as esferas são devolvidas aos seus respectivos suportes. Finalmente, a esfera B é posta em contato com a esfera C e, em seguida, ambas retornam aos seus suportes.
Assinale a alternativa que representa CORRETAMENTE as cargas adquiridas pelas esferas A, B e C ao final do processo.
Provas
Considere um fio retilíneo imerso em uma região de campo magnético uniforme produzido por ímãs permanentes, conforme ilustrado a seguir.

Com base nas informações contidas na figura, analise as seguintes afirmações.
I. O sentido das linhas de campo indica que A é o polo norte e B polo sul dos ímãs.
II. Se o condutor for percorrido por uma corrente entrando no plano da página (ver vista em corte), surgirá uma força indicada no sentido do vetor F.
III. Se o condutor deslocar-se no sentido de F, surgirá uma tensão nas extremidades do condutor que é proporcional à velocidade de deslocamento.
IV. A tensão produzida nas extremidades do condutor é dependente do ângulo formado entre o deslocamento do condutor e as linhas de campo, tornando-se máxima quando o deslocamento ocorrer na mesma direção da linha de campo.
Assinale a alternativa que apresenta somente a(s) afirmação(ões) CORRETA(S).
Provas
A ponte de Wheatstone é uma configuração de circuito elétrico utilizada para medir uma resistência desconhecida. Para a ponte de Wheatstone do circuito a seguir, os resistores Ra e Rb são ajustáveis.

A análise do circuito, considerando a polaridade indicada na figura como referência para a tensão Vx, permite afirmar que:
I. sempre que Ra > Rb, a tensão Vx será maior que zero.
II. Ra = Rb/2 é a condição necessária para que a tensão Vx seja nula.
III. se Ra = 20kW e Rb = 10kW, a tensão Vx será nula.
IV. Ra < Rb/2 é a condição necessária para que a tensão Vx torne-se negativa.
V. sempre que Ra < Rb, a tensão Vx será menor que zero.
Assinale a alternativa que apresenta somente as afirmações CORRETAS.
Provas
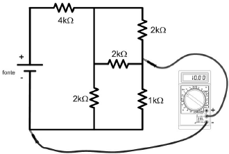
Utilizando um multímetro digital, um aluno realizou uma medida de tensão conforme indicado no esquema a seguir.

Sabendo que o valor lido no display do instrumento de medida é igual a 10V, qual o valor da tensão da fonte, Vfonte?
Assinale a alternativa que responde CORRETAMENTE à questão acima.
Provas
No circuito RLC da figura a seguir, a potência dissipada no resistor por efeito joule é igual a 1kW.

Qual o valor da capacitância C?
Assinale a alternativa que responde CORRETAMENTE à questão acima.
Provas
Os alunos do Curso Técnico em Edificações foram ao laboratório para anotar alguns dados de experimentos realizados por eles. Depois de alguns estudos, foram anotados os seguintes dados:
|
Em uma obra, verificou-se que em um dia, os pedreiros conseguiram erguer uma parede com 1.350 tijolos. |
|
Essa parede foi medida e os alunos registraram sua área, que foi de 30 m². |
|
Os gastos com tijolos da parede construída foram de R$ 472,50. |
Com base nas afirmações acima, assinale a alternativa CORRETA.
Provas
Caderno Container