Foram encontradas 40 questões.
Para responder à questão, quando necessário, considere:
π = 3,14 √2 = 1,41
Um circuito combinacional é utilizado para contar os números 1s presentes em três entradas de um bit: A, B e C. Como saída, fornece esse número em binário por meio de duas saídas Z1 e Z0, sendo Z1 o bit mais significativo. O número de 1s, nas três entradas, pode variar de 0 a 3. Desse modo, a saída de dois bits é suficiente para representar esses números.
As equações lógicas que representam Z1 e Z0 são
Provas
Para responder à questão, quando necessário, considere:
π = 3,14 √2 = 1,41
Observe a figura abaixo que representa um conversor analógico-digital adequado para implementação em tecnologia CMOS, do tipo conversor por distribuição de cargas, 8 bits e com tensão de referência 8 V.

Para o conversor do diagrama esquemático, a máxima tensão de conversão e a palavra digital correspondente à entrada analógica VA = 3 V são, respectivamente,
Provas
Para responder à questão, quando necessário, considere:
π = 3,14 √2 = 1,41
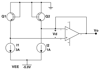
Analise a figura abaixo que projeta um circuito representando o diagrama esquemático de um sensor de temperatura de estado sólido.

Fonte: FUNCERN, 2017.
Considerando os transistores Q1 e Q2 idênticos (Is1= Is2) com parâmetro de processo n= 1, o valor da constante de Boltzmann (k) igual a 1,38x10-23 J/K, a carga do elétron (q) igual a 1,6x10-19 C e ln 3 = 1,1, a sensibilidade obtida para o dispositivo sensor é de
Provas
Para responder à questão, quando necessário, considere:
π = 3,14 √2 = 1,41
Para responder a questão, considere o texto abaixo.
Um transistor de efeito de campo (FET) é fabricado com uma relação
em uma tecnologia 0,18 μm. Seu isolante de porta tem espessura tox= 4 nm, seus elétrons têm mobilidade μn=450 cm2 /V.s, sua tensão de limiar de condução é Vth= 0,48 V e sua capacitância da porta por unidade de área é Cox= 8,6 fF/μm2 .
Para o FET descrito, o valor da tensão entre porta e fonte (VGS), necessário para fazer com que o dispositivo opere como um resistor de 1 kΩ com tensão entre dreno e fonte (VDS) muito pequena, é
Provas
Para responder à questão, quando necessário, considere:
π = 3,14 √2 = 1,41
Um transistor de efeito de campo (FET) é fabricado com uma relação
em uma tecnologia 0,18 μm. Seu isolante de porta tem espessura tox= 4 nm, seus elétrons têm mobilidade μn=450 cm2 /V.s, sua tensão de limiar de condução é Vth= 0,48 V e sua capacitância da porta por unidade de área é Cox= 8,6 fF/μm2 . Para que o FET descrito opere na região de saturação com uma corrente de dreno ID= 50 μA, o valor da tensão mínima entre dreno e fonte (VDS mínimo) é
Provas
Para responder à questão, quando necessário, considere:
π = 3,14 √2 = 1,41
Observe a figura abaixo que representa um circuito em que as resistências de entrada e saída do amplificador operacional são, respectivamente, infinita e zero, bem como a = 104 é o seu ganho de malha aberta.

Fonte: FUNCERN, 2017.
Para R1= 8,2 kΩ e R2= 82 kΩ, o ganho de malha fechada do circuito é de
Provas
Para responder à questão, quando necessário, considere:
π = 3,14 √2 = 1,41
Observe a figura abaixo, que representa um circuito em que o transistor bipolar NPN foi especificado para ter β (hFE) na faixa de 15 a 75.

Fonte: FUNCERN, 2017.
Para que o transistor Q1 opere na saturação (VCE de saturação= 0,2 V e VBE= 0,67 V), com Fator Forçado igual a 20, o valor da resistência de base (RB) será de
Provas
Para responder à questão, quando necessário, considere:
π = 3,14 √2 = 1,41
Analise a figura abaixo que representa um circuito amplificador de instrumentação, em que são utilizados resistores com tolerância de 5%.

Fonte: FUNCERN, 2017.
O valor do ganho diferencial mínimo (Ad) é de
Provas
Para responder à questão, quando necessário, considere:
π = 3,14 √2 = 1,41
Analise a figura abaixo, que projeta um circuito RC-AmpOp representativo de um filtro ativo.

Fonte: FUNCERN, 2017.
Considerando os amplificadores operacionais ideais e a tensão de entrada (Vi) uma senóide, com 50 mV de pico, as frequências de corte inferior e superior e o valor médio quadrático da tensão de saída (Vo), para frequências no interior da banda de passagem, respectivamente, são
Provas
Para responder à questão, quando necessário, considere:
π = 3,14 √2 = 1,41
Analise a figura abaixo, que representa um circuito com diodos ideais.

Fonte: FUNCERN, 2017.
O valor de pico da tensão de saída (vo) é de
Provas
Caderno Container