Foram encontradas 538 questões.
Provas
Provas
A tensão gerada na situação de plena carga é 141,4 V.
A resistência da armadura éProvas
- EletrotécnicaCircuitos Elétricos em Eletricidade
- EletrotécnicaCircuitos de Corrente Contínua e de Corrente Alternada
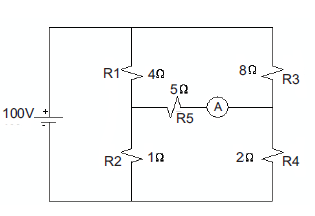
Analise o seguinte circuito:

A corrente, em Ampère, que flui pelo resistor R4 é
Provas
- EletrotécnicaCircuitos Elétricos em Eletricidade
- EletrotécnicaCircuitos de Corrente Contínua e de Corrente Alternada

Dado esse circuito, a resistência equivalente vista entre os pontos a e d, em ? , é
Provas
- EletrotécnicaCircuitos Elétricos em Eletricidade
- EletrotécnicaCircuitos de Corrente Contínua e de Corrente Alternada

Calcula-se para esse circulo, visto entre os pontos a e b, o valor da resistência de Norton e a corrente de Norton respectivamente,
Provas
- EletrotécnicaCircuitos Elétricos em Eletricidade
- EletrotécnicaCircuitos de Corrente Contínua e de Corrente Alternada

No circuito ilustrado nessa figura, um multímetro é instalado entre os pontos B e C. A resistência entre os pontos A e B do resistor variável (potenciômetro) é igual a 35% do valor da resistência entre os pontos A e C. Chaveando o multímetro para a condição de voltímetro, mediu-se a tensão E, e chaveando-o na condição de amperímetro, mediu-se a corrente I.
Os valores de E, em volts, e I, em ampères, respectivamente, são
Provas
- EletrotécnicaCircuitos Elétricos em Eletricidade
- EletrotécnicaCircuitos de Corrente Contínua e de Corrente Alternada

A corrente total (Amperímetro A) e a de cada um dos ramos (amperímetros A1, A2 e A3), em Ampère, são, respectivamente,
Provas

A expressão booleana que gera a saída S é representada por
Provas
- EletrotécnicaCircuitos Elétricos em Eletricidade
- EletrotécnicaCircuitos de Corrente Contínua e de Corrente Alternada
Esta figura deve ser usada para responder à seguinte questão.

Provas
Caderno Container