Foram encontradas 50 questões.
Considere um circuito divisor de tensão composto por uma fonte de tensão constante de 10V, um resistor R1 e um resistor R2 . Um voltímetro com resistência interna 4 • R2 é utilizado para medir a tensão no resistor R2. A expressão que representa corretamente o valor do erro absoluto da medição causado pela resistência internado voltímetro é
Provas
Questão presente nas seguintes provas
Considerando o circuito apresentado a seguir:
A opção que representa, respectivamente, a tensão de Thevenin (Vth) e a resistência de Thevenin (Rth) equivalentes vistas entre os terminais A e B é
A opção que representa, respectivamente, a tensão de Thevenin (Vth) e a resistência de Thevenin (Rth) equivalentes vistas entre os terminais A e B é
Provas
Questão presente nas seguintes provas
O módulo da impedância equivalente do circuito RLC abaixo, composto por um resistor, um indutor e duas
capacitâncias, é igual a 15Ω.
Dessa forma, a reatância capacitiva desconhecida X, possui o valor em, em Ohms(Ω), de
Dessa forma, a reatância capacitiva desconhecida X, possui o valor em, em Ohms(Ω), de
Provas
Questão presente nas seguintes provas
A imagem abaixo ilustra um regulador tipo série com amplificador operacional.
Considerando que os componentes são ideais, a tensão do diodo Zener para que a tensão de saída seja regulada em 15 V é de
Considerando que os componentes são ideais, a tensão do diodo Zener para que a tensão de saída seja regulada em 15 V é de
Provas
Questão presente nas seguintes provas
O circuito representado abaixo corresponde a um contador de pulsos binário assíncrono configurado para
operar como contador módulo 10 (contagem de 0 a 9). As saídas dos flip-flops são denominadas como DCBA,
sendo D o bit mais significativo e A o bit menos significativo. Para garantir a operação módulo 10, utiliza-se um
circuito lógico combinacional que tem sua saída conectada à entrada CLEAR (CLR) dos flip-flops, de forma que
o contador é reiniciado no instante em que atinge o valor decimal 10.
A expressão lógica mínima para este circuito é
A expressão lógica mínima para este circuito é
Provas
Questão presente nas seguintes provas
Considere o circuito ceifador mostrado abaixo, composto por uma fonte de tensão senoidal de 10V eficaz, uma fonte de tensão DC de 5V, um diodo de silício com tensão de condução VD = 0,7 e um resistor de carga R.
Nas condições apresentadas e considerando √2 ≈ 1, 414, o valor de pico da tensão no resistor R, em Volts, é
Nas condições apresentadas e considerando √2 ≈ 1, 414, o valor de pico da tensão no resistor R, em Volts, é
Provas
Questão presente nas seguintes provas
Um retificador controlado de meia onda, com carga puramente resistiva, é alimentado por uma fonte senoidal
de 180V eficaz. Considerando que o ângulo de disparo do SCR é medido em relação ao cruzamento pelo zero
da tensão de entrada e que o SCR é ideal,
a tensão média, em Volts, aplicada à carga R para um ângulo de disparo de 45° é de
a tensão média, em Volts, aplicada à carga R para um ângulo de disparo de 45° é de
Provas
Questão presente nas seguintes provas
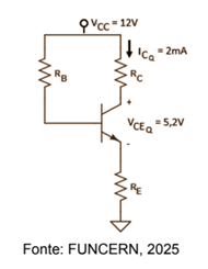
Um circuito de polarização estável com transistor NPN conforme figura abaixo, utiliza Vcc= 12V, RC = 2kΩ, um resistor de base RB, um resistor de emissor RE e um transistor com ganho β = 80.
Deseja-se que o transistor opere na região ativa com ponto de operação quiescente ICQ = 2mA e VCEQ = 5,2V,para tanto, calculou-se os valores de RB e RE considerando IC ≅ IE e VBE = 0,7V.
Nessas condições, os resistores de base e emissor calculados são, respectivamente:
Deseja-se que o transistor opere na região ativa com ponto de operação quiescente ICQ = 2mA e VCEQ = 5,2V,para tanto, calculou-se os valores de RB e RE considerando IC ≅ IE e VBE = 0,7V.
Nessas condições, os resistores de base e emissor calculados são, respectivamente:
Provas
Questão presente nas seguintes provas
Uma carga trifásica consumia uma potência aparente S com fator de potência de 0,6 (indutivo). No intuito de
elevar o fator de potência para 0,92, adicionou-se um banco de capacitores de potência reativa 125kVAr. Após
a instalação, a potência aparente final consumida passou a ser de 150kVA. A potência aparente S (antes da
instalação do banco de capacitores) e a potência ativa consumidas pela carga têm valores, respectivamente:
Provas
Questão presente nas seguintes provas
O sinal de tensão mostrado no gráfico abaixo foi medido por um multímetro ideal e que não é True RMS, primeiramente em uma escala de tensão contínua (CC) e, em seguida, na escala de tensão alternada (CA).
Considerando √2 ≈ 1, 414, o módulo dos valores indicados pelo instrumento para cada uma das funções CC e CA, respectivamente, são:
Considerando √2 ≈ 1, 414, o módulo dos valores indicados pelo instrumento para cada uma das funções CC e CA, respectivamente, são:
Provas
Questão presente nas seguintes provas
Cadernos
Caderno Container