Foram encontradas 50 questões.
Uma indústria localizada no estado de Pernambuco pretende investir em geração fotovoltaica para reduzir seus
custos com energia elétrica. O projeto prevê a instalação de um sistema com 270 kWp de potência, com custo
total de R$ 1.000.000,00. Considerando:irradiação solar média diária: 5,5 kWh/m²/dia; fator de desempenho do
sistema: 80%; custo médio da energia elétrica industrial: R$ 0,70/kWh; mês com 30 dias, o tempo de retorno do
investimento (payback simples), desconsiderando perdas adicionais, manutenção, impostos e sazonalidade, é
Provas
Questão presente nas seguintes provas
De acordo com o que institui o Marco legal da microgeração e minigeração distribuída, é uma característica do
Sistema de compensação de energia elétrica:
Provas
Questão presente nas seguintes provas
Uma indústria possui, atualmente instalado em sua subestação, um transformador de 225 kVA, 13,8 kV – 220 V
(tensão de linha) (Δ – Y) com uma reatância percentual de 5%. Deve-se instalar um novo transformador em
paralelo, com as mesmas especificações do transformador já existente, para atender ao aumento de carga
previsto. Para que a potência seja distribuída igualmente entre os dois transformadores, após a sua instalação
em paralelo, a reatância, em ohms, referida para o lado de baixa tensão do novo transformador, é de
Provas
Questão presente nas seguintes provas
- Instalações Elétricas
- Normas TécnicasNBRsNBR 5419: Sistema de Proteção contra Descargas Atmosféricas
Está referendada pela NBR 5419:2015 (Proteção contra descargas atmosféricas) – Parte 3 (Danos físicos à
estruturas e perigos à vida), a afirmação:
Provas
Questão presente nas seguintes provas
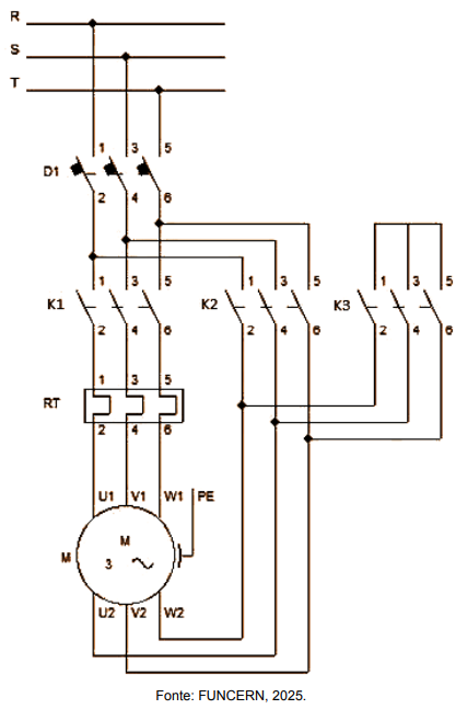
Pretende-se utilizar uma chave de partida estrela triângulo (Y - Δ) para o acionamento de um motor elétrico
trifásico com rotor em gaiola de esquilo. A figura apresenta o diagrama de força de uma chave (Y - Δ) aplicado
a um motor trifásico de 5 CV. Considere que esse motor de seis terminais tem um fechamento em triângulo
para 380 V, seu fator de potência cosϕ = 0,85, rendimento η = 0,87%, trabalhando em regime constante com
fator de serviço (FS = 1,15) e razão da corrente de partida pela corrente nominal (Ip/In) = 9.
Em relação a esse sistema, é correto afirmar:
Em relação a esse sistema, é correto afirmar:
Provas
Questão presente nas seguintes provas
Sobre os sistemas HVDC (High Voltage Direct Current) e FACTS (Flexible AC Transmission Systems),
tecnologias utilizadas para otimizar a transmissão de energia elétrica, é correto afirmar:
Provas
Questão presente nas seguintes provas
Na figura abaixo, são apresentadas as formas de onda de entrada de um flip-flop do tipo JK com transição por borda de subida.

Considerando que a saída Q é iniciada em 0, e que o tempo de hold do flip flop é igual a zero, a saída \(\overline{Q}\) irá comutar de 0 para 1 no instante t igual a
Provas
Questão presente nas seguintes provas
Uma linha de transmissão trifásica, simples e totalmente transposta, possui 140 km de extensão. A impedância
em série própria é igual a 0,02 + j0,06 [Ω/km], e a impedância mútua entre as fases é de j0,02 [Ω/km]. A
impedância de sequência direta para essa linha, em ohms, é
Provas
Questão presente nas seguintes provas
Em uma instalação elétrica de baixa tensão, deseja-se proteger um circuito contra sobrecarga e curto-circuito
utilizando um disjuntor termomagnético. As seguintes informações foram obtidas: corrente de projeto do
circuito: Ib = 26,0 A; capacidade de condução dos condutores: Iz = 35,0 A; seção dos condutores: S = 6,0 mm²;
corrente de curto-circuito no ponto de instalação: Icc = 6,0 k A; constante relacionada com o material (PVC) e
isolação dos condutores: k = 115. Com base na norma NBR 5410 (Instalações elétricas de baixa tensão) e nos
critérios de proteção, é correto afirmar que
Provas
Questão presente nas seguintes provas
O circuito da figura abaixo apresenta um circuito RLC misto sendo alimentado por uma fonte de tensão
alternada monofásica. Na saída da fonte, existe uma ligação série com um resistor, com resistência de 10 Ω.
Esse resistor é interligado com dois ramos. O primeiro é um capacitor, com reatância capacitiva de 10 Ω. E o
segundo, com um indutor, com reatância indutiva de 20 Ω ligada em série com uma impedância Z.
Considerando o princípio da máxima transferência de potência, o valor da impedância Z para que a fonte AC transfira a maior quantidade possível de potência é
Considerando o princípio da máxima transferência de potência, o valor da impedância Z para que a fonte AC transfira a maior quantidade possível de potência é
Provas
Questão presente nas seguintes provas
Cadernos
Caderno Container