Foram encontradas 40 questões.
I. Para A = 0, B = 0 e C = 1 o resultado da saída X é 0.
II. Para A = 1, B = 0 e C = 0 o resultado da saída X é 1.
III. Para A = 1, B = 1 e C = 1 o resultado da saída X é 0.
IV. A expressão simplificada para o circuito é X = A.B + C
V. A expressão simplificada para o circuito é x = A.B + A.C
Assinale a alternativa com as assertivas CORRETAS.
Provas
Provas

Assinale a alternativa que mostra o valor CORRETO da tensão da fonte (Vf).
Provas

Provas
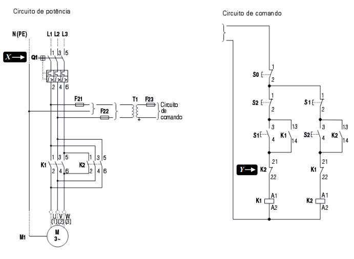
Observe a estrutura do quadro de distribuição (QD) bifásico apresentado a seguir.

Assinale a alternativa com a identificação CORRETA dos elementos numerados.
Provas
Provas
No horóscopo japonês, adaptado do chinês, o signo animal é determinado pelo ano de nascimento da pessoa. O zodíaco japonês tem um ciclo animal de 12 anos que segue a sequência: rato, boi, tigre, coelho, dragão, serpente, cavalo, carneiro, macaco, galo, cachorro e javali.
No Japão, aquele que nasceu em 1961 diz: "Sou nativo do ano do boi". Desse modo, uma pessoa que nascer no ano de 2186 do mesmo zodíaco, dirá ser nativa do ano do
Provas
TEXTO 05
Cientistas dizem ter evidências de um novo planeta no Sistema Solar
Por BBC em 20/01/2016 às 16:39
Desde o rebaixamento de Plutão, o Sistema Solar passou a não ter mais nove, e sim oito planetas. No entanto, a suposta existência de um novo planeta gigante pode fazer com que o número volte ao número que antes se tinha como real.
Em um estudo publicado no periódico Astronomical Journal, cientistas do Instituto de Tecnologia da Califórnia dizem ter encontrado "evidências sólidas" de um nono planeta, com órbita estranhamente alongada para esse tipo de corpo celeste, na periferia do Sistema Solar.
Apelidado de "Planeta Nove", o novo corpo celeste ainda não foi visto, ou seja, ainda não é possível ter certeza de sua existência. Mas as pesquisas indicam que ele tem uma massa dez vezes superior à da Terra e orbita o Sol a uma distância média 20 vezes superior à de Netuno, que fica localizado, em média, a 4,48 bilhões de quilômetros do Sol e é considerado atualmente o mais longínquo do Sistema Solar.
A distância do novo planeta em relação ao Sol seria 597 vezes a distância da Terra ao Sol. Por isso, esse aparente novo planeta levaria entre 10 mil e 20 mil anos terrestres para realizar uma única órbita completa em torno do Sol.
(Adaptado de:<http://ultimosegundo.ig.com.br/ciencia/2016-01-20/cientistas-dizem-terevidencias-de-um-novo-planeta-no-sistema-solar.html>
Provas
Provas
A Polícia Federal apreendeu uma quadrilha de traficantes envolvidos em um grande assalto. Douglas, José, André, Lucas, Pierre e Lima são os principais integrantes da quadrilha e foram separados para o interrogatório, mas Lima escolheu não depor. Querendo saber quem são os líderes, a polícia interrogou o restante dos principais integrantes da quadrilha.
• Douglas disse que José ou Lima são os líderes.
• André disse que se José é líder, então, não é verdade que Lima é líder.
• Lucas disse que se não é verdade que José é líder, então, Lima é líder.
• Pierre disse que José e Lima são líderes.
• José disse que se Lima é líder, então, ele não é.
Entretanto, sabe-se, verdadeiramente, que José é líder. Se há apenas um, e somente um, que não fala a verdade, é CORRETO afirmar que
Provas
Caderno Container