Foram encontradas 200 questões.
Para realizar o gerenciamento de obras na construção civil, é importante conhecer e entender sobre as diversas possibilidades de aferição, medição e pagamento das obras em função do regime de execução adotado. Em
obras públicas, é comum a utilização do regime de execução conhecido como empreitada por preço unitário.
Sobre esse regime, a forma de remuneração ocorre:
Provas
Questão presente nas seguintes provas
Diversas ferramentas podem ser utilizadas para a análise dos custos de uma obra. Uma importante ferramenta
que integra a planilha orçamentária de obras e pode ser expressa como a aplicação do princípio de Pareto é a
curva ABC. Com base no princípio de Pareto, é possível afirmar que:
Provas
Questão presente nas seguintes provas
A curva ABC é uma importante ferramenta de gestão que permite a estratificação dos valores da planilha
orçamentária em três classes, sendo que cada classe apresenta um impacto orçamentário distinto. Na Figura, é
apresentado um fragmento de uma curva ABC. A partir desse fragmento, é CORRETO afirmar que:


Provas
Questão presente nas seguintes provas
Em regiões tropicais, é comum a variação de temperatura de até 30°C ao longo do dia, o que ocasiona tensões e
deformações nos materiais, muitas vezes não previstas. Considerando essa variação de temperatura para uma
barra de aço de 10m com extremidade livre, com módulo de elasticidade de 205 GPa e coeficiente de dilatação
de 12. 10-6 °C-1, determine a deformação térmica absoluta da barra.
Provas
Questão presente nas seguintes provas
De acordo com as propriedades relacionadas à resistência de cada material disponível para a execução de um
projeto estrutural, é possível determinar os elementos necessários para a manutenção da resistência, rigidez e
estabilidade de uma estrutura. De acordo com a Figura a seguir, identifique a alternativa que apresenta a análise
mais adequada em relação à disposição dos materiais em função dos diagramas.
Adaptado de: PINHEIRO, Antonio Carlos da Fonseca Bragança; CRIVELARO, Marcos. Resistência dos materiais. Rio de Janeiro: LTC, 2021.
Adaptado de: PINHEIRO, Antonio Carlos da Fonseca Bragança; CRIVELARO, Marcos. Resistência dos materiais. Rio de Janeiro: LTC, 2021.
Provas
Questão presente nas seguintes provas
Os elementos estruturais, em conjunto, atuam de modo que a estrutura possa expressar as propriedades esperadas para a manutenção da vida útil de uma edificação. Quando analisamos separadamente esses elementos
estruturais, é possível realizar sua classificação em função de sua geometria.
Com base nisso, identifique os elementos A e B que correspondem à seguinte afirmação:
Ao elemento estrutural A são aplicadas cargas no mesmo plano definido por suas dimensões predominantes; quanto ao elemento estrutural B, as cargas são aplicadas em um plano diferente daquele correspondente às suas dimensões predominantes.
Com base nisso, identifique os elementos A e B que correspondem à seguinte afirmação:
Ao elemento estrutural A são aplicadas cargas no mesmo plano definido por suas dimensões predominantes; quanto ao elemento estrutural B, as cargas são aplicadas em um plano diferente daquele correspondente às suas dimensões predominantes.
Provas
Questão presente nas seguintes provas
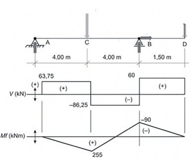
O conhecimento da distribuição de tensões e deformações em um elemento estrutural carregado é fundamental
para a análise estrutural. Assim, sobre a distribuição de tensões, é possível afirmar que "a uma distância igual
ou maior que a largura do componente, a distribuição de tensões através de determinada seção transversal é a
mesma [...] exceto nas vizinhanças imediatas dos pontos de aplicação das forças, a distribuição de tensões pode
ser considerada independentemente do modo real de aplicação das forças". Esse conceito está relacionado ao:
Fonte: BEER, F. P. et al. Mecânica dos materiais. 8 ed. Porto Alegre: AMGH, 2021. Pg. 110.
Fonte: BEER, F. P. et al. Mecânica dos materiais. 8 ed. Porto Alegre: AMGH, 2021. Pg. 110.
Provas
Questão presente nas seguintes provas
A análise estrutural é fundamental para determinar o comportamento de uma estrutura em função de seu carregamento. Entretanto, para a correta determinação das variáveis envolvidas nessa análise, é fundamental a
utilização da linguagem matemática precisa, que comunica corretamente a avaliação física do problema. Dessa
forma, quando avaliamos o momento de uma força em relação a um ponto O, em uma abordagem vetorial, é
CORRETO afirmar que:
Provas
Questão presente nas seguintes provas
"Decoloniality aims to break paradigms crystallized in sociocultural, political-economic, ethnic-racial, and
gender/sexuality relations imposed by the processes of coloniality of power. In turn, the concept of coloniality
of power (Quijano, 2000) clarifies that colonial relations in the economic and political spheres did not end
with the destruction of colonialism. Coloniality, according to Maldonado-Torres (2007), is reproduced in a
triple dimension: of power, knowledge, and being. […] But how does teaching English relate to the concept
of decoloniality? Pardo (2019) explains that coloniality permeates everyday school life in public schools
(but I believe we can extend this account to other contexts in which English circulates as the language of
instruction or as the target language)." (Megale, 2020, p. 3)
MEGALE, A. O que é uma perspectiva decolonial de ensino em/de inglês?. ENTREVISTA. 25 de agosto de 2020. Disponível em: https://www. santillana.com.br/conteudos/o-que-e-uma-perspectiva-decolonial-de-ensino-em-de-ingles. Acesso em: 22 abr. 2025.
Judge the items as (T) TRUE or (F) FALSE about Decolonialism in English Language Teaching.
( ) It is not uncommon to come across questions about whether your English is British or American, whether you have ever lived in the United States, or which English rock band you prefer. According to Pardo (2019), these questions reveal issues of submission and subordination and demonstrate how much the issue of coloniality is still present in English language teaching today.
( ) It is emphasized that a model of native speaker to be imitated, usually the American or British, is still very present in language teaching and in teaching materials that do not "consider the diversity and multiplicity of epistemologies, cultures and English-speaking people around the world" (Pardo, 2019, p. 212).
( ) The United States and England are positioned as "'owners of knowledge´ and language, reiterating their epistemic privilege and the maintenance of the logic of coloniality". Therefore, it is necessary to break with the imposed logic that only hegemonic countries represent cultures and models of English speakers.
( ) Part of this process of decoloniality in English language teaching is related to the view that the role of the teacher is not the mere technical and utilitarian work of teaching English, but rather providing students with a linguistic education that is based on the concept that teaching a language is a political task that should aim to develop critical thinking and that, to this end, it must be committed to work that values difference, be it linguistic, political, social, ethnic or gender, as a pedagogical input and as a mark of our humanity.
( ) "When we realize that English is used as a language of interaction in more than 70 countries (Eberhard; Gary; Charles, 2020 apud Megale, 2020, p.3), the opportunity opens up for the histories and cultures of nonhegemonic countries to enter the school community".
Choose the CORRECT sequence.
MEGALE, A. O que é uma perspectiva decolonial de ensino em/de inglês?. ENTREVISTA. 25 de agosto de 2020. Disponível em: https://www. santillana.com.br/conteudos/o-que-e-uma-perspectiva-decolonial-de-ensino-em-de-ingles. Acesso em: 22 abr. 2025.
Judge the items as (T) TRUE or (F) FALSE about Decolonialism in English Language Teaching.
( ) It is not uncommon to come across questions about whether your English is British or American, whether you have ever lived in the United States, or which English rock band you prefer. According to Pardo (2019), these questions reveal issues of submission and subordination and demonstrate how much the issue of coloniality is still present in English language teaching today.
( ) It is emphasized that a model of native speaker to be imitated, usually the American or British, is still very present in language teaching and in teaching materials that do not "consider the diversity and multiplicity of epistemologies, cultures and English-speaking people around the world" (Pardo, 2019, p. 212).
( ) The United States and England are positioned as "'owners of knowledge´ and language, reiterating their epistemic privilege and the maintenance of the logic of coloniality". Therefore, it is necessary to break with the imposed logic that only hegemonic countries represent cultures and models of English speakers.
( ) Part of this process of decoloniality in English language teaching is related to the view that the role of the teacher is not the mere technical and utilitarian work of teaching English, but rather providing students with a linguistic education that is based on the concept that teaching a language is a political task that should aim to develop critical thinking and that, to this end, it must be committed to work that values difference, be it linguistic, political, social, ethnic or gender, as a pedagogical input and as a mark of our humanity.
( ) "When we realize that English is used as a language of interaction in more than 70 countries (Eberhard; Gary; Charles, 2020 apud Megale, 2020, p.3), the opportunity opens up for the histories and cultures of nonhegemonic countries to enter the school community".
Choose the CORRECT sequence.
Provas
Questão presente nas seguintes provas
"Information technology provides teachers an endless choice of multimedia, software, applications and
devices for creating more exciting, interactive lessons. […] Information Technology is indivisible part
of education in the twenty-first century, when used correctly in the classroom, it can allow students to
experience situations and circumstances that the students of 20 years ago could only dream about. Through
technology, books and figures can suddenly become alive and applicable to the real world. In addition,
information technology provides an even greater avenue for interaction between teacher and students. At
the English lessons different videos, exercises, games, listening drills may be done. So, it makes learning
English available to a wider range of learners as well." (Rodinadze; Zarbazoia, 2012, p.272)
RODINADZE, S., & ZARBAZOIA, K. The Advantages of Information Technology in Teaching English Language. Frontiers of Language and Teaching. Vol. 3, 2012, pages 271-275.
Choose the alternative that brings WRONG information about Information Technology in the classroom.
RODINADZE, S., & ZARBAZOIA, K. The Advantages of Information Technology in Teaching English Language. Frontiers of Language and Teaching. Vol. 3, 2012, pages 271-275.
Choose the alternative that brings WRONG information about Information Technology in the classroom.
Provas
Questão presente nas seguintes provas
Cadernos
Caderno Container