Magna Concursos

Foram encontradas 400 questões.

966397 Ano: 2019
Disciplina: Eletroeletrônica
Banca: IF-MT
Orgão: IF-MT
Provas:

O amplificador operacional inversor mostrado na figura abaixo tem taxa de subida igual 0,5 V/μs. É aplicado em sua entrada um sinal de 2 V com uma determinada frequência (rd/s). O ganho de tensão do amplificador em dB (decibéis) e a máxima frequência que pode ser utilizada no sinal de entrada para evitar distorção na saída são, respectivamente:

enunciado 966397-1

 

Provas

Questão presente nas seguintes provas
966396 Ano: 2019
Disciplina: Eletroeletrônica
Banca: IF-MT
Orgão: IF-MT
Provas:

No circuito ilustrado na figura abaixo, a corrente de base é fornecida por um circuito de polarização consistindo em um resistor 180R enunciado 966396-1 e 60R enunciado 966396-6 e por uma fonte de 12 V. A corrente no coletor é igual a quarenta e seis vezes à corrente de base (IC = 46IBB), onde R representa um valor de resistência compreendido entre 1 Kenunciado 966396-3 e 5 Kenunciado 966396-4 (1 Kenunciado 966396-5< R < 5 Kenunciado 966396-2). Existe uma queda de tensão de 0,7 V da base ao emissor. Sobre a corrente de base (IB), é CORRETO afirmar que:

enunciado 966396-7

 

Provas

Questão presente nas seguintes provas
966395 Ano: 2019
Disciplina: Eletroeletrônica
Banca: IF-MT
Orgão: IF-MT
Provas:

Considerando que a potência instalada de um determinado consumidor esteja distribuída como: a) CARGA A - 0,5 KW; b) CARGA B - 2 KW e c) CARGA C - 1,5 KW, sendo o período de funcionamento "LIGADO" diário de todas elas conforme ilustrado no gráfico abaixo.

enunciado 966395-1

Indicar o custo do consumo da energia elétrica ao final de 30 dias, sendo R$ 0,85/KWH e os impostos totais no valor de R$ 25,00. Além disso, as cargas elétricas operaram em bandeira vermelha ao custo total de R$ 5,00.

Assinale a alternativa que indica o valor CORRETO:

 

Provas

Questão presente nas seguintes provas
966394 Ano: 2019
Disciplina: Eletroeletrônica
Banca: IF-MT
Orgão: IF-MT
Provas:

As curvas da figura relacionam "Corrente (I/In) e Conjugado(C/Cn)" (eixo Y) e "RPM" (eixo X) de um motor trifásico de indução. Considerando que a partida do motor é Estrela-Triângulo e a linha tracejada indica a velocidade do motor em regime permanente, determinar a relação (I/In) aproximada de regime permanente do motor.

enunciado 966394-1

Assinale a alternativa CORRETA:

 

Provas

Questão presente nas seguintes provas
966393 Ano: 2019
Disciplina: Eletroeletrônica
Banca: IF-MT
Orgão: IF-MT
Provas:

Encontrar a resistência equivalente entre A e B.

enunciado 966393-1

 

Provas

Questão presente nas seguintes provas
966392 Ano: 2019
Disciplina: Eletroeletrônica
Banca: IF-MT
Orgão: IF-MT
Provas:

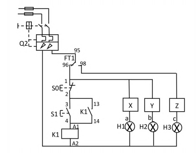
O diagrama de comando ilustrado na figura está relacionado à partida direta do motor trifásico de indução. Não é mostrado o diagrama de força, porém esse diagrama possui um contator (K1) com quatro chaves auxiliares, 3 NAs e 3NFs, e um relé de sobrecarga (FT1) com contatos auxiliares do tipo comutador. Os sinalizadores "H1", "H2" e "H3" devem indicar, respectivamente, três situações: 1a) Motor Parado; 2a) Motor Funcionando e 3a) Motor Parado por sobrecarga. Definir os valores lógicos para "X", "Y" e "Z", usando as chaves auxiliares do contator (bobina K1), se for o caso, e do relé de sobrecarga (FT1) que definam as três situações mencionadas. Para as análises, a chave "Q2" está fechada e as botoeiras são de pulso sem retenção.

enunciado 966392-1

Os valores lógicos CORRETOS estão expressos em:

 

Provas

Questão presente nas seguintes provas
966391 Ano: 2019
Disciplina: Eletroeletrônica
Banca: IF-MT
Orgão: IF-MT
Provas:

Após as análises da carga mecânica no eixo do motor de indução trifásico, especificou-se o motor como: a) 30 CV (22,5 KW), operando com 100% da potência nominal, e rendimento de 90%; b) 4 polos - 6 terminais; c) F= 60 Hz; d) Fator de potência de 0,87; e) Vnominal de 380 V e; f) Corrente de partida, seis vezes a corrente nominal. Sabendo que a partida do motor é direta, especificar a faixa de ajuste do relé de sobrecarga e da corrente elétrica do fusível a partir da corrente elétrica nominal do motor, conforme tabela abaixo. Considerar (√3 * 380 * 0,87 ≅ 573).

enunciado 966391-1

Assinale a alternativa CORRETA:

 

Provas

Questão presente nas seguintes provas
966390 Ano: 2019
Disciplina: Eletroeletrônica
Banca: IF-MT
Orgão: IF-MT
Provas:
Um motor de indução monofásico de 220 V foi ligado a uma tomada de 110 V através de um transformador elevador ideal. A corrente drenada pelo motor é 15 A. A corrente drenada pelo motor no lado primário do transformador é igual a:
 

Provas

Questão presente nas seguintes provas
966389 Ano: 2019
Disciplina: Eletroeletrônica
Banca: IF-MT
Orgão: IF-MT
Provas:

Um transformador tem as seguintes características: 48 kVA e 2400:240 V. Com os instrumentos aplicados no lado de alta tensão, e com o lado de baixa tensão em curto-circuito, obtêm-se as seguintes leituras no lado de alta tensão 60 V, 20 A e 600 W. Um ensaio de circuito aberto, com o lado de baixa tensão energizado, fornece as leituras nesse lado de 240 V, 5 A e 200 W. Considere as afirmativas abaixo com relação ao transformador operando a plena carga:

I - As perdas no núcleo equivalem a 300 W.

II - A corrente do lado de alta tensão a plena carga é 25 A.

III - As perdas totais equivalem a 800 W.

IV - A impedância equivalente do transformador referida ao lado de alta tensão é 3 Ω.

V - A resistência equivalente do transformador referida ao lado de alta tensão é 1,5 Ω.

Assinale o item que correspondem às afirmativas CORRETAS.

 

Provas

Questão presente nas seguintes provas
966388 Ano: 2019
Disciplina: Eletroeletrônica
Banca: IF-MT
Orgão: IF-MT
Provas:
Antes da correção do fator de potência, uma instalação elétrica é composta por P = 10 KW e Q = +j 20 KVAr. Após a instalação do banco de capacitor, a potência reativa resultante é igual a +j 4,4 KVAr e o novo fator de potência igual a 0,96 indutivo. Indicar a potência do banco de capacitor que resultou no fator de potência da instalação em 0,96 indutivo.
 

Provas

Questão presente nas seguintes provas