Foram encontradas 490 questões.
- EletrotécnicaCircuitos Elétricos em Eletricidade
- EletrotécnicaCircuitos de Corrente Contínua e de Corrente Alternada
Dentre as alternativas abaixo, qual é o componente eletrônico que impede variações bruscas de corrente
elétrica?
Provas
Questão presente nas seguintes provas
A figura abaixo representa o circuito de iluminação de um cômodo residencial. Os pontos de iluminação são acionados através de dois interruptores Three-way.

De acordo com os dados apresentados, identifique os condutores que passam pelo eletroduto Z:
Provas
Questão presente nas seguintes provas
Na figura abaixo apresentamos o esquema de aterramento de um equipamento de acordo com a norma
NBR 5410:2004, sendo N e PE, respectivamente, os condutores Neutro e de Proteção. Observando a figura
apresentada, conclui-se que este é um esquema denominado:


Provas
Questão presente nas seguintes provas
Considere uma instalação industrial, onde se tem uma potência instalada de 30 kW e o fator de potência 0,6
atrasado. Será realizada uma ampliação com a instalação de uma potência de 20 kVA e fator de potência
0,8 atrasado. Após a ampliação, as potências ativa e reativa totais da instalação serão, respectivamente,
de:
Provas
Questão presente nas seguintes provas
No eletromagnetismo observa-se o seguinte fenômeno: quando se produz um fluxo magnético variável
sobre uma espira, nesta espira aparecerá uma força eletromotriz. O princípio que explica a geração desta
força eletromotriz e o tipo de corrente induzida são, respectivamente:
Provas
Questão presente nas seguintes provas
Ao medir a tensão elétrica com o multímetro, qual deve ser o procedimento adequado na utilização deste
instrumento:
Provas
Questão presente nas seguintes provas
O multímetro é um instrumento que desempenha diversas funções na medição de grandezas elétricas. A
maioria dos modelos atuais mede tensão, corrente e resistência elétrica, podendo agregar algumas funções
especiais como teste de continuidade e de diodos. Sobre este equipamento é CORRETO afirmar que:
Provas
Questão presente nas seguintes provas
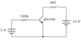
Para o circuito com transistor NPN representado a seguir, considerando a tensão na junção base-emissor
em 0,7 Volts, qual é a corrente aproximada no terminal coletor?


Provas
Questão presente nas seguintes provas
- EletrotécnicaCircuitos Elétricos em Eletricidade
- EletrotécnicaCircuitos de Corrente Contínua e de Corrente Alternada
Sobre o resistor do circuito representado a seguir está circulando uma corrente de 25 mA. Considerando a
barreira de potencial de 0,7 Volts do diodo, qual é o valor da resistência em Ohms?


Provas
Questão presente nas seguintes provas
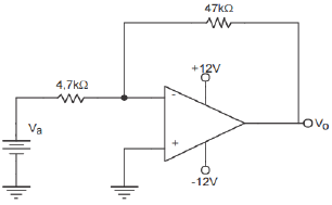
Para o circuito representado a seguir, qual é o valor de Vo se considerarmos Va de 2 Volts.

Provas
Questão presente nas seguintes provas
Cadernos
Caderno Container