Foram encontradas 160 questões.
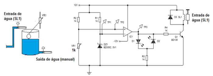
Observe atentamente a figura a seguir. Ela mostra o circuito de controle de nível de água em
um tanque com as seguintes características:
• O cursor do potenciômetro VR1 (1k Ohm) está mecanicamente acoplado à boia do tanque de forma que a subida do nível de água aumenta a tensão em TP2. Do contrário, a diminuição do nível de água diminui a tensão em TP2.
• A válvula solenoide SL1 quando acionada libera a passagem de água e desligada fecha a entrada de água no tanque. A saída de água do tanque é manual.
•R4 está dimensionado para levar o transistor para a região de saturação.
• Considere o amplificador operacional como ideal, energizado por +12V e -12V.

• O cursor do potenciômetro VR1 (1k Ohm) está mecanicamente acoplado à boia do tanque de forma que a subida do nível de água aumenta a tensão em TP2. Do contrário, a diminuição do nível de água diminui a tensão em TP2.
• A válvula solenoide SL1 quando acionada libera a passagem de água e desligada fecha a entrada de água no tanque. A saída de água do tanque é manual.
•R4 está dimensionado para levar o transistor para a região de saturação.
• Considere o amplificador operacional como ideal, energizado por +12V e -12V.

Com relação ao funcionamento do circuito é incorreto se afirmar que:
Provas
Questão presente nas seguintes provas
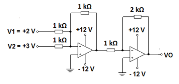
Abaixo é apresentado um circuito utilizando amplificadores operacionais para se fazer uma sequência
de operações matemáticas com sinais (contínuos) aplicados nas entradas V1 e V2. O valor correto da
tensão na saída VO, em relação ao terra do circuito, é mostrado na letra:


Provas
Questão presente nas seguintes provas
Quanto aos amplificadores operacionais, abaixo são apresentados 04 circuitos usados como
aplicações básicas destes importantes circuitos integrados. Os nomes corretos de cada circuito, na
sequencia apresentada é mostrada na letra:


Provas
Questão presente nas seguintes provas
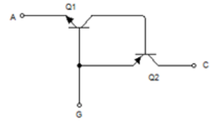
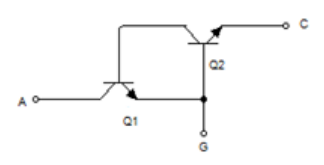
O circuito equivalente correto de um SCR utilizando transistores é apresentado a seguir pela letra:
Provas
Questão presente nas seguintes provas
- EletrotécnicaCircuitos Lógicos e Álgebra Booleana em Eletrotécnica
- EletrônicaEletrônica Digital em Eletroeletrônica
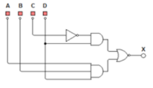
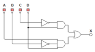
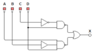
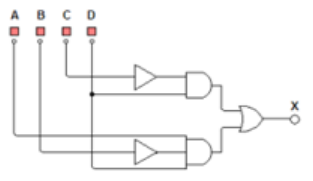
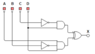
O circuito digital simplificado, gerado a partir da tabela verdade fornecida abaixo é apresentado na letra:

Provas
Questão presente nas seguintes provas
- EletrotécnicaAnálise de Circuitos Elétricos
- EletrônicaCircuitos de Corrente Contínua em Eletroeletrônica
- EletrônicaEletrônica Analógica em Eletroeletrônica
Faça a análise dos circuitos com diodos reais de silício (tensão de condução de 0,7 Volts) a seguir.
No que diz respeito ao circuito digital equivalente e sua família lógica marque a opção que se encaixa
perfeitamente na equivalência dos circuitos.


Provas
Questão presente nas seguintes provas
Com relação aos transistores de junção bipolar é fornecida abaixo a família de curvas de um transistor
assim como três coordenadas do ponto quiescente. Com base nas informações da figura e no circuito
que as gerou, assinale a seguir a opção incorreta.


Provas
Questão presente nas seguintes provas
Para a questão considere, no circuito abaixo, os diodos sendo de silício, com uma queda de tensão em condução direta de 0,7 Volts.

Provas
Questão presente nas seguintes provas
Para a questão considere, no circuito abaixo, os diodos sendo de silício, com uma queda de tensão em condução direta de 0,7 Volts.

Provas
Questão presente nas seguintes provas
Um transformador trifásico ideal tem seus enrolamentos primários fechados em triângulo e
secundários fechados em estrela. Este transformador será utilizado para conectar uma rede de
distribuição com tensão de linha 127 V a uma carga cuja tensão de linha é 380 V. Assinale a
alternativa que apresenta a relação de espiras entre o primário e o secundário deste transformador.
Provas
Questão presente nas seguintes provas
Cadernos
Caderno Container