Magna Concursos

Foram encontradas 362 questões.

1132863 Ano: 2017
Disciplina: Engenharia Civil
Banca: UFG
Orgão: IF-Goiano
Segundo a Norma Técnica 11/2014 – Saídas de Emergência, do Corpo de Bombeiros Militar do estado de Goiás, o uso de patamares das rampas é obrigatório sempre que a altura a ser vencida ultrapassar o limite de
 

Provas

Questão presente nas seguintes provas
1132862 Ano: 2017
Disciplina: Engenharia Civil
Banca: UFG
Orgão: IF-Goiano
Em um projeto arquitetônico, as linhas de representação situadas além do plano do desenho devem ser do tipo
 

Provas

Questão presente nas seguintes provas
1132861 Ano: 2017
Disciplina: Engenharia Civil
Banca: UFG
Orgão: IF-Goiano
No AutoCAD, a tecla de atalho F8 não pode ser ativada ao mesmo tempo que a tecla de atalho
 

Provas

Questão presente nas seguintes provas
1132860 Ano: 2017
Disciplina: Engenharia Civil
Banca: UFG
Orgão: IF-Goiano
No AutoCAD, o comando que cria cópias de objetos organizados em um padrão é o
 

Provas

Questão presente nas seguintes provas
1132859 Ano: 2017
Disciplina: Engenharia Civil
Banca: UFG
Orgão: IF-Goiano
Em um concreto com traço unitário igual a 1:1,9:2,8:0,45, o teor de argamassa é de
 

Provas

Questão presente nas seguintes provas
1132858 Ano: 2017
Disciplina: Engenharia Civil
Banca: UFG
Orgão: IF-Goiano
Para um determinado tipo de concreto, o ensaio do abatimento do tronco de cone (slump test) é um método usado para determinar sua
 

Provas

Questão presente nas seguintes provas
1132857 Ano: 2017
Disciplina: Engenharia Civil
Banca: UFG
Orgão: IF-Goiano
Para um determinado tipo de concreto, a utilização de um aditivo plastificante permite reduzir a quantidade de água necessária e melhora a sua
 

Provas

Questão presente nas seguintes provas
1132856 Ano: 2017
Disciplina: Eletroeletrônica
Banca: UFG
Orgão: IF-Goiano
Provas:
Um sistema elétrico de potência consiste, basicamente, de estações geradoras, linhas de transmissão e sistemas de distribuição. A figura a seguir representa um sistema elétrico de potência, no qual um gerador síncrono alimenta uma carga através de uma linha de transmissão.
Enunciado 1132856-1
Nas condições apresentadas na figura, qual é a corrente IG no gerador?
 

Provas

Questão presente nas seguintes provas
1132855 Ano: 2017
Disciplina: Eletroeletrônica
Banca: UFG
Orgão: IF-Goiano
Provas:
A figura a seguir mostra o circuito equivalente de um transformador submetido a ensaios em laboratório.
Enunciado 1132855-1

Nesse circuito, a resistência do ramo magnetizante, RM , é determinada através
 

Provas

Questão presente nas seguintes provas
1132854 Ano: 2017
Disciplina: Eletroeletrônica
Banca: UFG
Orgão: IF-Goiano
Provas:
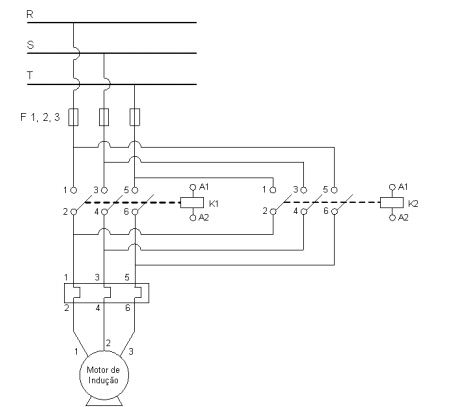
A figura a seguir deve ser usada para responder à questão. Ela representa o circuito de força e o circuito de comando para partida de um motor de indução trifásico.
Enunciado 1132854-1
CIRCUITO DE FORÇA


Enunciado 1132854-2
CIRCUITO DE COMANDO
No circuito de comando, mostrado na figura, o intertravamento
 

Provas

Questão presente nas seguintes provas