Foram encontradas 70 questões.
A chave do circuito da figura a seguir permaneceu por um longo tempo na posição a. Em t=0 passou para a posição b. Determine a tensão no capacitor e a corrente da fonte de 12V no instante imediatamente após a mudança na posição da chave.

Provas
Considerando instalações elétricas de baixa tensão, analise as afirmativas.
I. Os quadros elétricos devem possuir uma capacidade de reserva e ser instalados em locais de fácil acesso, evitando-se ambientes molhados, tais como banheiros e saunas.
II. Se uma residência possuir dois circuitos destinados exclusivamente à iluminação, o condutor neutro para esses circuitos pode ser compartilhado.
III. O fato de o disjuntor de uma instalação apresentar desligamentos frequentes é sinal de sobrecarga nesse circuito. Esse problema deve ser resolvido trocando-se o disjuntor por outro de maior corrente nominal.
IV. Para condutor isolado com função de neutro, deve-se usar a cor azul claro na isolação e para condutor de proteção (“fio-terra”) deve-se usar dupla coloração verde-amarelo ou apenas o verde.
Estão CORRETAS as afirmativas
Provas
Determine o número mínimo de luminárias para iluminação de um galpão com as seguintes dimensões:
Largura: 15m.
Comprimento: 30m.
Altura: 5 m.
Requisitos de iluminação:
Nível de iluminamento: 250 lux.
Luminária com duas lâmpadas fluorescentes de 40 W, totalizando 5.000 lumens, fixadas a 1m da cobertura.
Fator de depreciação: 0,85.
Fator de utilização: 0,5.
Refletâncias do teto e das paredes: 30 %.
Provas
Uma determinada loja possui equipamentos elétricos conforme listados e caracterizados na tabela abaixo.
| Equipamento | Potência | Cos!$ ^ \frown !$ | Tempo ligado por dia |
| Condicionadores de ar | 1,6 kVA | 3/4 | 10 h |
| Estufas de alimentos | 3,0 kW | 1,0 | 10 h |
| Iluminação | 500 W | 0,5 | 10 h |
| Refrigeradores | 2,0 kVA | 3/4 | 24 h |
O consumo de energia elétrica da loja em um mês de 30 dias será
Provas
Uma carga trifásica linear e equilibrada, ligação estrela, está conectada a uma rede trifásica 220V / 60Hz e drena 20A, com fator de potência 0,5 atrasado. Para corrigir o fator de potência para 1,0, o banco de capacitores em ligação estrela, conectado em paralelo com a carga, deve ter potência reativa por fase de
Provas
No transformador de potência, as funções do conservador de óleo e do óleo (mineral, vegetal ou sintético) são, RESPECTIVAMENTE,
Provas
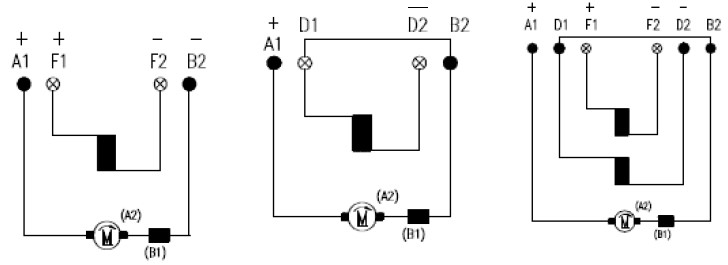
A figura abaixo apresenta três esquemas de conexão para uma máquina elétrica de corrente contínua. As identificações dos terminais dessa máquina são:
A1 e A2: armadura;
B1 e B2: enrolamentos compensadores;
F1 e F2: enrolamentos de campo de excitação independente;
D1 e D2: enrolamentos de campo de excitação série.

A identificação correta dos três esquemas de ligação, quanto à excitação da máquina, na sequência
das figuras, é
Provas
Está representada, abaixo, uma plaqueta de identificação com dados de um motor elétrico de indução trifásico.

Para esse motor, conectado e operando corretamente em uma fonte de 440 V, a corrente nominal e a corrente de partida valem, RESPECTIVAMENTE,
Provas
Considere as afirmativas sobre Habilitação, Qualificação e Autorização dos trabalhadores segundo a Norma Regulamentadora Nº 10 (NR-10), Segurança em instalações e serviços em eletricidade.
I. É considerado TRABALHADOR QUALIFICADO aquele que possui curso específico de NR-10, com carga horária mínima de 40 horas.
II. É considerado TRABALHADOR HABILITADO aquele que, além de ser técnico de nível médio ou bacharel de nível superior, possua Carteira Nacional de Habilitação (CNH) emitida por um dos Departamentos de Trânsito (DETRAN) dos Estados ou do Distrito Federal.
III. É considerado TRABALHADOR CAPACITADO aquele que recebe capacitação, sob orientação e responsabilidade de um profissional habilitado e autorizado, e que trabalha sob responsabilidade de profissional habilitado e autorizado.
IV. São considerados AUTORIZADOS os trabalhadores qualificados ou capacitados e os profissionais habilitados, com anuência formal da empresa.
Está CORRETO o que se afirma
Provas
A Norma Regulamentadora Nº 10 (NR-10), Segurança em instalações e serviços em eletricidade, define que a medida de proteção coletiva prioritária é a desenergização elétrica. Ainda segundo a NR-10, uma instalação somente será considerada desenergizada e liberada para trabalho mediante procedimentos apropriados, que obedeçam a uma determina sequência. Considerando os itens abaixo, numerados de I a IX, assinale a opção que corresponde à sequência desses procedimentos prescrita pela NR-10.
I. Comunicação e anuência da concessionária de energia elétrica para realização do serviço.
II. Constatação de ausência de tensão.
III. Impedimento de reenergização.
IV. Instalação da sinalização de impedimento de reenergização.
V. Instalação de aterramento temporário com equipotencialização dos condutores do circuito.
VI. Proteção dos elementos energizados existentes na zona controlada.
VII. Seccionamento.
VIII. Utilização, pelos trabalhadores, de EPIs (equipamentos de proteção individual) adequados ao risco de choque elétrico.
IX. Verificação da previsão meteorológica quanto à possibilidade de tempestade elétrica.
Provas
Caderno Container