Foram encontradas 666 questões.
Considere a edificação ilustrada na figura da questão, cujo subsistema de captação do SPDA externo fora desenvolvido através do método do ângulo de proteção, previsto na ABNT NBR 5419.
Trata-se de uma edificação compacta, de base quadrada, e o captor está posicionado no ponto central da sua cobertura.

Se o ângulo de proteção do subsistema de captação corresponde a 45°, qual a distância máxima D no plano de referência, tal como ilustrado na figura, para a qual um objeto de 5 metros de altura e de largura desprezível ainda permaneça na ZPR0B?
Provas
Em uma instalação elétrica, todos os equipamentos de utilização previstos coincidem com a tensão nominal da instalação. As linhas principais da instalação apresentam comprimento inferior a 100 m e não há circuitos compostos por motores. Com base na Norma Brasileira ABNT NBR 5410, qual o valor limite de queda de tensão em qualquer ponto de utilização da instalação?
Observação: Os percentuais são dados em relação ao valor da tensão nominal da instalação.
Provas
Geradores síncronos consistem em máquinas elétricas que, por definição, apresentam a velocidade mecânica de rotação vinculada à frequência elétrica do estator.
Com base nas características da referida máquina, qual a velocidade mecânica do rotor, em rpm, em um gerador síncrono de 10 pares de polos quando alimentado a uma frequência de 60 Hz?
Provas
A respeito dos ensaios realizados em um transformador de potência real (monofásico) para a obtenção de seus parâmetros elétricos, está correto o que se afirma em:
Provas
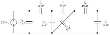
Observe o circuito capacitivo alimentado por uma fonte de tensão em corrente contínua apresentado a seguir.

Qual a capacitância equivalente vista pelos terminais da fonte e a energia armazenada no capacitor C1, respectivamente?
Provas
Com base na ABNT NBR 5419, o risco (R) trata-se de um valor relativo a uma provável perda anual média. Para cada tipo de perda passível de surgimento na estrutura, o risco resultante deve ser avaliado. Diante do exposto e pautando-se na referida Norma, associe corretamente as classificações de risco a sua respectiva denominação.
CLASSIFICAÇÕES
1 - R1
2 - R2
3 - R3
4 - R4
5 - R5
DENOMINAÇÕES
( ) Risco de perda de vida humana.
( ) Risco de perda de serviços ao público.
( ) Risco de perda de valores econômicos.
( ) Risco de perda de patrimônio cultural.
A sequência correta, de cima para baixo, é dada por
Provas
Um gerador trifásico ideal, em Y, alimenta uma carga conectada em !$ \Delta !$ por meio de uma linha de transmissão.
Sabendo-se que a impedância da linha é de j15 !$ \Omega !$ por fase, que a impedância da carga é de j90 !$ \Omega !$ por fase e que o valor da tensão de fase (eficaz) nos terminais do gerador é de 127 V, qual é, mais próximo possível, o módulo da corrente eficaz de linha para o sistema descrito?
Provas
Com base na figura a seguir, qual é a tensão Vx no circuito?

Provas
Considere o circuito a seguir.

Considerando-se que foi inserido um resistor na carga RL, que produz a máxima transferência de potência, qual a potência, em W, que a carga absorve?
Provas
Considere o circuito a seguir.

A resistência de Norton vista dos terminais a e b deste circuito, em !$ \Omega !$, é de
Provas
Caderno Container