Magna Concursos

Foram encontradas 1.245 questões.

64681 Ano: 2010
Disciplina: Engenharia Florestal
Banca: CESGRANRIO
Orgão: IBGE

Uma carta topográfica em papel na escala 1:25.000 foi utilizada para se obter a escala aproximada de uma fotografia aérea. Nessa carta, a distância entre dois pontos de mesma altitude foi de 112 mm, ao passo que`, na fotografia aérea, a distância entre esses mesmos dois pontos foi de 70 mm. Qual é a escala aproximada dessa fotografia aérea?

 

Provas

Questão presente nas seguintes provas
64680 Ano: 2010
Disciplina: Engenharia Ambiental e Sanitária
Banca: CESGRANRIO
Orgão: IBGE

Analise as afirmações abaixo, correspondentes a cartas topográficas.

I - Tem-se uma carta na escala de 1:50.000 e necessita- se de uma carta na escala 1:10.000, o que supõe ampliar a existente em cinco vezes para se obter a precisão de uma carta na escala de 1:10.000.

II - Em uma carta no sistema UTM, o Norte Magnético é sempre tangente ao meridiano geodésico e, em qualquer ponto, está direcionado para o Polo Norte.

III - O Brasil adotará o sistema de referência geocêntrica (SIRGAS2000), o que significa que todas as cartas oficiais produzidas a partir de 2014 deverão usar esse sistema.

IV - No sistema UTM, o fator de escala aumenta do Meridiano Central em direção às bordas do fuso.

V - No sistema UTM, a origem do sistema de coordenadas é o Meridiano Central, com coordenada 500.000 m, e o Equador, com coordenada 0 (zero) m para o hemisfério Norte e 10.000.000 m para o hemisfério sul.

São corretas APENAS as afirmações

II e IV.
III e V.
 

Provas

Questão presente nas seguintes provas
64679 Ano: 2010
Disciplina: Engenharia Ambiental e Sanitária
Banca: CESGRANRIO
Orgão: IBGE

As afirmativas abaixo dizem respeito à altimetria.

I - A equidistância entre as curvas de níveis é função da escala da carta, do relevo e da precisão do levantamento.

II - Equidistância não significa a distância horizontal entre as curvas de níveis e sim a distância vertical entre elas.

III - Geralmente, as curvas de nível cruzam os cursos d’água em forma de “V”, com o vértice apontando para a foz.

IV - Quanto mais próximas são as curvas de níveis mestras umas das outras, menor é a declividade do terreno.

São corretas as afirmativas

 

Provas

Questão presente nas seguintes provas
64677 Ano: 2010
Disciplina: Engenharia Ambiental e Sanitária
Banca: CESGRANRIO
Orgão: IBGE

Em um recobrimento aéreo, cuja altura de voo é igual a 6.000 metros, ao se utilizar uma câmara com distância focal de 150 mm, a escala da fotografia será

 

Provas

Questão presente nas seguintes provas
64676 Ano: 2010
Disciplina: Engenharia Florestal
Banca: CESGRANRIO
Orgão: IBGE

Sendo a precisão gráfica igual a 0,2 mm, considere uma região da superfície da Terra que precisa ser mapeada e que possua muitos acidentes com 15 metros de extensão. A menor escala a ser adotada para que esses acidentes tenham representação é

 

Provas

Questão presente nas seguintes provas
64674 Ano: 2010
Disciplina: Engenharia Civil
Banca: CESGRANRIO
Orgão: IBGE

Uma determinada viga, com vão L, está submetida a uma carga distribuída de valor q e apresenta a seguinte equação da linha elástica:

y = \( \dfrac{q}{48EJ} \) (2x4 - 3Lx3 + L x3)

onde E é o módulo de elasticidade do material da viga, J seu momento de inércia em relação ao eixo de flexão e x define o eixo logitudinal. A viga está impedida de se deslocar horizontalmente em todos os seus apoios.

O valor absoluto do momento fletor para x = L/2 vale

 

Provas

Questão presente nas seguintes provas
64672 Ano: 2010
Disciplina: Engenharia Civil
Banca: CESGRANRIO
Orgão: IBGE

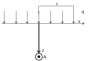
A figura a seguir apresenta a aplicação de uma carga distribuída circular de raio r e intensidade q sobre um terreno.

Enunciado 3607943-1

Utilizando a fórmula de Love, o acréscimo de tensão vertical no ponto A, por causa da aplicação da carga q para z = r, vale

 

Provas

Questão presente nas seguintes provas
64666 Ano: 2010
Disciplina: Engenharia Civil
Banca: CESGRANRIO
Orgão: IBGE

A estrutura em treliça da figura é formada por quatro barras com mesma área da seção transversal A, mesmo comprimento e mesmo módulo de elasticidade E.

Enunciado 3607932-1

A variação de comprimento da barra 3-5, em módulo, é igual a

 

Provas

Questão presente nas seguintes provas
64663 Ano: 2010
Disciplina: Engenharia Civil
Banca: CESGRANRIO
Orgão: IBGE

A estrutura em treliça da figura é formada por quatro barras com mesma área da seção transversal A, mesmo comprimento e mesmo módulo de elasticidade E.

Enunciado 3607929-1

O deslocamento horizontal do ponto de aplicação das cargas, em função de P, E, L e A, vale

 

Provas

Questão presente nas seguintes provas
64662 Ano: 2010
Disciplina: Engenharia Cartográfica
Banca: CESGRANRIO
Orgão: IBGE

Existem diversas técnicas que visam a otimizar a visualização de imagens codificadas como arquivos no formato matricial (raster), principalmente quando armazenados em banco de dados. A principal delas consiste em armazenar diversas cópias da imagem em diferentes resoluções, de modo que seja visualizada aquela cópia cuja resolução mais se adapte à escala de visualização solicitada. Para ilustrar esse tipo de armazenamento, considere uma imagem em sua maior escala de representação (mais detalhada). Essa imagem é dividida em blocos regulares, de modo que não seja necessário se carregar o arquivo inteiro para visualização de apenas uma parte da área representada. Para visualização em escalas menores (menor detalhamento), são armazenadas, em um novo nível, reamostragens da imagem original, de modo que a área abrangida por 1 bloco nesse nível corresponda à área abrangida por 4 blocos do nível anterior. Assim, pode-se reduzir o detalhamento da imagem em diversos níveis, de modo que, no último nível, apenas um bloco seja necessário para se representar toda a área da imagem original.Considera-se que todos os blocos possuam o mesmo formato e número de pixels. Essa técnica é conhecida pelo nome de

 

Provas

Questão presente nas seguintes provas