Foram encontradas 35 questões.
Uma função lógica é mostrada por meio de seu mapa de Karnaugh.
|
\( \overline{D}\ \overline{C} \) |
\( \overline{D}\ C \) |
\( D\ C \) |
\( D\ \overline{C} \) |
|
|
\( \overline{B}\ \overline{A} \) |
1 |
0 |
0 |
1 |
|
\( \overline{B}\ A \) |
1 |
1 |
1 |
1 |
|
\( B\ A \) |
0 |
1 |
1 |
1 |
|
\( B\ \overline{A} \) |
1 |
0 |
0 |
1 |
São expressões para essa função simplificada, exceto:
Provas
A figura a seguir mostra dois diagramas em bloco de circuitos eletrônicos que utilizam a técnica de MLP ou PWM.

Sobre o circuito, assinale a alternativa incorreta.
Provas
Sobre máquinas elétricas, assinale a alternativa incorreta.
Provas
O comportamento de um transistor Mosfet é mostrado por meio de suas curvas características ID x VDS.
Sobre o funcionamento de um NMOS, assinale a alternativa incorreta.
Provas
Sobre aspectos da bioeletricidade celular, assinale a alternativa incorreta.
Provas
A reação do organismo à passagem da corrente é o choque elétrico, que pode produzir de queimaduras a parada cardíaca.
A respeito do choque elétrico e suas consequências, assinale a afirmativa incorreta.
Provas
Um programa de gerenciamento de manutenção preventiva (MP) de equipamentos hospitalares requer a implementação de uma metodologia de priorização de equipamentos para o programa.
São critérios de priorização, exceto:
Provas
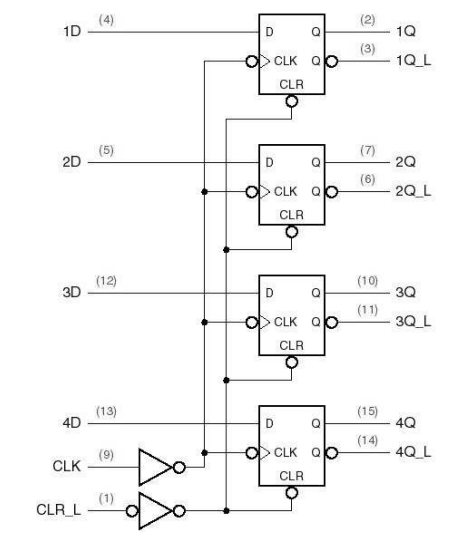
A figura a seguir apresenta o diagrama do CI 74LS175.

Sobre características desse CI, assinale a alternativa incorreta.
Provas
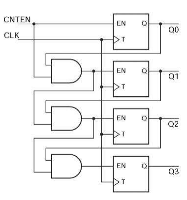
Analise o seguinte diagrama, que mostra um contador com FF tipo T e entrada de hablitação Enable-EN.

A esse respeito, assinale a alternativa incorreta.
Provas
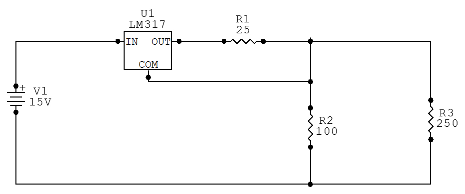
O circuito mostra uma fonte de corrente constante usando o CI LM317, que apresenta tensão fixa de 1,25 V entre os terminais OUT(+) e COM(-). Os resistores estão em ohm e a corrente em COM é zero.

O modelo de Thevenin do circuito, visto pelos terminais de R3, apresenta VTh e RTh, respectivamente, iguais a
Provas
Caderno Container