Foram encontradas 50 questões.
Considere que uma carga R está ligada a uma fonte de alimentação V1 e dissipa uma
Potência P1. Em dado momento, essa mesma carga teve a sua fonte de alimentação substituída por
outra de V2 = 3xV1. Sendo assim, assinale a alternativa correta.
Provas
Questão presente nas seguintes provas
Analise o circuito da figura abaixo e determine a corrente total circulante para as
duas posições X (Ix) e Y (Iy) da chave S.


Provas
Questão presente nas seguintes provas
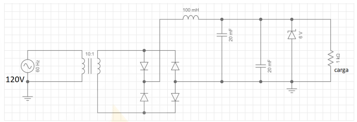
Analise o circuito da figura abaixo e assinale a alternativa correta. Considere que
Vz = 6 V e que todos os componentes são ideais.


Provas
Questão presente nas seguintes provas
Com base no circuito da figura abaixo, no qual todos os diodos zener Vz = 10 V,
determine as leituras máxima e mínima do voltímetro. Assuma comportamento ideal para todos os
componentes.


Provas
Questão presente nas seguintes provas
Considerando a figura abaixo, que apresenta um triângulo de potências de um
sistema elétrico monofásico, determine o Fator de Potência (FP). Realize arredondamentos a partir da
3ª casa decimal.


Provas
Questão presente nas seguintes provas
As opções de alinhamento de texto presentes no Microsoft Word 2016 e representadas
por quatro botões de alinhamento encontrados na barra de ferramentas são:
Provas
Questão presente nas seguintes provas
No Microsoft Excel 2016, para renomear uma planilha, deve-se executar os seguintes
passos:
Provas
Questão presente nas seguintes provas
No Microsoft Excel 2016, há uma fórmula condicional criada por meio da função SE
que, por padrão, tem os seguintes argumentos:
Provas
Questão presente nas seguintes provas
No Windows 10, na extremidade direita da barra de tarefas, existe a área de
notificação que, por padrão, contém alguns itens, destacando-se como exemplo o:
Provas
Questão presente nas seguintes provas
No Windows 10, a tela de fundo que permite a inserção de pastas, arquivos,
aplicativos e atalhos e que tem uma barra de tarefas que fornece acesso às funcionalidades do
computador é conhecida como:
Provas
Questão presente nas seguintes provas
Cadernos
Caderno Container