Foram encontradas 50 questões.
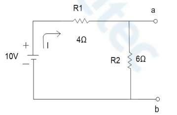
O Teorema de Thévenin é uma ferramenta fundamental na análise de circuitos elétricos, especialmente útil para simplificar circuitos complexos. Ele estabelece que qualquer circuito linear com dois terminais pode ser substituído por um circuito equivalente mais simples, composto por uma única fonte de tensão (Vth) em série com uma única resistência (Rth). Com base no circuito da figura abaixo, determine a tensão e a resistência de Thévenin.

Provas
O setor responsável pelas licitações do GHC solicitou ao engenheiro eletricista que apresentasse o cálculo no memorial técnico descritivo referente à subestação transformadora de 300 kVA (com refrigeração a óleo natural), alimentada em média tensão de 13,8 kV e com a tensão no secundário de 380V/220V (trifásico, 4 fios + neutro), como mostra o esboço gráfico da figura abaixo:

Determine a corrente nominal no lado da média tensão e a corrente secundária nominal, respectivamente, considerando raiz de 3 = 1,73.
Provas
O Princípio da Superposição (ou Teorema da Superposição) é uma ferramenta fundamental na análise de circuitos elétricos lineares com múltiplas fontes independentes de energia (sejam elas de tensão ou de corrente). Analise a figura abaixo e aplique o Teorema da Superposição para determinar as correntes I1 e I2, respectivamente.

Provas
Analise a figura abaixo, que ilustra um esboço de representações de ondas chamadas de harmônicas. Em eletricidade, as ondas harmônicas são tensões ou correntes que têm frequências múltiplas da frequência fundamental da rede elétrica e são como distorções, adicionando componentes de frequência, que são múltiplos inteiros da fundamental.

Assinale a alternativa que indica apenas equipamentos que geram ondas harmônicas.
Provas
Provas
Assinale a alternativa que preenche, correta e respectivamente, as lacunas do trecho acima.
Provas
Provas
Para que o motor ligue, deve-se acionar:
Provas
O GHC recebeu uma notificação da concessionária do sistema elétrico sobre o baixo valor do Fator de Potência (FP) do seu sistema elétrico e encontrou os seguintes parâmetros:
- Potência ativa: 160 kW.
- Potência aparente: 200 kVA.
- FP: 0,80.
A concessionária solicita que o FP seja atualizado para 0,92. Os valores da potência ativa e da potência aparente são, correta e respectivamente:
Provas
- Instalações ElétricasSubestaçõesCustos, diagramas unifilares básicos, tipos de barramentos, sistemas auxiliares
O Grupo Hospitalar Conceição (GHC) precisa fazer a instalação de uma subestação transformadora de 300 KVA, e o setor de licitações solicitou ao engenheiro eletricista a elaboração do projeto básico, com o objetivo de viabilizar a proposta sob os aspectos técnico e orçamentário para posteriormente dar prosseguimento ao processo licitatório, seguindo as normas internas do GHC. Devem fazer parte da elaboração do projeto básico, entre outros, os seguintes itens:
I. Descrição do objeto, justificativa e objetivo da contratação.
II. Estudos técnicos preliminares.
III. Recomendações da concessionária.
IV. Dimensionamento, diagramas e plantas, assim como diagrama unifilar.
V. Regime de execução contratual, matriz de riscos, garantias e licenciamento ambiental.
Quais estão corretos?
Provas
Caderno Container