Foram encontradas 125 questões.
Tendo em vista que, em regra geral, as contratações de obras públicas devem ser realizadas através de processos licitatórios, e que a licitação destina-se a garantir a observância do princípio constitucional da isonomia, a seleção da proposta mais vantajosa para a administração e a promoção do desenvolvimento nacional sustentável, sendo processada e julgada em estrita conformidade com os princípios básicos da legalidade, da impessoalidade, da moralidade, da igualdade, da publicidade, da probidade administrativa, da vinculação ao instrumento convocatório, do julgamento objetivo e dos que lhes estão correlatados. Considerando assim, as contratações de obras públicas regidas pela Lei 8.666, de 21 de junho de 1993, é correto afirmar que:
Provas
No que diz respeito a revestimentos, está correto afirmar que:
Provas
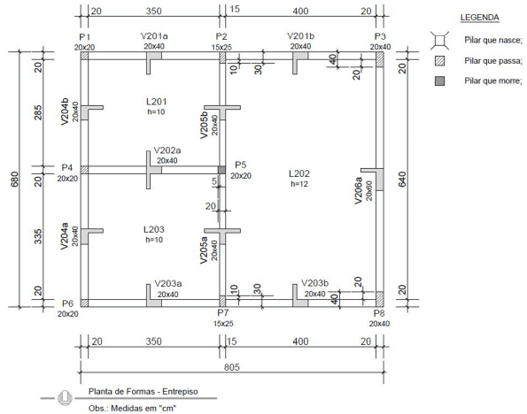
Considerando a Planta de Fôrmas abaixo, pode-se afirmar que:

I. O trecho “a” da viga “V205” possui seção transversal com altura igual a 20cm e largura de 40cm.
II. O pilar “P5” termina no entrepiso.
III. A espessura da laje “L202” é igual a 12cm.
IV. O pilar “P7” possui seção longitudinal de 15cm x 25cm.
São verdadeiras apenas as afirmativas:
Provas
- Tecnologia das ConstruçõesSistemas e Elementos ConstrutivosSistemas EstruturaisEstruturas de Concreto
A determinação da consistência pelo abatimento do tronco de cone, conforme NBR NM 67 é uma importante etapa no recebimento do concreto na obra, que deve ser acompanhado pela fiscalização da obra. De posse do exposto acima, analise as informações a seguir:
I. Deve-se umedecer o molde e a placa base antes do preenchimento com concreto;
II. O preenchimento do molde deve ser realizado em duas camadas, compactadas com 20 golpes cada;
III. O abatimento do corpo-de-prova é expresso em milímetros, sendo medido da placa base até o topo da massa de concreto, após a retirada do molde;
IV. Fazem parte da aparelhagem do ensaio de determinação da consistência pelo abatimento do tronco de cone: molde em forma de tronco de cone oco, haste de compactação e placa base.
É correto apenas o que se afirma em:
Provas
Verifique o desenho abaixo e as seguintes afirmativas relacionadas ao que preconiza a Resolução Técnica CBMRS nº 11 – parte 01/2016 (Saídas de Emergência):

I. O desenho representa uma escada enclausurada à prova de fumaça, com suas caixas enclausuradas por paredes resistentes a 240 minutos de fogo, no mínimo.
II. O desenho representa uma escada enclausurada à prova de fumaça, com suas caixas enclausuradas por paredes resistentes a 120 minutos de fogo, no mínimo.
III. O desenho representa uma escada enclausurada protegida, com suas caixas isoladas por paredes resistentes a 120 minutos de fogo, no mínimo.
IV. Para esse tipo de escada, não é necessária antecâmara no pavimento de descarga.
V. Essa escada deve ser provida de portas corta-fogo com resistência de 30 minutos.
VI. As antecâmaras dessa escada devem ter abertura de entrada de ar situada junto ao teto e ter abertura de saída de ar situada junto ao piso.
Quais estão corretas?
Provas
De acordo com a legislação vigente para elaboração do Plano de Prevenção e Proteção Contra Incêndio, para o município de Rio Grande, é correto afirmar:
I. Conforme a NBR 17240/2010, a máxima área de cobertura para um detector pontual de fumaça, instalado em um ambiente livre e desobstruído, a uma altura de até 8m, em teto plano ou com vigas de até 0,20m, e com até oito trocas de ar por hora, é de 81m².
II. De acordo com a Resolução Técnica de Transição – CBMRS/2017, considera-se uma edificação com o risco isolado em relação a outra adjacente no mesmo lote se apresentar uma distância de 3 metros de afastamento entre elas.
III. Em concordância com a Resolução Técnica CBMRS nº 14/2016, os extintores da classe A, com a classe de risco médio, devem apresentar uma distância máxima a ser percorrida de 15 metros.
IV. Segundo a NBR 13714/2000, nos sistemas de hidrantes e de mangotinhos para combate a incêndio, o alcance do jato compacto produzido por qualquer sistema não deve ser inferior a 8m, medido da saída do esguicho ao ponto de queda do jato.
V. Consoante a Instrução Técnica nº 10/2011, quando o material empregado for incombustível (classe I), não haverá necessidade de apresentar Anotação de Responsabilidade Técnica (ART) do Emprego de Materiais de Acabamento e de Revestimento.
Com base nas afirmações acima expostas, assinale a alternativa certa.
Provas
O quadro de áreas abaixo é referente a um prédio de laboratórios da Universidade, ocupação D-4, segundo o Decreto nº 53.280, de 1º de novembro de 2016.
| Quadro de Áreas | |
| Laboratório 1 | 150 m² |
| Laboratório 2 | 150 m² |
| Laboratório 3 | 150 m² |
| Laboratório 4 | 180 m² |
| Sanitários | 40 m² |
| Corredores | 100 m² |
| TOTAL | 770m2 |
Sabendo-se que para essa ocupação, considera-se uma pessoa por 7 m² de área e a capacidade da unidade de passagem para acessos, descargas e portas é de 100.
Com base nessas informações, responda às seguintes questões:
- Qual a população desse prédio, segundo a Resolução Técnica CBMRS nº11
– parte 01/2016 (Saídas de Emergência)?
- Considerando que o prédio apresente apenas um acesso, qual a largura mínima desse acesso?
- Qual o sentido de abertura da porta de acesso ao prédio?
Provas
Para a zona bioclimática de Rio Grande, quais diretrizes construtivas são adequadas?
Provas
A luz natural está disponível na maior parte das horas do dia, mas infelizmente não é adequadamente explorada pela maioria dos projetos. Nesse contexto, marque a alternativa que evidencie estratégias de iluminação natural, segundo Lamberts et al (2014), para a utilização dos recursos arquitetônicos capazes de explorar o uso adequado da luz natural nas edificações:
Provas
A eficiência energética de edificações tem sido considerada como princípio básico na concepção de projetos e elaboração de especificações. A etiquetagem de edificações proporciona a eficiência requerida em diversos níveis, conforme estabelecido pelo Regulamento Técnico da Qualidade para o Nível de Eficiência Energética de Edificações Comerciais, de Serviços e Públicas (RTQ-C). Nesse contexto, assinale a opção correta.
Provas
Caderno Container