Foram encontradas 120 questões.
Com relação a sistemas de controle e processamento de sinais, julgue o item seguinte.
Para o sistema representado pela equação de estado a seguir, os polos são s = 0, s = -1 e s = -2.

y = [1 0 0]
Provas
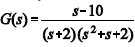
Com relação a sistemas de controle e processamento de sinais, julgue o item seguinte.
Se a função de transferência em malha fechada de um sistema
for
, ele será estável para - 20 < k < 0.
Provas
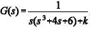
Com relação a sistemas de controle e processamento de sinais, julgue o item seguinte.
Se a função de transferência em malha fechada de um sistema
é
, esse sistema é instável.
Provas
Julgue o próximo item, a respeito de sistemas computacionais.
A máquina de estados Mealy é representada corretamente pelo circuito sequencial mostrado na figura seguinte.

Provas

Considerando o diagrama de blocos precedente, que representa o transmissor de um sistema PCM, julgue o item a seguir.
Um codificador que utiliza a sinalização liga-desliga desperdiça potência devido ao nível DC transmitido.
Provas

Considerando o diagrama de blocos precedente, que representa o transmissor de um sistema PCM, julgue o item a seguir.
O sinal de entrada é amostrado com um trem de pulsos retangulares com a maior largura de pulso possível, a fim de se diminuir o erro de amostragem.
Provas

Considerando o diagrama de blocos precedente, que representa o transmissor de um sistema PCM, julgue o item a seguir.
O filtro passa-baixas inserido na saída da fonte de sinal de tempo contínuo evita que um componente de alta frequência no espectro do sinal assuma a identidade de uma frequência mais baixa em sua versão amostrada.
Provas

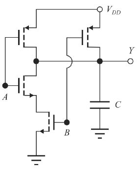
De acordo com a topologia apresentada no circuito da figura anterior, utilizado para realizar uma operação lógica, julgue o próximo item.
Se A = 1 e B = 0, somente os transistores NMOS da entrada A e os PMOS da entrada B estarão conduzindo.
Provas

De acordo com a topologia apresentada no circuito da figura anterior, utilizado para realizar uma operação lógica, julgue o próximo item.
Quando A = 1 e B = 1, os transistores PMOS estarão conduzindo
Provas

De acordo com a topologia apresentada no circuito da figura anterior, utilizado para realizar uma operação lógica, julgue o próximo item.
Uma das desvantagens da utilização da tecnologia MOS é o alto valor da corrente de porta, responsável pela maior parte da dissipação de potência nos circuitos.
Provas
Caderno Container