Foram encontradas 120 questões.
- EletrotécnicaCircuitos Elétricos em Eletricidade
- EletrotécnicaCircuitos de Corrente Contínua e de Corrente Alternada
Um circuito de corrente alternada, alimentado por uma fonte de tensão de frequência 60 Hz, é composto por um resistor R = 10 Ω, um capacitor C = (1/6,28) F e um indutor L = 1/12 H. Com base nessas informações e considerando que 3,14 seja o valor aproximado de π e que todos os elementos do circuito sejam ideais, julgue o item subsecutivo.
O valor, em Ohms, da reatância capacitiva é maior que 1.
O valor, em Ohms, da reatância capacitiva é maior que 1.
Provas
Questão presente nas seguintes provas
Um eletricista, ao analisar o consumo de energia elétrica
em uma sala de compressores efetuando diversas medições nos
painéis de controle, constatou, entre as maiores cargas, a existência
de um motor de indução trifásico de 147 kW alimentado por uma
rede trifásica de 380 V, 60 Hz, que drenava uma corrente média de
268 A, consumindo uma energia mensal de 105 kWh.
A partir dessas informações e com referência ao sistema internacional de unidades (SI), julgue o item seguinte.
Os símbolos indicados para as grandezas são recomendações e os símbolos indicados para as unidades são obrigatórios.
A partir dessas informações e com referência ao sistema internacional de unidades (SI), julgue o item seguinte.
Os símbolos indicados para as grandezas são recomendações e os símbolos indicados para as unidades são obrigatórios.
Provas
Questão presente nas seguintes provas
No que se refere a instrumentos de medidas elétricas e a geradores
de funções, julgue o item seguinte.
Se os dois terminais de saída de um gerador de funções típico forem conectados aos dois terminais de um resistor de 1 kΩ, a tensão entre os terminais será a metade daquela que haveria nos terminais do resistor caso este tivesse uma resistência infinita.
Se os dois terminais de saída de um gerador de funções típico forem conectados aos dois terminais de um resistor de 1 kΩ, a tensão entre os terminais será a metade daquela que haveria nos terminais do resistor caso este tivesse uma resistência infinita.
Provas
Questão presente nas seguintes provas
Um eletricista, ao analisar o consumo de energia elétrica em uma sala de compressores efetuando diversas medições nos painéis de controle, constatou, entre as maiores cargas, a existência de um motor de indução trifásico de 147 kW alimentado por uma rede trifásica de 380 V, 60 Hz, que drenava uma corrente média de 268 A, consumindo uma energia mensal de 105 kWh.
A partir dessas informações e com referência ao sistema internacional de unidades (SI), julgue o item seguinte.
De acordo com o SI, a potência do motor pode ser escrita corretamente nas seguintes formas 147 kW ou 147 K W.
A partir dessas informações e com referência ao sistema internacional de unidades (SI), julgue o item seguinte.
De acordo com o SI, a potência do motor pode ser escrita corretamente nas seguintes formas 147 kW ou 147 K W.
Provas
Questão presente nas seguintes provas
Com relação aos diversos tipos de transformadores usados em
medidas elétricas, julgue o item que se segue.
Uma das funções comuns dos transformadores de medida é garantir o isolamento galvânico entre a rede de alta tensão ou corrente e o circuito de medida, protegendo-se os operadores.
Uma das funções comuns dos transformadores de medida é garantir o isolamento galvânico entre a rede de alta tensão ou corrente e o circuito de medida, protegendo-se os operadores.
Provas
Questão presente nas seguintes provas
- EletrotécnicaCircuitos Elétricos em Eletricidade
- EletrotécnicaCircuitos de Corrente Contínua e de Corrente Alternada
Três cargas resistivas, de 60 W cada, com tensão nominal de 220 V, foram interligadas de três maneiras, formando três circuitos: I) as três cargas estão ligadas em paralelo; II) as três cargas estão ligadas em série; III) duas cargas estão ligadas em paralelo e ligadas em série com a terceira carga.
Considerando que esses três circuitos foram alimentados por uma fonte ideal com a tensão nominal das cargas, julgue o item a seguir.
A potência total do circuito I é maior que 120 W.
Considerando que esses três circuitos foram alimentados por uma fonte ideal com a tensão nominal das cargas, julgue o item a seguir.
A potência total do circuito I é maior que 120 W.
Provas
Questão presente nas seguintes provas
Com relação aos diversos tipos de transformadores usados em medidas elétricas, julgue o item que se segue.
A forma correta para se realizar uma medida da corrente em uma fase de alta tensão por meio de um transformador de corrente é conectar os dois terminais do primário a duas fases diferentes e medir a tensão no secundário; nesse caso, o número de espiras será muito menor no secundário do que no primário.
A forma correta para se realizar uma medida da corrente em uma fase de alta tensão por meio de um transformador de corrente é conectar os dois terminais do primário a duas fases diferentes e medir a tensão no secundário; nesse caso, o número de espiras será muito menor no secundário do que no primário.
Provas
Questão presente nas seguintes provas
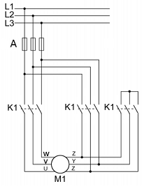
Em relação a normas e técnicas aplicáveis ao desenho técnico de circuitos elétricos e eletrônicos, julgue o item subsecutivo.
A figura seguinte apresenta um diagrama de comando para acionamento de um motor, sendo os componentes identificados pela letra A correspondentes a disjuntores utilizados para proteger cada fase.

A figura seguinte apresenta um diagrama de comando para acionamento de um motor, sendo os componentes identificados pela letra A correspondentes a disjuntores utilizados para proteger cada fase.

Provas
Questão presente nas seguintes provas
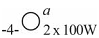
Em relação a normas e técnicas aplicáveis ao desenho técnico de circuitos elétricos e eletrônicos, julgue o item subsecutivo.
O símbolo a seguir, apresentado em uma legenda de uma planta de instalação elétrica, indica a utilização de um ponto de luz pertencente ao circuito a, com ponto de comando pelo interruptor 4 e duas lâmpadas incandescentes com 100W de potência cada.

O símbolo a seguir, apresentado em uma legenda de uma planta de instalação elétrica, indica a utilização de um ponto de luz pertencente ao circuito a, com ponto de comando pelo interruptor 4 e duas lâmpadas incandescentes com 100W de potência cada.
Provas
Questão presente nas seguintes provas

O condutor de fase, identificado pela letra R, pode ser utilizado nas cores preto, vermelho ou verde.
Provas
Questão presente nas seguintes provas
Cadernos
Caderno Container