Foram encontradas 120 questões.

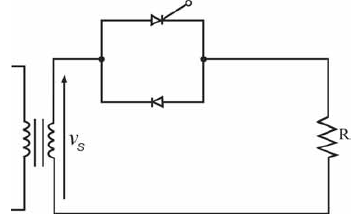
A figura acima ilustra um conversor CA-CA monofásico,
em que vS é a tensão no secundário do transformador de
alimentação e R representa uma resistência de carga. O diodo e o
tiristor são ideais e o ângulo de disparo do tiristor está estritamente
no intervalo de 0º a 180º.
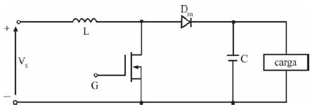
A figura abaixo ilustra um conversor CC-CC em que a tensão de alimentação Vs é superior à tensão na carga.

Provas
Questão presente nas seguintes provas
- Diodo na Engenharia Eletrônica
- Eletrônica Analógica na Engenharia Eletrônica
- Eletrônica de Potência na Engenharia Eletrônica
- Tiristor

A figura acima ilustra um conversor CA-CA monofásico,
em que vS é a tensão no secundário do transformador de
alimentação e R representa uma resistência de carga. O diodo e o
tiristor são ideais e o ângulo de disparo do tiristor está estritamente
no intervalo de 0º a 180º.
O conversor mostrado, também conhecido como controlador unidirecional, é apropriado somente para cargas de baixa potência, tais como aquecimento e iluminação.
Provas
Questão presente nas seguintes provas
- Diodo na Engenharia Eletrônica
- Eletrônica Analógica na Engenharia Eletrônica
- Eletrônica de Potência na Engenharia Eletrônica
- Tiristor

A figura acima ilustra um conversor CA-CA monofásico,
em que vS é a tensão no secundário do transformador de
alimentação e R representa uma resistência de carga. O diodo e o
tiristor são ideais e o ângulo de disparo do tiristor está estritamente
no intervalo de 0º a 180º.
O menor valor que a tensão eficaz na carga pode assumir é superior a 2/3 da tensão eficaz no secundário do transformador.
Provas
Questão presente nas seguintes provas
- Diodo na Engenharia Eletrônica
- Eletrônica Analógica na Engenharia Eletrônica
- Eletrônica de Potência na Engenharia Eletrônica
- Tiristor

A figura acima ilustra um conversor CA-CA monofásico,
em que vS é a tensão no secundário do transformador de
alimentação e R representa uma resistência de carga. O diodo e o
tiristor são ideais e o ângulo de disparo do tiristor está estritamente
no intervalo de 0º a 180º.
A tensão média na carga do conversor apresentado é sempre negativa.
Provas
Questão presente nas seguintes provas

O circuito dissipará menos potência quando comparado a um circuito idêntico que utilize portas lógicas da família TTL. Por essa razão, é possível encapsular, em um dado chip, uma quantidade maior de circuitos CMOS do que de circuitos TTL.
Provas
Questão presente nas seguintes provas

É possível substituir todas as portas lógicas do circuito por uma única porta Exclusive NOR de modo que a saída S permaneça inalterada.
Provas
Questão presente nas seguintes provas

Se todos os resistores forem iguais, então v0 = v2 - v1.
Provas
Questão presente nas seguintes provas

Se R 1 = R 3 = 1 kΩ, R2 = R4 = 2 kΩ, v1 = 2 V e v2 = 5 V, então v0 = 4 V.
Provas
Questão presente nas seguintes provas

O circuito funcionará como amplificador inversor se o terminal v 1 for aterrado e, como não inversor, se o terminal v 2 for aterrado.
Provas
Questão presente nas seguintes provas
A respeito dos conceitos associados a comunicações analógicas e
digitais, julgue o item seguinte.
Na comutação analógica, a ligação física é mantida continuamente durante toda a duração da chamada, ao passo que, na comutação digital, a ligação física é mantida de forma cíclica somente durante o time slot correspondente à chamada.
Na comutação analógica, a ligação física é mantida continuamente durante toda a duração da chamada, ao passo que, na comutação digital, a ligação física é mantida de forma cíclica somente durante o time slot correspondente à chamada.
Provas
Questão presente nas seguintes provas
Cadernos
Caderno Container