Foram encontradas 706 questões.
Nas colunas abaixo estão descritos alguns EQUIPAMENTOS ELÉTRICOS e FUNÇÕES:
EQUIPAMENTOS ELÉTRICOS:
I. Para-raios. II. Disjuntores. III. Transformadores de força.
FUNÇÕES:
A. São os equipamentos responsáveis pela conversão da energia elétrica recebida em alta tensão para baixa tensão. B. São os equipamentos responsáveis pelas manobras de instalações elétricas, interrompendo ou restabelecendo a carga dos circuitos ou da instalação geral. C. São equipamentos responsáveis pela segurança das instalações e atuam durante uma súbita elevação do valor de tensão nominal da rede de distribuição por ocasião de uma descarga atmosférica.
A CORRETA ASSOCIAÇÃO entre os EQUIPAMENTOS ELÉTRICOS e suas respectivas FUNÇÕES está descrita em:
EQUIPAMENTOS ELÉTRICOS:
I. Para-raios. II. Disjuntores. III. Transformadores de força.
FUNÇÕES:
A. São os equipamentos responsáveis pela conversão da energia elétrica recebida em alta tensão para baixa tensão. B. São os equipamentos responsáveis pelas manobras de instalações elétricas, interrompendo ou restabelecendo a carga dos circuitos ou da instalação geral. C. São equipamentos responsáveis pela segurança das instalações e atuam durante uma súbita elevação do valor de tensão nominal da rede de distribuição por ocasião de uma descarga atmosférica.
A CORRETA ASSOCIAÇÃO entre os EQUIPAMENTOS ELÉTRICOS e suas respectivas FUNÇÕES está descrita em:
Provas
Questão presente nas seguintes provas
- EletrotécnicaCircuitos Trifásicos em Eletricidade
- EletrotécnicaCircuitos Elétricos em Eletricidade
- EletrotécnicaMotores
- EletrotécnicaEquipamentos Elétricos
As bobinas de um motor trifásico de seis terminais estão ligadas conforme a figura abaixo:

Sabendo que, dentre os dados de placa, consta que sua tensão nominal é 220/380V. Sendo assim, o tipo de ligação da figura acima e a tensão de alimentação da rede elétrica nos terminais T1, T2 e T3, para o funcionamento adequado do referido motor, será:

Sabendo que, dentre os dados de placa, consta que sua tensão nominal é 220/380V. Sendo assim, o tipo de ligação da figura acima e a tensão de alimentação da rede elétrica nos terminais T1, T2 e T3, para o funcionamento adequado do referido motor, será:
Provas
Questão presente nas seguintes provas
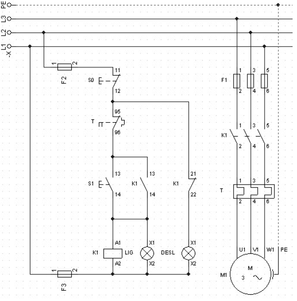
O digrama elétrico da figura abaixo representa um circuito de comando e força de um motor elétrico M. A
botoeira que liga o referido motor está representada por:


Provas
Questão presente nas seguintes provas
Na tabela abaixo consta os dados potência e consumo diários de cargas de equipamentos numa residência.
Tipo de Equipamento ----- Potência (W) ----- Funcionamento Médio Diário (h) Chuveiro Elétrico ----------------- 6000 ---------------------------- 1 Geladeira ----------------- 450 ---------------------------- 24 Televisor ------------------ 200 ---------------------------- 7 Lâmpada incandescente --------100 ---------------------------- 8 Computador ----------------- 200 ---------------------------- 5
Qual o valor total de consumo de energia elétrica no final do mês?
Tipo de Equipamento ----- Potência (W) ----- Funcionamento Médio Diário (h) Chuveiro Elétrico ----------------- 6000 ---------------------------- 1 Geladeira ----------------- 450 ---------------------------- 24 Televisor ------------------ 200 ---------------------------- 7 Lâmpada incandescente --------100 ---------------------------- 8 Computador ----------------- 200 ---------------------------- 5
Qual o valor total de consumo de energia elétrica no final do mês?
Provas
Questão presente nas seguintes provas
- EletrotécnicaInstalações Elétricas em Eletricidade
- Legislação, Normas e ResoluçõesSegurança do Trabalho
Após um treinamento da norma NR-10 “Segurança em Instalações e Serviços em Eletricidade”, alguns
colegas realizaram as seguintes afirmativas:
I. De acordo com o glossário da NR-10, risco e perigo têm o mesmo significado. II. A NR-10 estabelece que, em todas as atividades com eletricidade, devem ser aplicadas medidas preventivas de controle mediante técnicas de análise de risco. III. De acordo com a NR-10, as medidas de proteção coletiva compreendem, prioritariamente, a desenergização elétrica e, na sua impossibilidade, o emprego de tensão de segurança. IV. Aterramento, equipotencialização, dupla isolação, invólucros e luvas de borracha são exemplos de proteção coletiva.
Marque a alternativa que associa corretamente as afirmativas e sua respectiva veracidade:
I. De acordo com o glossário da NR-10, risco e perigo têm o mesmo significado. II. A NR-10 estabelece que, em todas as atividades com eletricidade, devem ser aplicadas medidas preventivas de controle mediante técnicas de análise de risco. III. De acordo com a NR-10, as medidas de proteção coletiva compreendem, prioritariamente, a desenergização elétrica e, na sua impossibilidade, o emprego de tensão de segurança. IV. Aterramento, equipotencialização, dupla isolação, invólucros e luvas de borracha são exemplos de proteção coletiva.
Marque a alternativa que associa corretamente as afirmativas e sua respectiva veracidade:
Provas
Questão presente nas seguintes provas
- EletrotécnicaCircuitos Trifásicos em Eletricidade
- EletrotécnicaCircuitos Elétricos em Eletricidade
- EletrotécnicaMotores
- EletrotécnicaEquipamentos Elétricos
Um quadro de distribuição trifásico (fases A, B e C) possui também um barramento de neutro: N; e terra: T,
com tensão nominal de 380V fases-fase e 220V fase-neutro. Desse quadro serão alimentadas um motor
trifásico de 5KW-380V, chuveiro elétrico de 2500W-220V, ar condicionado de 2700W-220V e um motor
monofásico de 2600W-220V. A distribuição de carga no quadro da forma mais balanceada possível encontrase descrita em:
Provas
Questão presente nas seguintes provas
- EletrotécnicaInstalações Elétricas em Eletricidade
- Legislação, Normas e ResoluçõesSegurança do Trabalho
Segundo a norma NBR-5410 “Instalações Elétricas de Baixa Tensão” é obrigatório o uso de dispositivo
diferencial-residual de alta sensibilidade contra choque elétrico, nos quais os circuitos que:
Provas
Questão presente nas seguintes provas
Considere as afirmativas a seguir associadas a geradores elétricos:
I. Geradores elétricos convertem energia mecânica em energia elétrica. II. As grandezas fundamentais para paralelar geradores são: tensão, frequência e defasagem angular. III. Os geradores que utilizam a energia potencial da água represada em barragens para gerar energia elétrica são chamados de geradores termelétricos. IV. Os geradores que utilizam a energia de combustíveis fósseis para gerar energia elétrica são chamados de geradores hidrelétricos.
Estão CORRETAS as afirmativas:
I. Geradores elétricos convertem energia mecânica em energia elétrica. II. As grandezas fundamentais para paralelar geradores são: tensão, frequência e defasagem angular. III. Os geradores que utilizam a energia potencial da água represada em barragens para gerar energia elétrica são chamados de geradores termelétricos. IV. Os geradores que utilizam a energia de combustíveis fósseis para gerar energia elétrica são chamados de geradores hidrelétricos.
Estão CORRETAS as afirmativas:
Provas
Questão presente nas seguintes provas
- EletrotécnicaInstalações Elétricas em Eletricidade
- Legislação, Normas e ResoluçõesSegurança do Trabalho
Os circuitos de tomadas de corrente são considerados circuitos de força, conforme NBR-5410 “Instalações
Elétricas de Baixa Tensão”. Segundo a referida norma, a menor seção de condutores de cobre utilizados para
o circuito de tomadas de corrente de uso geral é de:
Provas
Questão presente nas seguintes provas
- EletrotécnicaCircuitos Elétricos em Eletricidade
- EletrotécnicaCircuitos de Corrente Contínua e de Corrente Alternada
Em um circuito, temos duas resistências elétricas de dois ohms associadas em paralelo. A resistência
equivalente para este circuito é:
Provas
Questão presente nas seguintes provas
Cadernos
Caderno Container