Foram encontradas 524 questões.
Quanto às características do sistema elétrico brasileiro, considere as seguintes afirmativas:
I − a bacia hidrográfica do Amazonas é a que apresenta maior potencial hidrelétrico, e sua localização facilita o emprego, na Região Sudeste, da energia gerada nessa bacia;
II − o potencial hidrelétrico da bacia hidrográfica do Rio Paraná é muito explorado com a finalidade de abastecer os grandes pólos industriais das Regiões Sul e Sudeste;
III − a dependência de gás natural da Bolívia é um fator impeditivo à maior utilização de usinas termelétricas que empregam esse tipo de combustível.
É(São) correta(s), apenas, a(s) afirmativa(s):
Provas
Os custos de geração de duas usinas hidrelétricas, em R$/h, são dados por:
\( C1(P_1) = 500 + 10 P_1 +P_1^2\,\,\,\,Usina\,1\\C_2(P_2) = 350 + 5P_2 + 0,5P_2^2 - Usina\,2 \)
O sistema deve atender com o mínimo custo possível a uma demanda de 15 MW. Para essas condições, as potências que deverão ser fornecidas, em MW, pelas Usinas 1 e 2, respectivamente, são:
Provas
Um sistema de geração é composto por duas unidades térmicas, denominadas 1 e 2, cujas capacidades máximas de geração são 6 MW e 8 MW, respectivamente, e cujos custos de operação, em 1.000,00R$/MW, são dados por:
C1 = 0,8 P1 + 1
C2 = 0,4 P2 +3
Com base no acima exposto, o custo de operação do sistema para atender a uma carga de 14 MW, em reais, e o valor a partir do qual o custo de operação da unidade 2 torna-se menor que o da unidade 1, em MW, respectivamente, são:
Provas
Para um país industrializado é importante o grau de aproveitamento de suas fontes de energia. Descobrir essas fontes na natureza, transportar a energia sob as várias formas para outros locais, convertê-las em formas mais úteis são aspectos relevantes na avaliação econômica do uso de energia. Sobre esses tópicos, analise as afirmações a seguir.
I − O custo de transporte de combustível nuclear é desprezível, se comparado com o custo de transporte de quantidade energeticamente equivalente de combustível fóssil.
II − Sistemas interligados permitem o aproveitamento de fontes de energia mais econômicas e podem, também, reduzir o número de máquinas de reserva destinadas a operar em condições de pico.
III − O Programa de Expansão da Transmissão elaborado pelo Operador Nacional do Sistema (ONS) é um dos documentos que indicam a linha de transmissão e subestações necessárias para a adequada prestação dos serviços de transmissão de energia elétrica no Brasil.
É(São) correta(s), apenas, a(s) afirmação(ões):
Provas
No projeto de linhas de transmissão, a seleção da tensão, condutores e equipamentos são pilares das considerações econômicas. Desse modo, analise as afirmativas a seguir.
I − A escolha da tensão de uma linha é, principalmente, um problema de equilíbrio entre o investimento inicial na construção da linha e nos equipamentos, e o custo de sua operação.
II − Uma parcela considerável da economia feita na diminuição do custo do condutor quando são projetadas linhas para maiores tensões é perdida pela elevação dos custos de isoladores, transformadores, seccionadores e pelo aumento das perdas no ar que se ioniza pelo gradiente de tensão no condutor.
III − A escolha do tipo de estrutura das torres de transmissão pouco afeta economicamente o valor do projeto, visto que sua definição depende, basicamente, das características técnicas da linha de transmissão.
É(São) correta(s), apenas, a(s) afirmativa(s):
Provas
A análise econômica para a escolha do uso de Corrente Alternada (CA) ou de Corrente Contínua (CC) em uma linha de transmissão deve levar em conta uma série de fatores. Nesse contexto, considere as afirmativas a seguir.
I − Sistemas de corrente contínua em alta voltagem ou HVDC (High Voltage Direct Current) mostram-se competitivos para distâncias superiores a, aproximadamente, 800 km. Também geram perdas menores e permitem interligações assíncronas.
II − Um aspecto de grande importância é que, para a mesma potência, os sistemas HVDC provocam um impacto ambiental menor do que uma linha de corrente alternada.
III − Uma das grandes desvantagens de sistemas HVDC é a dificuldade na transposição de rios ou trechos de mar.
É(São) correta(s), apenas, a(s) afirmativa(s):
Provas
O Brasil experimenta uma fase importante de desenvolvimento econômico, que representa um aumento na demanda de energia elétrica, e significa necessidade de aumentar a capacidade de geração e de transmissão. Em alguns casos de linhas longas, é interessante projetar a linha de forma que possua potência natural elevada (LPNE) e por conseguinte, uma capacidade de transmissão maior do que as linhas convencionais, para os mesmos níveis de tensões. Uma das técnicas de elevar a potência natural é aumentar a capacitância transversal por unidade de comprimento. Com relação à capacitância transversal por unidade de comprimento de sequência positiva, é correto afirmar que:
Provas

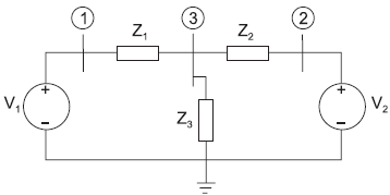
Em estudos de fluxo de potência de grandes sistemas, é comum representar parte do sistema, ou mesmo uma outra área, pelo seu Equivalente de Thévenin, diminuindo a dimensão da matriz de admitância nodal. Diante disso, a impedância (Zth) e a tensão (Vth) do Equivalente de Thévenin do sistema mostrado na figura acima, visto da barra 3, em pu, respectivamente, são:
Dados: Z1 = j 0,20 pu; Z2 = j 0,25 pu; Z3 = j 1,00 pu;
V1 = 1,0 + j 0,0 pu; V2 = 1,1 + j 0,0 pu;
Provas
Considere a figura abaixo.

Ao se energizar uma linha de transmissão, uma das grandes preocupações é quanto às sobretensões no terminal a vazio (terminal 2). Um dos procedimentos para evitar essas sobretensões é energizar a linha com resistores de pré-inserção (R). Supondo que a chave Ch1 seja fechada em t = 0 e que a linha seja ideal (sem perdas), com impedância característica ZC, para um tempo de propagação da onda eletromagnética igual a , e, ainda, que a chave Ch2 seja fechada em \( t_c ( 2 \tau < t_c < 3 \tau) \), então, o valor da tensão no terminal 2 em \( t = \tau \) é:
(Dados: \( R = 1/_2\,\, Z_C \)
vG = Degrau unitário em t = 0)
Provas
A constante generalizada A de uma linha de transmissão, alimentada por um barramento de tensão fixa de 200 kV, é A = 0,8 10º ∠ e B = 260∠90º . Para a operação em vazio da linha, o valor de tensão do receptor não pode ultrapassar os 240 kV. Para estas condições da linha, o Efeito Ferranti e o valor A’ da compensação shunt a ser acrescida na linha para reduzir-se o Efeito Ferranti, respectivamente, serão:
Provas
Caderno Container