Magna Concursos

Foram encontradas 50 questões.

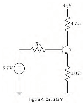
2186795 Ano: 2021
Disciplina: Engenharia Eletrônica
Banca: SELECON
Orgão: EMGEPRON

Considerar que o transistor do circuito Y tenha VBE = 0,7 V e β = 100.

Enunciado 2186795-1

O valor de RB no circuito da figura 4, de forma que circule uma corrente de 1 A pelo resistor de 4,7 Ω é:

 

Provas

Questão presente nas seguintes provas
2186794 Ano: 2021
Disciplina: Engenharia Eletrônica
Banca: SELECON
Orgão: EMGEPRON

Quatro circuitos retificadores são apresentados a seguir:

I. retificador monofásico de meia onda, controlado, com ângulo de disparo de 15º;

II. retificador monofásico de meia onda, controlado, com ângulo de disparo de 50º;

III. retificador monofásico de onda completa, controlado, com ângulo de disparo de 15º;

IV. retificador monofásico de onda completa, controlado, com ângulo de disparo de 50º.

Esses retificadores, colocados em ordem crescente de tensão média, organizam-se na seguinte sequência:

Dados: cos(15º)=0,966 e cos(50º)=0,643.

 

Provas

Questão presente nas seguintes provas
2186793 Ano: 2021
Disciplina: Engenharia Eletrônica
Banca: SELECON
Orgão: EMGEPRON

No circuito da figura 3, a carga RL deve ser submetida a uma tensão de 9 V, dissipando 8,1 W. Supondo que o diodo Zener seja de 9 V e sua potência máxima de 1,8 W, o valor de RS, de forma que o diodo Zener dissipe apenas metade de sua potência máxima, deve ser:

Supondo que o diodo Zener seja de 9 V e sua potência máxima de 1,8 W, o valor de R , de forma S que o diodo Zener dissipe apenas metade de sua potência máxima, deve ser:

 

Provas

Questão presente nas seguintes provas
2186792 Ano: 2021
Disciplina: Engenharia Elétrica
Banca: SELECON
Orgão: EMGEPRON

A tensão de pico no secundário de um transformador monofásico ligado a um retificador de onda completa em ponte é de 9 V. A tensão no secundário de um transformador, para que a mesma tensão média seja entregue a uma carga, utilizando um retificador de meia onda, deve ser:

 

Provas

Questão presente nas seguintes provas
2186791 Ano: 2021
Disciplina: Engenharia Eletrônica
Banca: SELECON
Orgão: EMGEPRON

Em um tiristor, pode-se afirmar que a corrente de manutenção é:

 

Provas

Questão presente nas seguintes provas
2186790 Ano: 2021
Disciplina: Engenharia Elétrica
Banca: SELECON
Orgão: EMGEPRON

Uma afirmativa verdadeira sobre os materiais semicondutores é que:

 

Provas

Questão presente nas seguintes provas
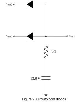
2186789 Ano: 2021
Disciplina: Engenharia Eletrônica
Banca: SELECON
Orgão: EMGEPRON

O circuito com diodos da figura 2 representa o seguinte tipo de porta lógica:

Enunciado 2186789-1

 

Provas

Questão presente nas seguintes provas
2186788 Ano: 2021
Disciplina: Engenharia Elétrica
Banca: SELECON
Orgão: EMGEPRON

Um transformador foi submetido ao ensaio de curto-circuito, feito no lado de baixa tensão. Com as medições desse ensaio, é possível determinar, em relação ao circuito equivalente, a impedância:

 

Provas

Questão presente nas seguintes provas
2186787 Ano: 2021
Disciplina: Engenharia Elétrica
Banca: SELECON
Orgão: EMGEPRON

Uma indústria produz um dispositivo eletrônico composto por diversas placas de circuito, sendo que uma delas é um circuito RLC paralelo. Os componentes deste circuito foram projetados para que apresentasse resposta superamortecida. Caso essa placa seja substituída por uma contendo um circuito RLC série, mantendo os valores de indutância e capacitância da placa original, para que a resposta do circuito continue sendo superamortecida, o valor:

 

Provas

Questão presente nas seguintes provas
2186786 Ano: 2021
Disciplina: Engenharia Eletrônica
Banca: SELECON
Orgão: EMGEPRON

Em um circuito RL alimentado por um gerador de sinais, a relação entre o período do sinal de entrada (T) e sua constante de tempo (!$ \tau !$), para que a forma de onda da tensão sobre o indutor seja a derivada do sinal de entrada é:

 

Provas

Questão presente nas seguintes provas