Foram encontradas 49 questões.
A água de alimentação de caldeiras não deve conter sais, porque estes depositam-se sobre as paredes das caldeiras, dificultando a troca de calor entre a chama e a água. Se houver um rompimento na crosta salina nas paredes da caldeira, a água entrará em contato com a parede superaquecida, provocando um aumento súbito da pressão e explosão. A água com alta concentração de sais é chamada de água "dura".
Pode-se afirmar que em uma água "dura" a:Provas
Em uma amostra de água a medida do pH foi de 3. Pode-se afirmar que a amostra tem caráter:
Provas
Deve-se medir a tensão entre dois pontos A e B de um circuito e a corrente que passa entre eles, usando um voltímetro e um amperímetro. Deve-se colocar o:
Provas
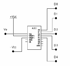
O diagrama abaixo é de um Conversor A/D industrial devidamente polarizado, que pode converter, em níveis digitais, níveis analógicos de Zero a +255 Volts. A entrada analógica é o ponto E e as saídas são D0, D1, D2, D3 e D4.

Provas
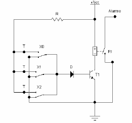
O circuito abaixo é um comando de alarme acionado pelos contatos repouso/trabalho (R/T), X0, X1 e X2. No esquema os contatos estão nas posições R.

Provas
O LDR é um resistor que diminui sua resistência quando sobre ele incide luz. Sua resistência varia entre 1,0kΩ, quando iluminado, e 1,0MΩ no escuro. Em caldeiras existe um dispositivo que corta automaticamente, usandose um LDR e uma válvula solenóide, a alimentação de óleo quando há extinção da chama. Um dispositivo desse tipo é mostrado no circuito abaixo. Analise o circuito onde R1=R2=R3=10kΩ e K é o relé que irá acionar a válvula solenóide.

Provas
Um técnico mediu a tensão entre o ponto S e o ponto de aterramento do circuito abaixo, com um voltímetro que apresentava uma resistência interna de 100kΩ e encontrou 2,0Volts.

Provas
No circuito abaixo os blocos são portas lógicas e as entradas A e B são níveis lógicos.

Provas
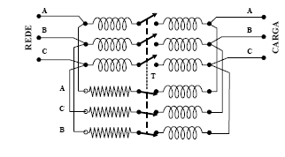
O circuito elétrico abaixo representa a conexão elétrica de reatores e resistores em série com uma linha trifásica. Na representação esquemática, as chaves comutadoras trifásicas são interligadas por uma linha tracejada, que representa:

Provas
Por segurança, nos serviços com envolvimento de alta tensão, são utilizados luvas e calçados isolantes para:
Provas
Caderno Container