Foram encontradas 60 questões.
O conhecimento das características de operação das chaves semicondutoras de potência é de suma importância para o entendimento do funcionamento de conversores eletrônicos de potência e para a escolha do conversor a ser empregado em determinada aplicação. Considere que estão disponíveis conversores a Diodo, GTO, IGBT, MOSFET e SCR.
Para atender à utilização de um conversor autocomutável, com frequência de chaveamento operando na ordem de centenas a milhares de quilohertz e com potência abaixo de um quilovolt-ampere, o conversor deve ter o tipo de chave
Provas
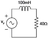
O diagrama a seguir ilustra um circuito monofásico, operando em regime permanente e alimentado por uma fonte de tensão ideal de valor instantâneo vF = 100!$ \sqrt{2} !$ sen(300t).

A potência dissipada no resistor, em W, é
Provas
Uma parte de um sistema de potência é apresentada no diagrama a seguir.

Dados
- Potência nominal do transformador: 200 MVA.
- Reatância série do transformador: 20%, nas bases nominais do equipamento.
- Reatância série da linha de transmissão: 250 Ω.
- Tensão na barra de 220 kV: V1 = 1,13 pu e θ1 = 0º.
- Tensão na barra de 500 kV: V2 = 1,00 pu e θ2 = 11,5º.
- Potência base do sistema: 100 MVA.
- Adotar: cos(11,5º) = 0,98 e sen(11,5º) = 0,20.
O módulo da corrente na linha de transmissão ILT, em pu, na base do sistema, é
Provas
Um relé de proteção digital implementa diversas funções de proteção por meio de um processador digital de sinais. Esse relé possui um módulo para a conversão analógico-digital dos sinais de entrada, devendo tal módulo minimizar distorções no sinal amostrado.
Os sinais de entrada típicos desse relé podem ser representados pelo espectro de frequência contínuo, dado pela Figura abaixo.

Considere ainda que
- o módulo de conversão analógico-digital é composto apenas por um amostrador ideal;
- a única fonte de distorção do sinal é o efeito de aliasing;
- o sinal amostrado deve possuir uma distorção espectral do módulo inferior a 1% para frequências de 100 Hz a 1kHz.
Nessas condições, o amostrador deve possuir uma frequência de amostragem mínima, em kHz, de
Provas
Um sistema linear de segunda ordem é representado por uma Função de Transferência, ligando a saída Y(s) à entrada E(s), pela seguinte expressão em Laplace:
!$ G(s) = {\large{Y(s) \over E(s)}} = {\large{42 \over s^2 + 8s + 12}} !$
Aplicando-se um degrau de tensão, de amplitude 5 volts, na entrada desse sistema, a amplitude do sinal de tensão, em volts, na saída desse sistema, quando atingir o seu regime permanente, vai tender para
Provas
Um circuito RLC SÉRIE é formado por componentes considerados ideais, um resistor (R), um capacitor (C) e um indutor (L), todos associados em série. Quando esse circuito é alimentado por uma fonte de tensão, pode ser considerado um Sistema Linear de 2ª ordem.
O polinômio do denominador da Função de Transferência desse sistema, no domínio de Laplace, é
!$ s^2 + {\large{R \over L}}s + {\large{1 \over LC}} !$
Com base nas informações acima, no momento em que esse sistema é alimentado por um degrau de tensão, haverá uma oscilação amortecida.
Nesse contexto, verifica-se que a Frequência de Oscilação do sinal de saída é
Provas
Uma falta entre duas fases ocorre em uma linha trifásica. O equivalente de Thévenin no ponto da falta é apresentado na Figura abaixo.

Sabe-se, ainda, que a fonte e a reatância da sequência positiva são iguais, respectivamente, a 0,8 pu e 0,2 pu.
A intensidade dessa corrente de falta, em ampères, considerando que a corrente de base no setor da falta é igual a 2.000 A, é igual a
Provas
Um sistema trifásico representado no esquema trifilar, conforme a Figura P abaixo, apresenta os seguintes dados:
Módulo das tensões: E
Módulo das impedâncias: Z
Módulo das correntes: I

A representação unifilar de acordo com a Figura Q, apresenta, respectivamente, as seguintes expressões para os módulos da tensão, impedância e corrente elétrica:
Provas
A Figura abaixo apresenta uma Ponte de Wheatstone utilizada para medir o resistor RX.

A tensão da fonte E e a medida do voltímetro V são iguais a, respectivamente, 10 volts e 4 volts.
Sabendo-se que resistores R1, R2 e R3 são iguais a 5 Ω, o valor de RX, que é maior que os demais, possui o valor, em Ω, igual a
Provas
Um equipamento elétrico monofásico residencial, que possui potência 3.600 W e fator de potência de 0,8, é alimentado por uma rede de energia de 200 V. O circuito desse equipamento, constituído por fase, neutro e terra, possui uma queda de tensão unitária de 2,0 V/(A.km).
Considerando-se que a queda de tensão deve ser no máximo igual a 2%, o comprimento máximo desse circuito, em metros, é de, aproximadamente:
Provas
Caderno Container