Foram encontradas 395 questões.
- EletrotécnicaCircuitos Elétricos em Eletricidade
- EletrotécnicaCircuitos de Corrente Contínua e de Corrente Alternada
Provas

O elemento ilustrado na figura refere-se a bucha de passagem
Provas
- EletrotécnicaCircuitos Elétricos em Eletricidade
- EletrotécnicaCircuitos de Corrente Contínua e de Corrente Alternada
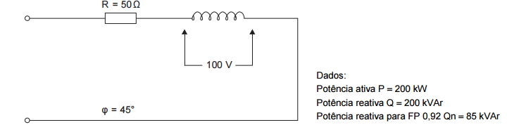
Considere o circuito abaixo.

A potência do banco de capacitor a ser acoplado em paralelo com o circuito é igual a
Provas
Provas
Considere o esquema da figura abaixo.

O esquema ilustrado refere-se ao sistema que desliga o contato de um disjuntor. Esse mecanismo é denominado
Provas
- EletrotécnicaCircuitos Elétricos em Eletricidade
- EletrotécnicaInstalações Elétricas em Eletricidade
- EletrotécnicaProteção e Aterramento
- Chaves Seccionadoras
Provas

O transformador monofásico ilustrado na figura, tendo em vista a classificação quanto à forma do núcleo, é denominado
Provas
Provas
Provas
Sobre a Usina de Belo Monte, inaugurada parcialmente, são feitas as seguintes afirmações:
I. A usina, construída às margens do rio Madeira, produzirá energia para a região amazônica.
II. Desde que começou a construção, a Usina foi muito combatida por ONGs ambientalistas.
III. Várias aldeias indígenas foram deslocadas da área de construção da usina, gerando problemas sociais.
Está correto o que se afirma APENAS em
Provas
Caderno Container