Foram encontradas 100 questões.
Relacione as colunas quanto à equivalência das unidades do Sistema Internacional (SI), e assinale a alternativa com a sequência correta.
1 – Volt ( ) C/s
2 – Watt ( ) kg . m/s2
3 – Newton ( ) J/C
4 – Ampère ( ) J/s
Provas
Em se tratando de realizar um estudo de eficiência energética em uma instalação industrial, faz-se necessário agir nos diferentes tipos de carga, com a finalidade de verificar seu potencial de desperdício. De acordo com essa afirmação, assinale a alternativa que não contém um segmento a ser estudado.
Provas
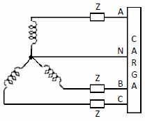
Assinale a alternativa que corresponde ao esquema de ligação abaixo.

Provas
Assinale a alternativa incorreta sobre os fatores básicos para o dimensionamento de condutores elétricos.
Provas
Assinale a alternativa que completa a frase.
A intensidade de um campo magnético ao redor de um condutor depende da intensidade da que percorre nesse condutor.
Provas
Assinale a alternativa que evidencia a indutância equivalente ao circuito apresentado abaixo.

Provas
Qual nome é dado na relação entre o fluxo luminoso refletido e o fluxo luminoso incidente em uma dada superfície?
Provas
Assinale a alternativa que apresenta o cálculo da quantidade de elétrons que passa por um ponto fixo em uma carga de 1 kW durante 1602 segundos e aplica-se uma tensão de 100 V.
Considere a carga do elétron 1,602 x 10-19 C/elétron.
Provas
Assinale a alternativa que completa a frase abaixo.
O fator de potência baixo, menor que 0,92, pode ocasionar sérios problemas a uma instalação, como aquecimento dos condutores e aumento da conta de energia; por isso deve ser corrigido com a instalação de .
Provas
Assinale a alternativa que indica a capacitância total do circuito apresentado abaixo.

Provas
Caderno Container