Foram encontradas 100 questões.
Determine, no circuito abaixo, o equivalente Thévenin (tensão e resistência) entre os pontos A e B que contém o resistor R2.

Provas
Um circuito tanque, composto por um capacitor do tipo varicap, em paralelo com um indutor com núcleo de ar, é ressonante em uma frequência fa. Para que a frequência de ressonância mude para fb, de modo que fb < fa, pode-se
Provas
Um técnico, na falta de um capacitor de 100μF/50V, pode utilizar
I- 2 capacitores de 50μF/100V ligados em paralelo.
II- 4 capacitores de 25μF/20V ligados em série.
III- 4 capacitores de 200μF/25V ligados em série.
IV- 5 capacitores de 20μF/80V ligados em paralelo.
Está correto o que se afirma em
Provas
Um banco de baterias de 42V alimenta uma carga de !$ 100 \Omega !$. Um voltímetro conectado à carga indica uma tensão de 40V sobre ela. Qual o valor da resistência da fiação que conecta o banco e a carga? Considere banco de baterias com resistência nula.
Provas
Indique o valor da tensão em RL, segundo o circuito abaixo.

Provas
Um equipamento receptor de AM DSB-FC utiliza qual circuito para realizar a demodulação do sinal recebido?
Provas
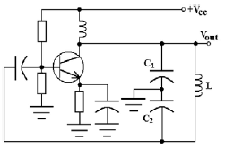
Considerando o circuito a seguir, indique a alternativa com a frequência correta gerada na saída.

Provas
Considerando a figura abaixo, indique o que ocorre com o sinal na saída quando são retirados D1 e D2 do circuito.

Provas
Se a soma das entradas forem 4F16, 1768 e 20910, o resultado da operação, na Base 2, será
Provas
Simplifique as expressões obtidas da tabela verdade abaixo, utilizando o diagrama de Veitch-Karnaugh, e marque a opção correta.

Provas
Caderno Container