Foram encontradas 80 questões.
Disciplina: Engenharia Mecânica
Banca: Consulplan
Orgão: DMAE Porto Alegre
O ferro é um elemento cuja forma ou reticulado cristalino é cúbico, sendo assim as formas cristalinas do ferro são: ferro cúbico centrado e ferro cúbico de face centrada.
A essa propriedade de possuir diferentes formas cristalinas, dá-se o nome de
Provas
Disciplina: Engenharia Mecânica
Banca: Consulplan
Orgão: DMAE Porto Alegre
Pela análise dos gráficos que relacionam Potência (N) e Vazão (Q), NÃO se pode concluir que

Provas
Disciplina: Engenharia Mecânica
Banca: Consulplan
Orgão: DMAE Porto Alegre
Processo de fabricação mecânica por conformação em que se executa o puxamento de uma peça de metal através de uma matriz, que tem um furo cônico por meio de uma força de tração aplicada ao lado da saída.
Resulta uma redução em seção reta, com um correspondente aumento em comprimento. A operação total pode consistir de um número de matrizes numa sequência serial. Produtos de haste, fio e tubulação são comumente fabricados desta maneira.
Provas
Disciplina: Engenharia Mecânica
Banca: Consulplan
Orgão: DMAE Porto Alegre
Considere uma haste de eixo reto, seção transversal circular constante de diâmetro 5 cm, com módulo de elasticidade E = 20000 Kgf/mm2 e deformação axial do material \( \varepsilon \) = 0,001.
Calcule pela Lei de Hooke, aproximadamente, qual a força normal atuante na referida haste.
Provas
Disciplina: Engenharia Mecânica
Banca: Consulplan
Orgão: DMAE Porto Alegre
Elemento de máquina que limita, ao máximo, as perdas de energia em consequência do atrito.
Provas
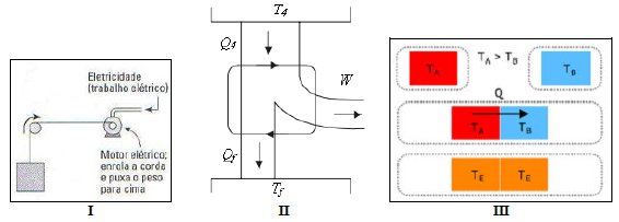
Disciplina: Engenharia Mecânica
Banca: Consulplan
Orgão: DMAE Porto Alegre
As figuras representam esquematicamente

Provas
Disciplina: Engenharia Mecânica
Banca: Consulplan
Orgão: DMAE Porto Alegre
Considerando os tipos de ferro fundidos existentes, relacione as colunas.
1. Ferro fundido cinzento.
2. Ferro fundido branco.
3. Ferro fundido mesclado.
4. Ferro fundido maleável.
5. Ferro fundido nodular.
( ) Formação parcial de carbono livre, na forma de lamelas e fratura com coloração escura.
( ) Apresenta carbono quase que inteiramente combinado, resultando numa fratura de coloração clara.
( ) Possui composição e características que resultam em uma fratura de coloração mista entre branca e cinzenta.
( ) Caracteriza-se por grafita na forma de nódulos devido ao tratamento térmico especial a que é submetido.
( ) Liga caracterizada por grafita na forma esferoidal, resultado de tratamento realizado com o material em estado líquido.
A sequência está correta em
Provas
Disciplina: Engenharia Mecânica
Banca: Consulplan
Orgão: DMAE Porto Alegre
São elementos de fixação, EXCETO:
Provas
Disciplina: Engenharia Mecânica
Banca: Consulplan
Orgão: DMAE Porto Alegre
Numa barra de aço SAE 1020 com seção retangular, prevê-se aplicar uma carga estática axial de 1500 Kgf. Tal barra tem comprimento de 5000 mm e sua largura deverá ser o dobro de sua espessura. Sabendo-se que FS = 5; Tensão de Escoamento = 3500 Kgf/cm2; Tensão Ruptura = 4200 Kgf/cm2 e Módulo de Elasticidade = 2,1 x 102 kgf./cm2, calcule a área da seção e a deformação da barra.
Provas
Disciplina: Engenharia Mecânica
Banca: Consulplan
Orgão: DMAE Porto Alegre
Assinale o tratamento térmico que, acompanhado pelo revenimento, é utilizado para se obter as estruturas e propriedades que permitem o emprego do aço em peças de maior responsabilidade e em aplicações mais críticas, como as que se encontram na indústria mecânica.
Tem por objetivo, a obtenção do constituinte denominado martensita
Provas
Caderno Container