Foram encontradas 100 questões.
Provas
Provas
Provas
Provas
Provas

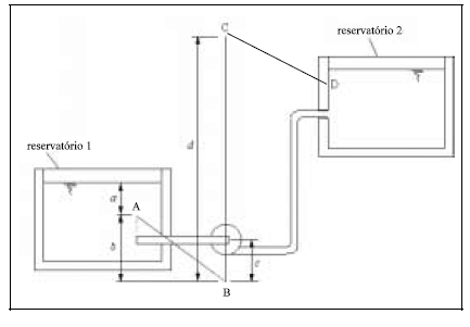
Considerando o sistema de recalque apresentado na figura acima e a respectiva linha piezométrica, em que a água é recalcada do reservatório 1 para o reservatório 2 com o auxílio de uma bomba, julgue os itens seguintes.
Provas

Considerando o sistema de recalque apresentado na figura acima e a respectiva linha piezométrica, em que a água é recalcada do reservatório 1 para o reservatório 2 com o auxílio de uma bomba, julgue os itens seguintes.
Provas

Considerando o sistema de recalque apresentado na figura acima e a respectiva linha piezométrica, em que a água é recalcada do reservatório 1 para o reservatório 2 com o auxílio de uma bomba, julgue os itens seguintes.
Provas

Considerando o sistema de recalque apresentado na figura acima e a respectiva linha piezométrica, em que a água é recalcada do reservatório 1 para o reservatório 2 com o auxílio de uma bomba, julgue os itens seguintes.
Provas

Considerando o sistema de recalque apresentado na figura acima e a respectiva linha piezométrica, em que a água é recalcada do reservatório 1 para o reservatório 2 com o auxílio de uma bomba, julgue os itens seguintes.
Provas
Caderno Container